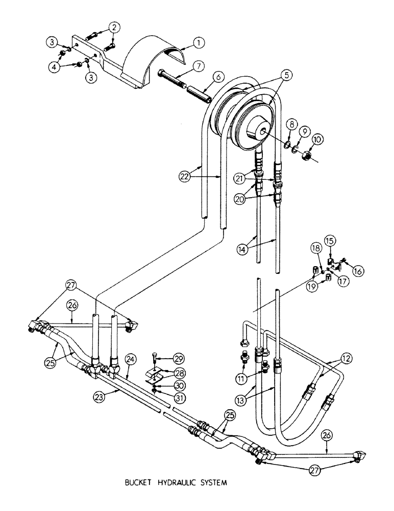
Запчасти Case M3B (112) - BUCKET HYDRAULIC SYSTEM

Схема запчастей Case M3B - (112) - BUCKET HYDRAULIC SYSTEM
FIT
1:1
100%

Артикул

Название

Примечание

Количество

1

60585

SUPPORT ASS'Y. - pulley

1шт.

2

14-828

BOLT,Hex, 1/2" - 20 x 1-3/4", Gr 5

HHCS - 1/2-20 NF x 1-3/4 (60585 mt'g.) (45709)

2шт.

3

92-8

LOCK WASHER,1/2"

(48448) 1/2"

2шт.

4

25-118

NUT,1/2"-20, G5

- reg. SF hex (1/2-20 NF) (48104)

2шт.

5

60451

BOLT,Hex, 5/16" - 24 x 2", Gr 5

PULLEY

2шт.

6

60584

SLEEVE - pulley

1шт.

7

14-872

X,Hex, 1/2" - 20 x 4 1/2", Gr 5

HHCS - 1/2-20 NF x 4-1/2 (60451 mt'g.) (45719)

1шт.

8

95-8

WASHER,1/2"

- plain (48408) 1/2"

1шт.

9

92-8

LOCK WASHER,1/2"

(48448) 1/2"

1шт.

10

25-118

NUT,1/2"-20, G5

- reg. SF hex (1/2-20 NF) (48104)

1шт.

11

218-456

HYD CONNECTOR,3/4" - 16 Male JIC x 1/2" - 14 Male NPTF

CONNECTOR - male, 1/2 JIC to 1/2 NP (50022)

2шт.

12

35236

CUP

TUBE ASS'Y. -, Serial Range: valve-mast

2шт.

13

35230

PLATE

HOSE ASS'Y. -, Serial Range: valve-mast

2шт.

14

38856

TUBE ASS'Y. - valve to mast, 9' mast

2шт.

38858

TUBE ASS'Y. - valve to mast, 12'6" mast

2шт.

35234

THRUST WASHER

TUBE ASS'Y. - valve to mast, 14'3" mast

2шт.

38862

ANGLE,52" Length

TUBE ASS'Y. - valve to mast, 16' mast

2шт.

15

17179

CLAMP - tube

2шт.

16

14-516

BOLT,Hex, 5/16" - 24 x 1", Gr 5, Full Thd

HHCS - 5/16-24 NF x 1" (17179 mt'g.) (45631)

2шт.

17

92-5

LOCK WASHER,5/16"

WASHER, LOCK, (48445) 5/16"

2шт.

18

25-115

NUT,5/16"-24, G5

- reg. SF hex (5/16"-24 NF) (48101)

2шт.

19

35546

BOX

GROMMET - rubber

2шт.

20

41912

SOCKET - quick disconnect

2шт.

21

41913

PLUG - quick disconnect

2шт.

22

18979

HOSE ASS'Y. - 9' mast

2шт.

18980

HOSE ASS'Y. - 12'6" mast

2шт.

18981

HOSE ASS'Y. - 14'3" mast

2шт.

23

35687

TUBE ASS'Y. - manifold for dump cylinder rear ports

1шт.

24

35685

TUBE ASS'Y. - manifold for dump cylinder front ports

1шт.

25

NLS

NO LONGER SERVICED

HOSE ASS'Y. - manifold to dump cylinders

4шт.

26

35691

ENGINE

TUBE ASS'Y. - to dump cylinder front ports

2шт.

27

218-493

ELBOW,90 Degree Elbow, 3/4" - 16 Male JIC x 1/2" - 14 Male NPTF

- 90 degree male, 1/2 JIC to 1/2 NP (50112)

4шт.

28

32978

PLATE ASSY.

CLAMP - tube (35685 & 35687 mt'g.)

2шт.

29

14-524

BOLT,Hex, 5/16" - 24 x 1-1/2", Gr 5

HHCS - 5/16-24 NF x 1-1/2 (32978 mt'g.) (45633)

2шт.

30

92-5

LOCK WASHER,5/16"

WASHER, LOCK, (48445) 5/16"

2шт.

31

25-115

NUT,5/16"-24, G5

- reg. SF hex (48101)

2шт.

Выбрано товаров: 36