Запчасти Case M3B (118) - MAST EXTENSION - 82", MAST EXTENSION - 104", MAST EXTENSION - 115"

Схема запчастей Case M3B - (118) - MAST EXTENSION - 82", MAST EXTENSION - 104", MAST EXTENSION - 115"
FIT
1:1
100%

Артикул

Название

Примечание

Количество

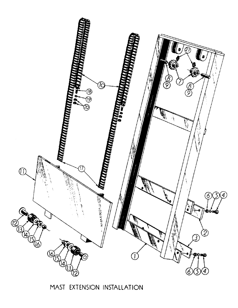
1

60792

FRAME ASS'Y. - mast extension

1шт.

2

60892

PLATE - mounting, upper

1шт.

3

60893

PLATE - mounting, lower

1шт.

4

14-1032

BOLT,Hex, 5/8" - 18 x 2", Gr 5

(60792 mt'g.) (45760) Hex, 5/8"-18 x 2", G5

4шт.

14-1036

BOLT,Hex, 5/8" - 18 x 2-1/4", Gr 5

(60792 mt'g) (45761) Hex, 5/8"-18 x 2 1/4", G5

4шт.

5

92-10

LOCK WASHER,5/8"

WASHER, LOCK, (48450) 5/8"

8шт.

6

25-1110

NUT,5/8"-18, G5

- reg. SF hex (5/8-18 NF) (48106)

8шт.

7

60840

SPROCKET ASS'Y.

2шт.

8

60998

SHAFT - sprocket

2шт.

9

132-157

COTTER PIN,Ext Prong Sq Cut, 1/4" x 2 1/2"

Pin, Split (Cotter), (48741) 1/4" x 2 1/2"

2шт.

10

60842

CHAIN - mast

2шт.

60804

TROLLEY ASS'Y.

1шт.

11

60894

PLATE ASS'Y. - trolley

1шт.

12

60816

SHAFT & WASHER ASS'Y.

2шт.

13

40200

BEARING ASSY,1.1811" ID x 2.4409" OD x 0.9375"

ASS'Y.

2шт.

14

60814

WASHER - special

2шт.

15

12071

GASKET

SPACER

2шт.

16

47869

NUT - light SF hex (1" - 8 NC)

2шт.

17

60961

DRAG LINK

LINK - connecting

2шт.

18

60841

TOOL

BOLT - eye

2шт.

19

92-10

LOCK WASHER,5/8"

WASHER, LOCK, (48450) 5/8"

2шт.

20

25-1110

NUT,5/8"-18, G5

- reg. SF hex (5/8-18 NF) (48106)

4шт.

21

219-1

LUBE NIPPLE,1/8" - 27 NPTF

FITTING - straight grease, 1/8 NP (49200)

2шт.

1

60978

FRAME ASS'Y. - mast extension, mast extension-104"

1шт.

2

60892

PLATE - mounting, upper, mast extension-104"

1шт.

3

60893

PLATE - mounting, lower, mast extension-104"

1шт.

4

14-1032

BOLT,Hex, 5/8" - 18 x 2", Gr 5

(60792 mt'g.) (45760), mast extension-104" Hex, 5/8"-18 x 2", G5

4шт.

14-1036

BOLT,Hex, 5/8" - 18 x 2-1/4", Gr 5

(60792 mt'g.) (45761), mast extension-104" Hex, 5/8"-18 x 2 1/4", G5

4шт.

5

92-10

LOCK WASHER,5/8"

WASHER, LOCK, (48450), Mast extension-104" 5/8"

8шт.

6

25-1110

NUT,5/8"-18, G5

- reg. SF hex (5/8-18 NF) (48106), mast extension-104"

8шт.

7

60840

SPROCKET ASS'Y., mast extension-104"

2шт.

8

60998

SHAFT - sprocket, mast extension-104"

2шт.

9

132-157

COTTER PIN,Ext Prong Sq Cut, 1/4" x 2 1/2"

Pin, Split (Cotter), (48741), Mast extension-104" 1/4" x 2 1/2"

2шт.

10

60910

CHAIN - mast extension-104"

2шт.

60804

TROLLEY ASS'Y., mast extension-104"

1шт.

11

60894

PLATE ASS'Y. - trolley, mast extension-104"

1шт.

12

60816

SHAFT & WASHER ASS'Y., mast extension-104"

2шт.

13

40200

BEARING ASSY,1.1811" ID x 2.4409" OD x 0.9375"

ASS'Y., mast extension-104"

2шт.

14

60814

WASHER - special, mast extension-104"

2шт.

15

12071

GASKET

SPACER, mast extension-104"

2шт.

16

47869

NUT - light SF hex (1" - 8 NC), mast extension-104"

2шт.

17

60961

DRAG LINK

LINK - connecting, mast extension-104"

2шт.

18

60841

TOOL

BOLT - eye, mast extension-104"

2шт.

19

92-10

LOCK WASHER,5/8"

WASHER, LOCK, (48450), Mast extension-104" 5/8"

2шт.

20

25-1110

NUT,5/8"-18, G5

- reg. SF hex (5/8-18 NF) (48106), mast extension-104"

4шт.

21

219-1

LUBE NIPPLE,1/8" - 27 NPTF

FITTING - straight grease, 1/8 NP (49200), mast extension-104"

2шт.

1

60793

FRAME ASS'Y. - mast extension, mast extension-115"

1шт.

2

60892

PLATE - mounting, upper, mast extension-115"

1шт.

3

60893

PLATE - mounting, lower, mast extension-115"

1шт.

4

14-1032

BOLT,Hex, 5/8" - 18 x 2", Gr 5

(60792 mt'g.) (45760), mast extension-115" Hex, 5/8"-18 x 2", G5

4шт.

14-1036

BOLT,Hex, 5/8" - 18 x 2-1/4", Gr 5

(60792 mt'g.) (45761), mast extension-115" Hex, 5/8"-18 x 2 1/4", G5

4шт.

5

92-10

LOCK WASHER,5/8"

WASHER, LOCK, (48450), Mast extension-115" 5/8"

8шт.

6

25-1110

NUT,5/8"-18, G5

- reg. SF hex (5/8-18 NF) (48106), mastg extension-115"

8шт.

7

60840

SPROCKET ASS'Y., mast extension-115"

2шт.

8

60998

SHAFT - sprocket, mast extension-115"

2шт.

9

132-157

COTTER PIN,Ext Prong Sq Cut, 1/4" x 2 1/2"

Pin, Split (Cotter), (48741) 1/4" x 2 1/2"

2шт.

10

60837

JOINT TURNING

CHAIN - mast

2шт.

60804

TROLLEY ASS'Y.

1шт.

11

60894

PLATE ASS'Y. - trolley

1шт.

12

60816

SHAFT & WASHER ASS'Y.

2шт.

13

40200

BEARING ASSY,1.1811" ID x 2.4409" OD x 0.9375"

ASS'Y.

2шт.

14

60814

WASHER - special

2шт.

15

12071

GASKET

SPACER

2шт.

16

47869

NUT - light SF hex (1" - 8 NC)

2шт.

17

60961

DRAG LINK

LINK - connecting

2шт.

18

60841

TOOL

BOLT - eye

2шт.

19

92-10

LOCK WASHER,5/8"

WASHER, LOCK, (48450) 5/8"

2шт.

20

25-1110

NUT,5/8"-18, G5

- reg. SF hex (5/8-18 NF) (48106)

4шт.

21

219-1

LUBE NIPPLE,1/8" - 27 NPTF

FITTING - straight grease, 1/8 NP (49200)

2шт.

Выбрано товаров: 69