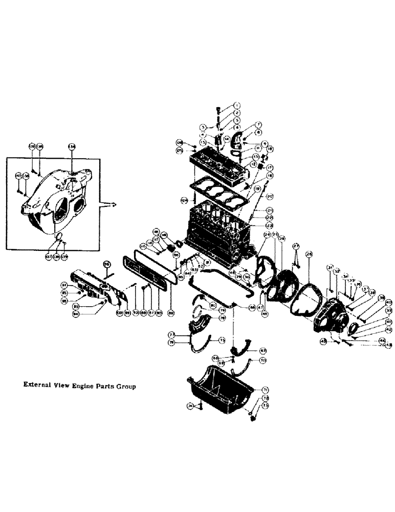
Запчасти Case M3B (020) - GASOLINE ENGINE INSTALLATION, CRANKCASE, CYLINDER HEAD, GEAR COVER, OIL PAN

Схема запчастей Case M3B - (020) - GASOLINE ENGINE INSTALLATION, CRANKCASE, CYLINDER HEAD, GEAR COVER, OIL PAN
FIT
1:1
100%

Артикул

Название

Примечание

Количество

1

10572

SHAFT - distributor drive

1шт.

NSS

NOT SOLD SEPARAT

SHAFT - distributor drive

1шт.

2

10573

FITTING

COUPLING - distributor drive

1шт.

3

10574

PIPE FITTING

PIN - drive coupling

1шт.

4

10571

FITTING

ADAPTER - distributor

1шт.

5

30438

X

NUT - hex (3/8-16 NC)

1шт.

6

92-6

LOCK WASHER,3/8"

WASHER, LOCK, (48446) 3/8"

1шт.

7

11071

ELBOW - water outlet

1шт.

8

47861

KNOB

NUT - hex (5/16-18 NC)

2шт.

9

92-6

LOCK WASHER,3/8"

WASHER - heavy sec. lock

2шт.

10

RESERVED

1шт.

11

10553

GASKET

- water outlet elbow (See Figure 108 for kits)

1шт.

12

34026

HEAD - cylinder

1шт.

13

10082

STUD - 5/16-18 NC x 2-1/8

2шт.

14

221-24

DRAIN PLUG,Sq Soc, 1/2"-14 NPTF

PLUG - pipe, cts'k. hd., 1/2 NP (41838)

1шт.

15

G11204

STUD

- 3/8-16 NC x 1-3/8 (10077)

1шт.

16

10406

CAP ASS'Y. - oil filler

1шт.

17

221-260

HYD CONNECTOR

NIPPLE - pipe oil filler (41406)

1шт.

18

11073

X

DRAINCOCK - water

1шт.

19

34017

CABLE

GASKET - cylinder head (See Figure 108 for kits)

1шт.

20

10411

SEALING RING

ROD ASS'Y. - oil gauge

1шт.

NSS

NOT SOLD SEPARAT

ROD - oil gauge

1шт.

21

10416

FELT - oil gauge rod

1шт.

22

10412

RING

SUPPORT - oil gauge rod

1шт.

23

34838

VALVE

CYLINDER & CRANKCASE ASS'Y. - (Stripped)

1шт.

NLS

NO LONGER SERVICED

CYLINDER & CRANKCASE ASS'Y. - (Complete), Serial Range: (Optional-34838)

1шт.

24

10312

DOWEL - ring gear, Serial Range: cover-case

1шт.

25

10315

GASKET - front end plate (See Figure 108 for kits)

1шт.

26

10311

PLATE - crankcase front end

1шт.

27

10314

LINING

HHCS & LOCKWASHER ASS'Y. - (5/16-18 NC x 3/4)

1шт.

28

10301

GASKET - gear cover (See Figure 108 for kits)

1шт.

29

47863

SPRING CUP

NUT - hex (7/16-14 NC)

1шт.

30

92-7

LOCK WASHER,7/16"

WASHER, LOCK, (48447) 7/16"

1шт.

31

11069

SCREW - dowel

1шт.

32

32647

COVER ASS'Y. - gear

1шт.

NSS

NOT SOLD SEPARAT

COVER - gear

1шт.

33

10972

HOSE,Female, 1.5-2.5 mm2

SEAL - c/shaft oil & dust (See Figure 108 for kits)

1шт.

34

VT4501

STUD - 3/8-16 NC x 1-11/16 (10089)

2шт.

35

92-6

LOCK WASHER,3/8"

WASHER, LOCK, (48446) 3/8"

2шт.

36

30438

X

NUT - hex (3/8-16 NC)

2шт.

37

92-6

LOCK WASHER,3/8"

WASHER, LOCK, (48446) 3/8"

1шт.

38

10295

BUSHING

HHCS - 3/8-16 NC x 1-1/8

1шт.

39

92-7

LOCK WASHER,7/16"

WASHER, LOCK, (48447) 7/16"

1шт.

40

13-724

BOLT,Hex, 7/16" - 14 x 1-1/2", Gr 5

Hex, 7/16"-14 x 1 1/2, G5 (45083)

1шт.

41

10298

COPPER WASHER

- copper

1шт.

42

11067

HHCS & LOCKWASHER ASS'Y. - (3/8-16 NC x 1-1/8)

2шт.

43

413-632

BOLT,Hex, 3/8" - 16 x 2", Gr 5

- 3/8-16 NC x 2 (45060)

1шт.

44

10298

COPPER WASHER

- copper

1шт.

45

10295

BUSHING

HHCS - 3/8-16 NC x 1-1/8

1шт.

46

92-6

LOCK WASHER,3/8"

WASHER, LOCK, (48446) 3/8"

1шт.

47

30438

X

NUT - hex (3/8-16 NC)

1шт.

48

10294

BUSHING

DOWEL - ring

1шт.

49

(49 thru 65) RESERVED

1шт.

66

10362

NUT

GASKET - oil pan (See Figure 108 for kits)

2шт.

67

10101

PIN

BLOCK - filler, front

1шт.

68

48525

X

WASHER - lock, Shakeproof

2шт.

69

10107

SHCS - 5/16-18 NC x 7/8

2шт.

70

10015

GASKET - front filler block (See Figure 108 for kits)

1шт.

71

32678

PAN ASS'Y. - oil

1шт.

72

VT4520

X

GASKET - oil pan drain plug (See Figure 108 for kits)

1шт.

73

VT4521

X

PLUG - oil pan drain (10363)

1шт.

74

10314

LINING

SCREW & LOCKWASHER ASS'Y.

14шт.

75

10015

GASKET - front filler block (See Figure 108 for kits)

1шт.

76

10106

SCREW - 5/16-18 NC x 2-5/8

2шт.

77

48525

X

WASHER - lock, Shakeproof

2шт.

78

10105

PIN

BLOCK - filler, rear

1шт.

79

86631586

SPACER,9.8mm ID x 12.7mm OD x 16.76mm L

SEAL - filler block, rear (See Figure 108 for kits)

2шт.

80

10109

GUARD - oil, rear bearing

1шт.

81

10421

VALVE - oil pressure relief

1шт.

82

11057

WASHER - relief valve adjusting

1шт.

83

VT3354

X

SPRING - oil relief valve (10422)

1шт.

84

10424

HARNESS

GASKET - oil relief valve plug

1шт.

85

10423

THUMB SCREW

PLUG - oil relief valve

1шт.

86

10073

ELBOW

STUD - 1/4-20 NC x 1-3/8

2шт.

87

10356

ELBOW

GASKET - chamber cover studs

2шт.

88

11058

NUT - (1/4-20 NC)

2шт.

89

10357

BRACKET

GASKET - valve chamber cover (See Figure 108 for kits)

1шт.

90

10370

MOUNTING PARTS

COVER ASS'Y. - valve chamber

1шт.

91

RESERVED

1шт.

92

RESERVED

1шт.

93

VT4501

STUD - 3/8-16 NC x 1-11/16 (10089)

6шт.

94

10096

NUT

WASHER - plain

6шт.

95

10452

SEALING RING

NUT - brass (3/8-16 NC)

7шт.

96

11159

STUD - 3/8-16 NC x 5-1/2

1шт.

97

10454

WASHER

- plain

4шт.

98

221-11

PLUG,Sq Hd, 1/8"-27

- pipe, ext. sq. hd., 1/8 NP (41820)

1шт.

99

VT3394

X

GASKET - intake & exhaust manifold (See Figure 108 for kits)

1шт.

100

33371

MANIFOLD - intake & exhaust

1шт.

(101 thru 114) RESERVED

1шт.

115

47861

KNOB

NUT - hex (5/16-18 NC) (Shipping only)

2шт.

116

48465

BUSHING

WASHER - heavy sec. lock (Shipping only)

2шт.

117

31173

STUD - 5/16-18 NC x 1-1/2 (Shipping only)

2шт.

118

10121

COVER - fuel pump hole (Shipping only)

1шт.

119

10123

GASKET - hole cover (Shipping only)

1шт.

(120 thru 123) RESERVED

1шт.

124

10078

STUD - 7/16-20 NF x 3-15/32

15шт.

125

10143

NUT

WASHER - plain

15шт.

126

10142

LARGE PLATE

NUT - hex (7/16-20 NF)

15шт.

(127 thru 133) RESERVED

1шт.

134

31120

HOUSING - flywheel

1шт.

135

13-610

BOLT,Hex, 3/8" - 16 x 5/8", Gr 5, Full Thd

(45053) Hex, 3/8"-16 x 5/8", G5, Full Thd

1шт.

136

92-6

LOCK WASHER,3/8"

WASHER, LOCK, (48446) 3/8"

1шт.

137

10133

COVER - flywheel timing hole

1шт.

138

48487

X

WASHER - light sec. lock

5шт.

139

10038

SCREW - 7/16-14 NC x 1-1/8

3шт.

140

10037

SCREW - dowel (7/16-14 NC x 1-7/16)

2шт.

10134

FELT - flywheel timing hole cover, parts nit shown

1шт.

11580

STUD - 3/8-16 NC x 2-3/4 (Manifold to c/case), parts not shown

2шт.

11101

GEAR

CRAB - (Manifold to c/case), parts not shown

1шт.

10095

PIN

PLATE - manifold cover, parts not shown

1шт.

10067

OIL SEAL

GASKET - cover plate, parts not shown

2шт.

30329

STUD - 3/8-16 NC x 1-5/8 (Manifold cover plate mt'g.), parts not shown

2шт.

10452

SEALING RING

NUT - hex (3/8-16 NC) (Manifold cover plate mt'g.), parts not shown

2шт.

11067

SCREW & LOCKWASHER ASS'Y. - 3/8-16 NC x 1-1/8 (Gear cover mounting), parts not shown

1шт.

10565

ELEC CONNECTOR,4 Pin

FELT - rear brg. oil guard, parts not shown

1шт.

221-11

PLUG,Sq Hd, 1/8"-27

- pipe, ext. sq. hd., 1/8 NP (Oil pressure gauge hole in c/case) (41820), parts not sown

1шт.

VT3395

X

PLUG - pipe, special 1/4 NP (C/case oil header) (10085)

2шт.

VT22152

PLUG - Hubbard, 1-1/2 dia. (Camshaft bushing rear) (10622)

1шт.

10617

ELBOW

PLUG - Hubbard, 1-1/8 dia. (Cyl. core hole in c/case rear)

1шт.

10618

TEE

PLUG - Hubbard, 1-3/8 dia. (Cyl. core hole in c/case side)

2шт.

221-12

PLUG,Sq Hd, 1/4"-18

- pipe, ext. sq. hd., 1/4 NP (Cyl. water jacket drain)

1шт.

Выбрано товаров: 121