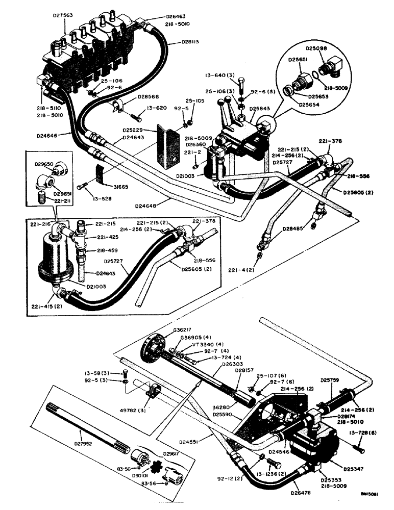
Запчасти Case 31 (034) - BASIC WHEEL BACKHOE HYDRAULICS AND PUMP DRIVE, BACKHOE SN. 4058655 AND AFTER

Схема запчастей Case 31 - (034) - BASIC WHEEL BACKHOE HYDRAULICS AND PUMP DRIVE, BACKHOE SN. 4058655 AND AFTER
FIT
1:1
100%

Артикул

Название

Примечание

Количество

G36217

HUB ASSY.

COUPLING - flexible, pump driveshaft to pulley (Includes 4-G36905 blocks)

1шт.

G36905

BLOCK

AND BUSHING - flexible coupling

4шт.

NSS

NOT SOLD SEPARAT

7/16" - 14 NC x 1-1/2" hex. head cap screw (13-724)

4шт.

NSS

NOT SOLD SEPARAT

7/16" lockwasher (92-7)

4шт.

VT3340

X

WASHER - coupling bolt (29/64" I.D. x 3/4" O.D.)

4шт.

31665

COLLAR CLAMP

CLAMP - plate

1шт.

NSS

NOT SOLD SEPARAT

5/16" - 18 NC x 1-3/4" hex head cap screw (13-528)

1шт.

NSS

NOT SOLD SEPARAT

5/16" lockwasher (92-5)

1шт.

NSS

NOT SOLD SEPARAT

5/16" - 18 NC hex. nut (25-105)

1шт.

NLS

NO LONGER SERVICED

- pump shaft, snap ring type (For service 1-D29617 coupling and 1-D27952 shaft may be used) See D29617

1шт.

49782

CLAMP - plate

3шт.

NSS

NOT SOLD SEPARAT

5/16" - 18 NC x 1/2" hex. head cap screw (13-58)

3шт.

NSS

NOT SOLD SEPARAT

5/16" lockwasher (92-5)

3шт.

D21003

FILTER

- hydraulic oil (See Figure 111 for breakdown)

1шт.

NSS

NOT SOLD SEPARAT

3/4" NPT x 2" pipe nipple (221-215)

1шт.

NSS

NOT SOLD SEPARAT

3/4" 90 degrees street elbow (221-415) 1 required when gauge is used

2шт.

NSS

NOT SOLD SEPARAT

3/4" NPT x 2-1/2" pipe nipple (221-216)

1шт.

NSS

NOT SOLD SEPARAT

3/4" NPT x 1" JIC male adapter (218-459)

1шт.

NSS

NOT SOLD SEPARAT

3/4" NPT pipe tee (221-425)

1шт.

D24546

HOSE - suction (1" I.D. x 1-1/2" O.D. x 5-1/2" long)

1шт.

NSS

NOT SOLD SEPARAT

Adjustable hose clamp (214-256)

2шт.

D24551

TUBE - pressure, pump to loader control valve

1шт.

D24643

TUBE - low pressure return, backhoe valve

1шт.

D24646

HOSE ASSY.

HOSE - pressure (3/4" I.D. x 1-5/32" O.D. x 25" long)

1шт.

D24648

TUBE - high pressure to backhoe valve

1шт.

D25098

ELBOW - 90 degrees, L.H. side of loader control valve

1шт.

NSS

NOT SOLD SEPARAT

"O" ring seal, D25098 elbow (218-5009)

1шт.

D25229

BRACKET - tube mounting

1шт.

D25347

PUMP, HYDRAULIC

PUMP - hydraulic (19 G.P.M.) See Figure 88 for breakdown

1шт.

NSS

NOT SOLD SEPARAT

7/16" - 14 NC x 1-3/4" hex. head cap screw (13-728)

6шт.

NSS

NOT SOLD SEPARAT

7/16" lockwasher (92-7)

6шт.

NSS

NOT SOLD SEPARAT

7/16" - 14 NC hex. nut (25-107)

6шт.

D25353

ELBOW - 90 degrees adjustable, bottom D25347 pump

1шт.

NSS

NOT SOLD SEPARAT

"O" ring seal, D25353 elbow (218-5009)

1шт.

D25590

BRACKET - D25347 pump (When stock is exhausted use D29747)

1шт.

NSS

NOT SOLD SEPARAT

3/4" - 10 NC x 2-1/4" hex head cap screw (13-1236)

2шт.

NSS

NOT SOLD SEPARAT

3/4" lockwasher (92-12)

2шт.

D25605

TUBE

- low pressure, Serial Range: tee-reservoir

2шт.

D25651

SLEEVE

- valve, power beyond type

1шт.

D25653

GASKET

- sleeve

1шт.

D25654

RING

- quad, sleeve

1шт.

D25727

LARGE HOSE

HOSE - filter to tee (1" I.D. x 1-1/2" O.D. x 21" long)

1шт.

NSS

NOT SOLD SEPARAT

3/4" NPT x 2" pipe nipple (221-215)

2шт.

NSS

NOT SOLD SEPARAT

3/4" NPT 90 degrees elbow (221-378)

1шт.

NSS

NOT SOLD SEPARAT

3/4" NPT x 3/4" JIC tee (218-556)

1шт.

NSS

NOT SOLD SEPARAT

Adjustable hose clamp (214-256)

2шт.

D25759

HOSE

- suction (1" I.D. x 1-1/2" O.D. x 7-1/2" long)

1шт.

NSS

NOT SOLD SEPARAT

Adjustable hose clamp (214-256)

2шт.

D25843

VALVE - loader control (See model "31" loader parts catalog for breakdown)

1шт.

NSS

NOT SOLD SEPARAT

3/8" - 16 NC x 2-1/2" hex. head cap screw (13-640)

3шт.

NSS

NOT SOLD SEPARAT

3/8" lockwasher (92-6)

3шт.

NSS

NOT SOLD SEPARAT

3/8" - 16 NC hex. nut (25-106)

3шт.

D26303

X

SHAFT - D25347 pump drive, used with 36280 coupling (For service 1-D27952 shaft and 1-D29617 coupling may be used) See D27952

1шт.

D26360

TEE - service, loader control valve (When replacing tee without pipe plug also order 1-221-2 plug)

1шт.

NSS

NOT SOLD SEPARAT

"O" ring seal, D26360 tee (218-5009)

1шт.

NSS

NOT SOLD SEPARAT

1/4" NPT pipe plug (221-2)

1шт.

D26463

FITTING

ELBOW - 90 degrees adjustable female (L.H. side D27563 backhoe control valve)

1шт.

NSS

NOT SOLD SEPARAT

"O" ring seal, D26463 elbow (218-5010)

1шт.

D26476

SUPPORT

HOSE - pressure, pump to tube (3/4" I.D. x 1-5/32" O.D. x 12-1/2" long)

1шт.

D27563

LOCK VALVE

VALVE - backhoe control (See Figure 078 for breakdown)

1шт.

NSS

NOT SOLD SEPARAT

90 degrees adjustable elbow, R.H. side D27563 control valve (218-5110)

1шт.

NSS

NOT SOLD SEPARAT

"O" ring seal, 218-5110 elbow (218-5010)

1шт.

D27952

SHAFT

- D25347 pump drive, late production models (Used with D26917 coupling) See D26303

1шт.

D28113

HOSE - return (3/4" I.D. x 1-1/4" O.D. x 34" long)

1шт.

D28157

SNAP RING,0.875", Int, #87

Ring, Snap, , pump coupling 0.875", Int, #87

1шт.

D28174

TEE - 1" JIC, top D25347 pump

1шт.

NSS

NOT SOLD SEPARAT

"O" ring seal, D28174 tee (218-5010)

1шт.

D28485

ELBOW UNION

ELBOW - 90 degrees, equalizer, Serial Range: tubes-reservoir

2шт.

NSS

NOT SOLD SEPARAT

1/2" NPT square head pipe plug (221-4)

2шт.

D28566

CLAMP - backhoe return hose to mounting frame

1шт.

NSS

NOT SOLD SEPARAT

3/8" - 16 NC x 1-1/4" hex. head cap screw (13-620)

1шт.

NSS

NOT SOLD SEPARAT

3/8" lockwasher (92-6)

1шт.

NSS

NOT SOLD SEPARAT

3/8" - 16 NC hex. nut (25-106)

1шт.

D29123

SHIM - pump mounting (Not shown)

1шт.

D29617

COUPLING

- pump shaft, complete (Late production models) Flexible type (includes 2-NSS jaws, 1-D30101 wear plate, and 2-83-56 set screws) Used with D27952 shaft only (See 36280)

1шт.

NSS

NOT SOLD SEPARAT

5/16" - 18 NC x 3/8" set screw, D29617 coupling (83-56)

2шт.

D29650

ELECTRICAL GAUGE

GAUGE - hydraulic oil pressure (If used)

1шт.

D29651

ELBOW - special, filter gauge (if used) 3/4" NPT

1шт.

NSS

NOT SOLD SEPARAT

3/4" NPT x 1-1/8" pipe nipple (221-211)

1шт.

D29747

BRACKET - D25347 pump, late production

1шт.

D30101

PLATE ASSY.

PLATE - wear, D29617 coupling

1шт.

Выбрано товаров: 81