Запчасти Case 31 (038) - BASIC WHEEL BACKHOE HYDRAULICS AND PUMP DRIVE

Схема запчастей Case 31 - (038) - BASIC WHEEL BACKHOE HYDRAULICS AND PUMP DRIVE
FIT
1:1
100%

Артикул

Название

Примечание

Количество

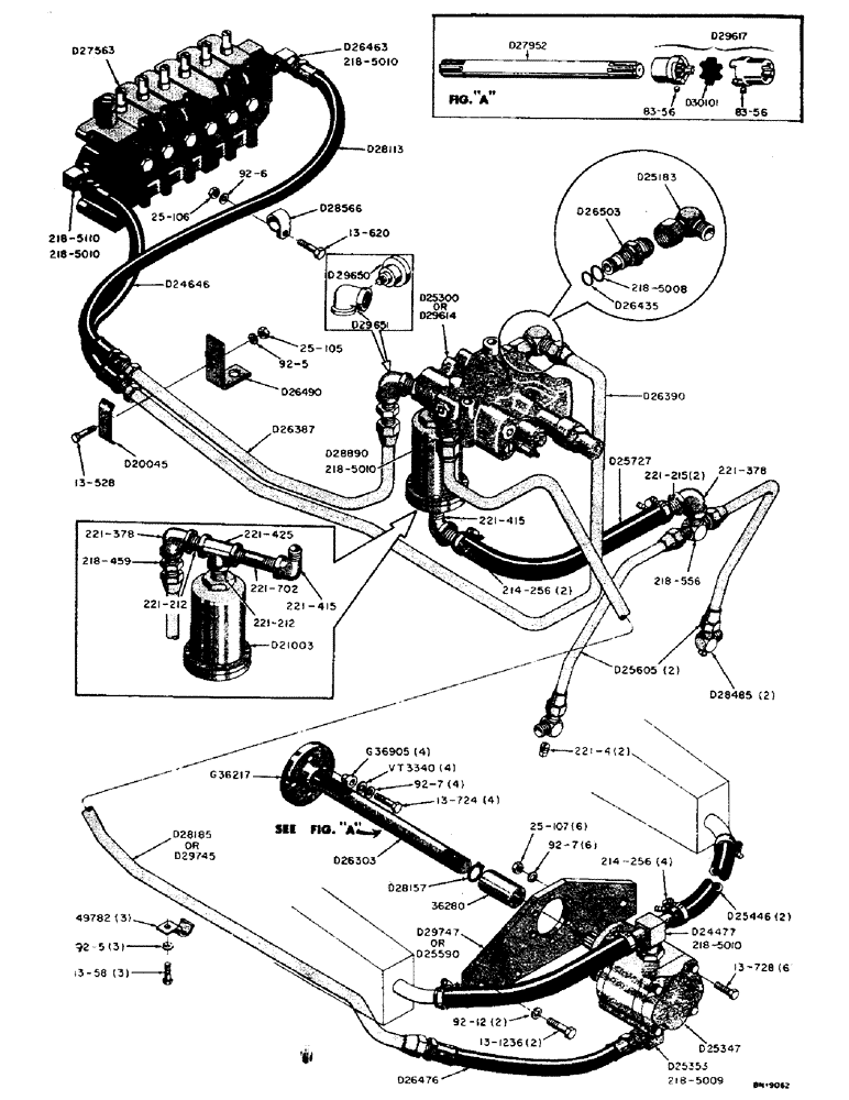
G36217

HUB ASSY.

COUPLING - flexible, pump driveshaft to pulley (Includes 4-G36905 blocks)

1шт.

G36905

BLOCK

AND BUSHING - flexible coupling

4шт.

NSS

NOT SOLD SEPARAT

7/16" - 14 NC x 1-1/2" hex. head cap screw (13-724)

4шт.

NSS

NOT SOLD SEPARAT

7/16" lockwasher (92-7)

4шт.

VT3340

X

WASHER - coupling bolt (29/64" I.D. x 3/4" O.D.)

4шт.

36280

COUPLING

- pump shaft, snap ring type (For service 1-D29617 coupling and 1-D27952 shaft may be used) See D29617

1шт.

49782

CLAMP - plate

3шт.

NSS

NOT SOLD SEPARAT

5/16" - 18 NC x 1/2" hex. head cap screw (13-58)

3шт.

NSS

NOT SOLD SEPARAT

5/16" lockwasher (92-5)

3шт.

D20045

PLATE ASSY.

CLAMP - D26387 and D26390 tubes

1шт.

NSS

NOT SOLD SEPARAT

5/16" - 18 NC x 1-3/4" hex. head cap screw (13-528)

1шт.

NSS

NOT SOLD SEPARAT

5/16" lockwasher (92-5)

1шт.

NSS

NOT SOLD SEPARAT

5/16" - 18 NC hex. locknut (25-105)

1шт.

D21003

FILTER

- hydraulic oil (See Figure 111 for breakdown)

1шт.

NSS

NOT SOLD SEPARAT

3/4" NPT 90 degrees street elbow (221-415)

2шт.

NSS

NOT SOLD SEPARAT

3/4" NPT x 2-3/4" long pipe nipple (221-702)

1шт.

NSS

NOT SOLD SEPARAT

3/4" NPT pipe tee (221-425)

1шт.

NSS

NOT SOLD SEPARAT

3/4" NPT x 1" JIC straight connector (218-459)

1шт.

NSS

NOT SOLD SEPARAT

3/4" NPT 90 degrees female elbow (221-378) If used

1шт.

NSS

NOT SOLD SEPARAT

3/4" NPT x 1-1/2" pipe nipple (221-212)

2шт.

D24477

TEE - 1" JIC special, top of D25347 pump

1шт.

NSS

NOT SOLD SEPARAT

"O" ring seal, D24477 tee (218-5010)

1шт.

D24646

HOSE ASSY.

HOSE - to backhoe control valve, high pressure (3/4" I.D. x 1-5/32" O.D. x 25" long)

1шт.

D25183

ELBOW

- 90 degrees swivel street, 1" JIC (L.H. side of loader control valve)

1шт.

D25300

VALVE - loader control (See model "42" loader parts catalog for breakdown) See D29614

1шт.

D25347

PUMP, HYDRAULIC

PUMP - hydraulic (21 G.P.M.) See Figure 088 for breakdown

1шт.

NSS

NOT SOLD SEPARAT

7/16" - 14 NC x 1-3/4" hex. head cap screw (13-728)

6шт.

NSS

NOT SOLD SEPARAT

7/16" lockwasher (92-7)

6шт.

NSS

NOT SOLD SEPARAT

7/16" - 14 NC hex. nut (25-107)

6шт.

D25353

ELBOW - 90 degrees adjustable, bottom D25347 pump

1шт.

NSS

NOT SOLD SEPARAT

"O" ring seal, D25353 elbow (218-5009)

1шт.

D25446

LARGE HOSE

HOSE - suction, reservoir to pump (1" I.D. x 1-1/2" O.D. x 13" long)

2шт.

NSS

NOT SOLD SEPARAT

Clamp for D25446 hose (214-256)

4шт.

D25590

BRACKET - pump mounting (Use D29747 when stock is exhausted)

1шт.

NSS

NOT SOLD SEPARAT

3/4" - 10 NC x 2-1/4" hex. head cap screw (13-1236)

2шт.

NSS

NOT SOLD SEPARAT

3/4" lockwasher (92-12)

1шт.

D25605

TUBE

- low pressure, Serial Range: tee-reservoir

2шт.

D25727

LARGE HOSE

HOSE - filter to tee (1" I.D. x 1-1/2" O.D. x 21" long)

1шт.

NSS

NOT SOLD SEPARAT

Clamp for D25727 hose (214-256)

2шт.

NSS

NOT SOLD SEPARAT

3/4" NPT x 2" long pipe nipple (221-215)

2шт.

NSS

NOT SOLD SEPARAT

3/4" 90 degrees female elbow (221-378)

1шт.

NSS

NOT SOLD SEPARAT

3/4" NPT x 3/4" JIC x 3/4" JIC special tee (218-556)

1шт.

D26303

X

SHAFT - pump drive, used with 36280 coupling only (For service 1-D27952 shaft and 1-D29617 coupling may be used) See D27952

1шт.

D26387

TUBE - backhoe to filter, low pressure

1шт.

D26390

TUBE - loader valve to backhoe, high pressure

1шт.

D26435

O-RING,0.07" Thk x 0.801" ID, -19, Cl 6, 90 Duro

SEAL - "O" ring, small (D26503 connector)

1шт.

D26463

FITTING

ELBOW - 90 degrees adjustable street, 3/4" NPT x 1" JIC

1шт.

NSS

NOT SOLD SEPARAT

"O" ring seal, D26463 elbow (218-5010)

1шт.

D26476

SUPPORT

HOSE - high pressure, pump to tube (3/4" I.D. x 1-5/32" O.D. x 12-1/2" long)

1шт.

D26490

BRACKET - D26387 and D26390 tube mounting

1шт.

D26503

CONNECTOR - male, 3/4" JIC x 1" JIC

1шт.

NSS

NOT SOLD SEPARAT

"O" ring seal, D26503 connector (218-5008)

1шт.

D27563

LOCK VALVE

VALVE - hydraulic backhoe control (See Figure 078 for breakdown)

1шт.

NSS

NOT SOLD SEPARAT

90 degrees adjustable elbow, 1" JIC (Right hand side of backhoe valve) (218-5110)

1шт.

NSS

NOT SOLD SEPARAT

"O" ring seal, 218-5110 elbow (218-5010)

1шт.

D27952

SHAFT

- pump drive, used with D29617 coupling only (See D26303)

1шт.

D28113

HOSE - return, backhoe valve to filter (Rear section) 3/4" I.D. x 1-1/4" O.D. x 34" long

1шт.

D28157

SNAP RING,0.875", Int, #87

Ring, Snap, , 36280 pump coupling 0.875", Int, #87

1шт.

D28185

TUBE

- high pressure, pump to valve (See D29745)

1шт.

D28566

CLAMP - backhoe return hose to mounting frame

1шт.

NSS

NOT SOLD SEPARAT

3/8" - 16 NC x 1-1/4" hex. head cap screw (13-620)

1шт.

NSS

NOT SOLD SEPARAT

3/8" lockwasher (92-6)

1шт.

NSS

NOT SOLD SEPARAT

3/8" - 16 NC hex. nut (25-106)

1шт.

D28485

ELBOW UNION

ELBOW - 90 degrees male, 3/4" JIC x 3/4" NPT

2шт.

NSS

NOT SOLD SEPARAT

1/2" pipe plug (221-4)

2шт.

D28890

CONNECTOR, ELEC

CONNECTOR - male, 3/4" JIC x 1" JIC (Valve port to high pressure tube)

1шт.

NSS

NOT SOLD SEPARAT

"O" ring seal, D28890 connector (218-5010)

1шт.

D29614

VALVE - loader control (See model "42" loader parts catalog for breakdown)

1шт.

D29617

COUPLING

- pump to driveshaft, flexible type (Includes 2-NSS jaws, 1-D30101 wear plate, and 2-83-56 set screws) Used with D27952 shaft only (See 36280)

1шт.

NSS

NOT SOLD SEPARAT

5/16" - 18 NC x 3/8" set screw, D29617 coupling (83-56)

2шт.

D29650

ELECTRICAL GAUGE

GAUGE - hydraulic oil pressure (If used)

1шт.

D29651

FITTING - special power beyond type

1шт.

D29745

TUBE

- high pressure, pump to valve (Replaces D28185 if D29747 bracket is also used)

1шт.

D29747

BRACKET - pump mounting (See D25590)

1шт.

D30101

PLATE ASSY.

PLATE - wear, D29617 coupling

1шт.

Выбрано товаров: 75