Запчасти Case 310B (06) - MOUNTING PARTS, SWING LINKAGE, AND STABILIZERS, MOUNTING PARTS

Схема запчастей Case 310B - (06) - MOUNTING PARTS, SWING LINKAGE, AND STABILIZERS, MOUNTING PARTS
FIT
1:1
100%

Артикул

Название

Примечание

Количество

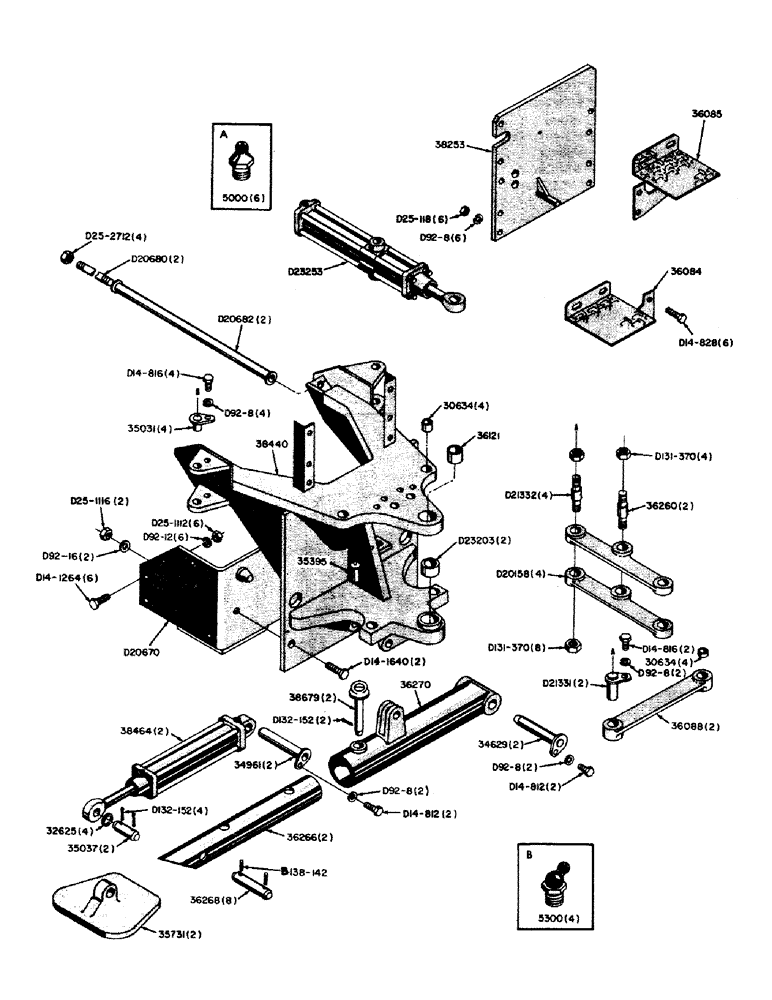
30634

BUSHING,32.05mm ID x 38.18mm OD x 17.6mm L

mounting bracket for swing link

4шт.

35395

PIN - transport locking (Includes chain)

1шт.

36084

SCREW

FOOT REST - left hand

1шт.

36085

O-RING

FOOT REST - right hand

1шт.

36121

BUSHING

mounting bracket, upper tower pivot

1шт.

38253

CLEVIS

PLATE - mounting control valve

1шт.

1/2" - 20NF x 1-3/4" hex. hd. cap screw (D14-828)

6шт.

1/2" lockwasher (D92-8)

6шт.

1/2" - 20NF hex. nut (D25-118)

6шт.

38294

PLATE - mounting (Before backhoe serial number 4010319)

1шт.

3/4" - 16NF x 4" hex. hd. cap screw (D14-1264)

6шт.

3/4" lockwasher (D92-12)

6шт.

3/4" - 16NF hex. nut (D25-1112)

6шт.

38393

TUBE - tie rod spacer (Before backhoe serial number 4010319)

2шт.

38395

ROD - tie, mounting bracket (Before backhoe serial number 4010319)

2шт.

3/4" - 16NF locknut (D25-2712)

4шт.

38440

BRACKET - mounting (Includes 4 - 30634, 1 - 36121, 2 - D23203 bushings)

1шт.

1" - 14NF x 2-1/2" hex. hd. capscrew (D14-1640)

2шт.

1" lockwasher (D92-16)

2шт.

1" - 14NF regular hex. nut (D25-1116)

2шт.

70466

BUSHING

mounting bracket, lower tower pivot (Use D23203)

2шт.

D20670

PLATE - mounting (Backhoe serial number 4010319 and after)

1шт.

3/4" - 16NF x 4" hex. hd. cap screw (D14-1264)

6шт.

3/4" lockwasher (D92-12)

6шт.

3/4" - 16NF hex. nut (D25-1112)

6шт.

D20680

ROD - tie, mounting bracket (Backhoe serial number 4010319 and after)

2шт.

3/4" - 16NF locknut (D25-2712)

4шт.

D20682

TUBE - tie rod spacer (Backhoe serial number 4010319 and after)

2шт.

D23203

BUSHING

mounting bracket, lower tower pivot

2шт.

30634

BUSHING,32.05mm ID x 38.18mm OD x 17.6mm L

for 36088, swing cyl & links

4шт.

35031

PIN

pivot, swing cyl & links

4шт.

1/8" 67-1/2 degrees grease fitting (Lincoln no. 5300), swing cyl & links

4шт.

1/2" - 20NF x 1" hex. hd. cap screw (D14-816), swing cyl & links

4шт.

1/2" lockwasher (D92-8), swing cyl & links

4шт.

36088

(Includes 30634 bushings), swing cyl & links

2шт.

36117

to tower (Use D21331), swing cyl & links

2шт.

36260

X

BOLT - swing links to cylinder (Use D21332)

2шт.

1" x 14NF locknut (Use D131-370), swing cyl & links

4шт.

38374

WASHER

L.H. (Use D23252), swing cyl & links

1шт.

38375

R.H. (Use D23253), swing cyl & links

1шт.

D20158

swing cyl & links

4шт.

D21331

swing link to tower, cyl

2шт.

1/8" NPT straight grease fitting (Lincoln no. 5000), swing cyl & links

2шт.

1/2" - 20NF x 1" hex. hd. cap screw (D14-816), swing cyl & links

2шт.

1/2" lockwasher (D92-8), swing cyl & links

2шт.

D21332

BOLT - , D20158, swing cyl & links

4шт.

1" x 14, swing cyl & linksNF (D131-370)

8шт.

1/8" NPT straight grease fitting (Lincoln no. 5000), swing cyl & links

4шт.

D23252

L.H. (See Figure 52 for breakdown), swing cyl & links

1шт.

D23253

- R.H. (See Figure 52 for breakdown), swing cyl & links

1шт.

D23740

BUSHING

lockhead pin retaining bolt, (Used on 35031 and D21331 pins), swing cyl & links

6шт.

32625

stabilizer cylinder pin

4шт.

34629

stabilizer arm mounting

2шт.

1/2" - 20NF x 3/4" hex. hd. cap screw (D14-812), stabilizer

2шт.

1/2" lockwasher (D92-8), stabilizer

2шт.

34961

stabilizer cylinder upper pivot

2шт.

1/2" - 20NF x 3/4" hex. hd. cap screw (D14-812), stabilizer

2шт.

1/2" lockwasher (D92-8), stabilizer

2шт.

35037

PIN - stabilizer, Serial Range: cylinder-arm

2шт.

1/4" x 1-3/4" cotter pin (D132-152), stabilizer

4шт.

35731

BUSHING

FOOT - stabilizer

2шт.

36266

stabilizer

2шт.

36268

SPRING

stabilizer foot

2шт.

1/4" x 2" roll pin (B138-142), stabilizer

4шт.

36269

ARM - R.H. stabilizer

1шт.

36270

ARM - L.H. stabilizer

1шт.

38464

SEPARATOR

CYLINDER - stabilizer (See Figure 54 for breakdown)

2шт.

38679

stabilizer arm to lower leg

2шт.

1/4" x 1-3/4" cotter pin (If used) (D132-152), stabilizer

2шт.

D23740

BUSHING

lockhead pin retaining bolt, (Used on 34629 and 34961 pins), stabilizer

4шт.

Выбрано товаров: 70