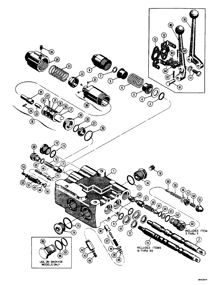
Запчасти Case 32 (040) - D32769 LOADER CONTROL VALVE

Схема запчастей Case 32 - (040) - D32769 LOADER CONTROL VALVE
FIT
1:1
100%

Артикул

Название

Примечание

Количество

D32769

CONTROL VALVE

VALVE - hydraulic control (Parker series VDP-12), Includes: Ref. 1 - 78

1шт.

1

NSS

NOT SOLD SEPARAT

BODY - valve (Use D32769)

1шт.

2

D26243

SPOOL ASSEMBLY - three position (Color code - black, letter code - W) .73700" to .73709", Includes: Ref. 3 - 7

1шт.

D26244

SPOOL

ASSEMBLY - three position (Color code - blue, letter code - X) .73710" to .73719", Includes: Ref. 3 - 7

1шт.

D26245

SPOOL ASSEMBLY - three position (Color code - yellow, letter code - Y) .73720" to .73729", Includes: Ref. 3 - 7

1шт.

D26246

SPOOL ASSEMBLY - three position (Color code - green, letter code - Z) .73730" to .73740", Includes: Ref. 3 - 7

1шт.

3

R17547

O-RING,0.103" Thk x 0.75" ID, -116, Cl 5, 75 Duro

SEAL - "O" ring

1шт.

4

A14535

RETAINER

- "O" ring

1шт.

5

A14533

BRONZE BUSHING

SPACER - spring

2шт.

6

A14534

SPRING

- spool return

1шт.

7

A13190

X

SNAP RING - retaining

1шт.

8

A14529

CAP

- spool

1шт.

9

R17547

O-RING,0.103" Thk x 0.75" ID, -116, Cl 5, 75 Duro

SEAL - "O" ring

2шт.

10

A14526

RETAINER

- "O" ring

2шт.

11

A14527

SCRAPER

SEAL - wiper

2шт.

12

D26283

BRACKET

RETAINER - handle brkt., short

1шт.

13

D32102

SPARE PART

RETAINER - handle brkt., long

1шт.

14

D20771

SCREW AND LOCKWASHER

4шт.

15

D32605

SPOOL

ASSEMBLY - four position (Color code - black, letter code - W) .73700" to .73709", Includes: Ref. 16 - 35

1шт.

D32604

SPOOL

ASSEMBLY - four position (Color code - blue, letter code - X) .73710" to .73719", Includes: Ref. 16 - 35

1шт.

D32606

SPOOL

ASSEMBLY - four position (Color code - yellow, letter code - Y) .73720" to .73729", Includes: Ref. 16 - 35

1шт.

D32607

SPOOL

ASSEMBLY - four position (Color code - green, letter code - Z) .73730" to .73740", Includes: Ref. 16 - 35

1шт.

16

D33866

KIT - D32605 spool, Includes: Ref. 17 - 25

1шт.

D33865

KIT - D32604 spool, Includes: Ref. 17 - 25

1шт.

D33867

KIT - D32606 spool, Includes: Ref. 17 - 25

1шт.

D33868

KIT - D32607 spool, Includes: Ref. 17 - 25

1шт.

17

NSS

NOT SOLD SEPARAT

SPOOL - four position

1шт.

18

NSS

NOT SOLD SEPARAT

SPACER - rear

1шт.

19

A16882

SPRING

- centering

1шт.

20

NSS

NOT SOLD SEPARAT

SPACER - front

1шт.

21

NSS

NOT SOLD SEPARAT

PLUG - spool end

1шт.

22

138-2013

PIN,1/8" x 9/16", Coiled

1шт.

23

D33858

LINK

1шт.

24

138-2012

PIN,1/8" x 1/2", Coiled

1шт.

25

D33859

SCREW

BARREL - detent

1шт.

26

A16877

SEAL

- "O" ring, large

1шт.

27

D33857

RETAINER

- "O" ring, small

1шт.

28

D33856

RETAINER

- "O" ring, large

1шт.

29

R17547

O-RING,0.103" Thk x 0.75" ID, -116, Cl 5, 75 Duro

SEAL - "O" ring, small

1шт.

30

D32592

SLEEVE ASSY

CAP AND SLEEVE ASSEMBLY

1шт.

NSS

NOT SOLD SEPARAT

CAP

1шт.

NSS

NOT SOLD SEPARAT

SLEEVE

1шт.

31

211-5

BALL,3/16" Dia

- steel (.) 3/16" Dia

6шт.

32

A16852

RETAINER

- ball

1шт.

33

A16853

VALVE SPRING

SPRING - detent

1шт.

34

A16884

CYLINDER END CAP

CAP - end

1шт.

35

178-28

SET SCREW,Hex Soc, 1/4"-20 x 1/2"

SCREW - set, socket head

1шт.

D26896

VALVE - secondary relief, rear port (1800 P.S.I. at 1.6 G.P.M.), Includes: Ref. 36 - 44

1шт.

36

D29853

SEAT

- relief valve

1шт.

37

D37366

KIT

- spring and plunger

1шт.

39

D26899

O-RING,0.145" ID

SEAL - "O" ring, small

1шт.

40

D26897

FOLLOWER - spring

1шт.

41

218-5004

O-RING,0.072" Thk x 0.414" ID, -905, Cl 6, 90 Duro

5-1, 90 Duro, .414" ID x .072" Thk, seal, cap

1шт.

42

D26900

CAP - relief valve

1шт.

43

25-154

JAM NUT,Jam, 1/4"-28, G5

- hex, lock (1/4"-28 NF)

1шт.

44

176-395

SCREW - set, headless (1/4" - 28 NF)

1шт.

D31458

VALVE - secondary relief, front port (2500 P.S.I. at 1.6 G.P.M.), Includes: Ref. 45 - 53

1шт.

45

D31986

SEAT

- relief valve

1шт.

46

D37365

KIT

- spring and plunger

1шт.

48

D26899

O-RING,0.145" ID

SEAL - "O" ring, small

1шт.

49

D26897

FOLLOWER - spring

1шт.

50

218-5004

O-RING,0.072" Thk x 0.414" ID, -905, Cl 6, 90 Duro

5-1, 90 Duro, .414" ID x .072" Thk, seal, cap

1шт.

51

D26900

CAP - relief valve

1шт.

52

25-154

JAM NUT,Jam, 1/4"-28, G5

- hex, lock (1/4"-28 NF)

1шт.

53

176-395

SCREW - set, headless (1/4" - 28 NF)

1шт.

54

D26259

SEAT

- poppet

1шт.

55

129-514

CROWN NUT,Low, 5/16" - 24

- acorn, relief valve

1шт.

56

D26270

WASHER, SEALING

WASHER - special

2шт.

57

25-155

JAM NUT,Jam, 5/16"-24, G5

- jam

1шт.

58

82-514

SET SCREW

SCREW - adjusting

1шт.

59

D26268

SPRING

- pilot

1шт.

60

D26267

PLUNGER

- pilot

1шт.

61

D26262

CAP

- relief valve

1шт.

62

218-5006

O-RING,0.087" Thk x 0.644" ID, -908, Cl 6, 90 Duro

SEAL - "O" ring, cap (Outer)

1шт.

63

L30443

BACK-UP RING,0.547" ID x 0.049" Width

- backup

1шт.

64

L30444

O-RING,0.521" ID x 0.661" OD

SEAL - "O" ring, cap (Inner)

1шт.

65

D26266

SEAT

- relief valve

1шт.

66

D26261

VALVE SPRING

SPRING - relief valve

1шт.

67

A16888

VALVE POPPET

POPPET - relief valve

1шт.

68

A14532

CAP

- check valve

2шт.

69

A14546

O-RING

SEAL - "O" ring, cap

2шт.

70

A14520

VALVE SPRING

SPRING - check valve

2шт.

71

A16886

VALVE POPPET

POPPET - check valve

2шт.

72

86625138

PLUG,7/18" - 14

Pipe, Allen head, Includes Ref. 73 Hex Soc, 7/8"-14 ORB

1шт.

73

237-6010

O-RING,0.097" Thk x 0.755" ID, -910, Cl 6, 90 Duro

10-1, 90 Duro, .755" ID x .097" Thk, Plug

1шт.

74

D20774

X

PLUG - pipe, Allen head, Includes: Ref. 75

1шт.

75

218-5008

O-RING,0.116" Thk x 0.924" ID, -912, Cl 6, 90 Duro

SEAL - "O" ring, plug

1шт.

76

D36929

ADAPTER

PLUG - service, Includes: Ref. 77

1шт.

77

237-6010

O-RING,0.097" Thk x 0.755" ID, -910, Cl 6, 90 Duro

10-1, 90 Duro, .755" ID x .097" Thk, Plug

1шт.

78

221-841

PLUG

- pipe, 1/4" NPT

1шт.

79

D31314

LEVER - control, outside

1шт.

80

D25228

LEVER - control, inside

1шт.

81

O4413TF

X

PIN - handle

2шт.

82

132-25

COTTER PIN,3/32" x 5/8"

Pin, Split (Cotter), 3/32" x 5/8"

6шт.

83

D25483

LINK

- handle (Plate)

4шт.

84

141-3

CLEVIS PIN,5/16" x .940"

PIN, CLEVIS, , Link 5/16" x .940"

4шт.

85

D25783

PLUG - special, power beyond

1шт.

86

218-5008

O-RING,0.116" Thk x 0.924" ID, -912, Cl 6, 90 Duro

SEAL - "O" ring, large

1шт.

87

D26435

O-RING,0.07" Thk x 0.801" ID, -19, Cl 6, 90 Duro

SEAL - "O" ring, small

1шт.

Выбрано товаров: 99