Запчасти Case 32 (052[1]) - D36726 3 SPOOL VALVE AND LEVERS

Схема запчастей Case 32 - (052[1]) - D36726 3 SPOOL VALVE AND LEVERS
FIT
1:1
100%

Артикул

Название

Примечание

Количество

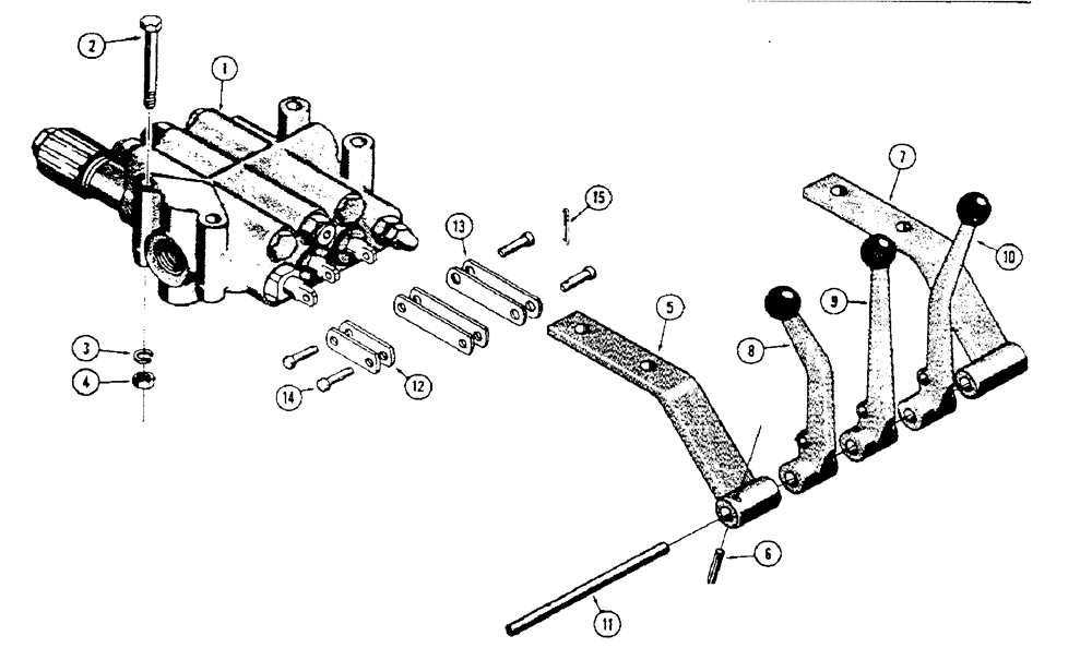
1

D36726

SPARE PART VALVE - loader control, used on loader sn. 4110090 and after (Parts list Figure 60) For service order D45478 valve, Figure 65A

1шт.

2

13-672

BOLT,Hex, 3/8" - 16 x 4-1/2", Gr 5

D36726 3 spool valves & lever

4шт.

3

92-6

LOCK WASHER,3/8"

D36726 3 spool valves & lever

4шт.

4

25-106

NUT,3/8"-16, G5

hex. (3/8" - 16 NC), D36726 3 spool valves & lever

4шт.

5

D36792

SPARE PART inside, D36726 3 spool valves & lever

1шт.

6

138-99

LOCK PIN,3/16" x 1 3/8", Slotted

D36726 3 spool valves & lever

1шт.

7

D36791

SPARE PART outside, D36726 3 spool valves & lever

1шт.

8

D36714

LEVER

LEVER - inside, D36726 3 spool valves

1шт.

9

D36715

LEVER

LEVER - center, D36726 3 spool valves

1шт.

10

D36780

SPARE PART LEVER - outside, D36726 3 spool valves

1шт.

11

D36789

SHAFT

control levers, D36726 3 spool valves

1шт.

12

D34624

LINK

short, D36726 3 spool valves

2шт.

13

D35397

LINK

long, D36726 3 spool valves

4шт.

14

141-3

CLEVIS PIN,5/16" x .940"

Link, D36726 3 spool valves

6шт.

15

132-24

COTTER PIN,3/32" x 1/2"

D36726 3 spool valves

6шт.

Выбрано товаров: 15