Запчасти Case 32 (052) - D36725 2 SPOOL VALVES AND LEVERS

Схема запчастей Case 32 - (052) - D36725 2 SPOOL VALVES AND LEVERS
FIT
1:1
100%

Артикул

Название

Примечание

Количество

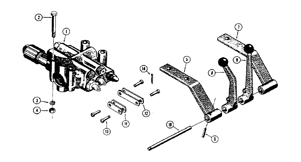
1

D36725

CONTROL VALVE

VALVE - loader control, used on loader sn. 4110090 and after (Parts list Figure 54) For service order D45479 valve, Figure 65A

1шт.

2

13-672

BOLT,Hex, 3/8" - 16 x 4-1/2", Gr 5

HHCS - 3/8" - 16 NC x 4-1/2"

4шт.

3

92-6

LOCK WASHER,3/8"

4шт.

4

25-106

NUT,3/8"-16, G5

hex. (3/8" - 16 NC)

4шт.

5

D36792

inside

1шт.

6

138-99

LOCK PIN,3/16" x 1 3/8", Slotted

PIN, 3/16" x 1 3/8", Slotted

1шт.

7

D36791

outside

1шт.

8

D36714

LEVER

inside

1шт.

9

D36715

LEVER

outside

1шт.

10

D36789

SHAFT

control levers

1шт.

11

D34624

LINK

short

2шт.

12

D35397

LINK

long

2шт.

13

141-3

CLEVIS PIN,5/16" x .940"

PIN, CLEVIS, , Link 5/16" x .940"

4шт.

14

132-24

COTTER PIN,3/32" x 1/2"

PIN, SPLIT (COTTER), 3/32" x 1/2"

4шт.

Выбрано товаров: 14