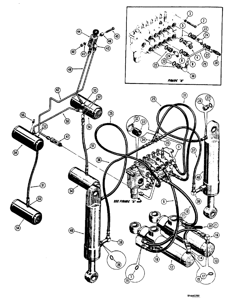
Запчасти Case 32 (127A) - SWING, STABILIZER, AND LOCKING CYLINDER, HYDRAULICS FOR MODEL 32-S BACKHOE

Схема запчастей Case 32 - (127A) - SWING, STABILIZER, AND LOCKING CYLINDER, HYDRAULICS FOR MODEL 32-S BACKHOE
FIT
1:1
100%

Артикул

Название

Примечание

Количество

1

D36658

VALVE - hyd. control (Parts list Figure 125A)

1шт.

2

13-656

BOLT,Hex, 3/8" - 16 x 3-1/2", Gr 5

HHCS - 3/8" - 16 NC x 3-1/2"

3шт.

3

92-6

LOCK WASHER,3/8"

WASHER - med. sect. lock 3/8"

3шт.

4

D36932

FITTING

ELBOW - 45 degree, top valve port (3/4" JIC x 1/2" JIC), swing cyl hyds, Includes: Ref. 5

1шт.

5

218-5008

O-RING,0.116" Thk x 0.924" ID, -912, Cl 6, 90 Duro

SEAL - D36932 elbow, swing cyl hyds

1шт.

6

D37219

HOSE

to L.H. (30"), swing cyl hyds, Includes: Ref. 7

1шт.

7

218-5006

O-RING,0.087" Thk x 0.644" ID, -908, Cl 6, 90 Duro

SEAL - D37219 hose, swing cyl hyds

1шт.

8

D31544

CONNECTOR - str., bottom valve port (3/4" JIC x 1/2" JIC), swing cyl hyds, Includes: Ref. 9

1шт.

9

218-5008

O-RING,0.116" Thk x 0.924" ID, -912, Cl 6, 90 Duro

SEAL - D31544 connector, swing cyl hyds

1шт.

10

D37219

HOSE

to R.H. swing cyl hyds (30" long), Includes: Ref. 11

1шт.

11

218-5006

O-RING,0.087" Thk x 0.644" ID, -908, Cl 6, 90 Duro

SEAL - D37219 hose, swing cyl hyds

1шт.

12

D36878

HYDRAULIC CYLINDER

CYLINDER - swing, L.H. (Parts list Figure 137E)

1шт.

13

D36879

HYDRAULIC CYLINDER

CYLINDER - swing, R.H. (Parts list Figure 137E)

1шт.

14

D36934

FITTING

ELBOW - 90 degree rear port of L.H. r (5/8" JIC x 1/2" JIC), swing cyl hyds, Includes: Ref. 15

1шт.

15

237-6010

O-RING,0.097" Thk x 0.755" ID, -910, Cl 6, 90 Duro

SEAL - D36934 elbow, swing cyl hyds

1шт.

16

D25667

ELBOW

90 degree port of R.H. cyl. (5/8" JIC x 1/2" JIC), swing cyl hyds, Includes: Ref. 17

1шт.

17

237-6010

O-RING,0.097" Thk x 0.755" ID, -910, Cl 6, 90 Duro

SEAL - D25667 elbow, swing cyl hyds

1шт.

18

D39140

HOSE,12.7mm ID x 609.6mm L, SAE 100R2

from D25667 elbow (22" long), swing cyl hyds, Includes: Ref. 19

1шт.

19

218-5006

O-RING,0.087" Thk x 0.644" ID, -908, Cl 6, 90 Duro

SEAL - "O" ring, D39140 hose, swing cyl hyds

1шт.

20

D39140

HOSE,12.7mm ID x 609.6mm L, SAE 100R2

from D36934 elbow (22" long), swing cyl hyds, Includes: Ref. 21

1шт.

21

218-5006

O-RING,0.087" Thk x 0.644" ID, -908, Cl 6, 90 Duro

SEAL - D39140 hose, swing cyl hyds

1шт.

22

D36928

ADAPTER

- valve ports (3/4" JIC x 1/4" NPT), stabilzer cyl hyds, Includes: Ref. 23

4шт.

23

218-5008

O-RING,0.116" Thk x 0.924" ID, -912, Cl 6, 90 Duro

SEAL - D36928 adapter, stabilzer cyl hyds

1шт.

24

218-1093

ELBOW,45 Degree, 1/2-20" 37 Degree x 1/4"-18, NPTF

- 45 degree top ports (1/4" NPT x 5/16" JIC), stabilzer cyl hyds

2шт.

25

D36910

HOSE

to top port, stab. l. (57-1/2" long), stabilzer cyl hyds

2шт.

26

D36929

ADAPTER

- upper ports, stab. cyl. (1/4" NPT x 5/8" JIC),, stabilzer cyl hyds, Includes: Ref. 27

2шт.

27

237-6010

O-RING,0.097" Thk x 0.755" ID, -910, Cl 6, 90 Duro

SEAL - D36929 adapter, stabilzer cyl hyds

1шт.

28

D36933

TEE - bottom valve port (1/4" NPT x 5/16" JIC), stabilzer cyl hyds

1шт.

29

D36915

TUBE

cross-over, stabilzer cyl hyds

1шт.

30

218-1052

ELBOW,90 Degree, 1/2"-20, 37 Degree x 1/4"-18, NPTF

- 90 degrees (5/16" JIC x 1/4" NPT), stabilzer cyl hyds

1шт.

31

D36912

HOSE

from lower valve port (43-3/4" long), stabilzer cyl hyds

1шт.

32

214-256

HOSE CLAMP,#20, 0.81" - 1.75", Type F Worm

- hose, stabilzer cyl hyds

2шт.

33

D36954

rubber, 214-256 clamp, stabilzer cyl hyds

2шт.

34

D36931

TEE

special (5/16" JIC), stabilzer cyl hyds

1шт.

35

25-158

JAM NUT,Jam, 1/2"-20, G5

hex., jam (1/2" - 2 NF), stabilzer cyl hyds

1шт.

36

D36911

HOSE

to L.H. stab. cyl. (35" long), stabilzer cyl hyds

1шт.

37

D36913

HOSE

to R.H. stab. cyl. (24-1/2" long), stabilzer cyl hyds

1шт.

38

D36927

ELBOW UNION

90 degree, lower stab. cyl. (1/4" NPT x 5/8" JIC), stabilzer cyl hyds, Includes: Ref. 39

2шт.

39

237-6010

O-RING,0.097" Thk x 0.755" ID, -910, Cl 6, 90 Duro

SEAL - D36927 elbow, stabilzer cyl hyds

1шт.

40

D35683

CYLINDER ASSY.

(Parts list Figure 137A), stabilzer cyl hyds

2шт.

41

D36674

TEE

- special, in bucket cyl. line (3/4" JIC x 5/16" JIC), locking cyl hyds

1шт.

42

D36656

TUBE - to locking valve (Long), l cyl hyds

1шт.

43

218-1052

ELBOW,90 Degree, 1/2"-20, 37 Degree x 1/4"-18, NPTF

- 90 degree, at valve (5/16" JIC x 1/4" NPT), locking cyl hyds

1шт.

44

D36662

PISTON

VALVE - hyd. l (Parts list Figure 135A), locking cyl

1шт.

45

13-436

BOLT,Hex, 1/4" - 20 x 2-1/4", Gr 5

(Valve mtg.), locking cyl hyds Hex, 1/4"-20 x 2 1/4", G5

2шт.

46

D37342

valve mtg., locking cyl hyds

2шт.

47

92-4

LOCK WASHER,1/4"

WASHER, LOCK, , Cylinder hydraulics 1/4"

2шт.

48

25-104

NUT,1/4"-20, G5

Locking cyl hyds 1/4"-20, G5

2шт.

49

D39044

TUBE

from locking valve (Short), cyl hyds

1шт.

50

D36925

TUBE

cross-over, between locking cyl hyds

1шт.

51

D36959

HOSE

to lower locking cyl. (21-1/2" long), hyds

2шт.

52

218-1093

ELBOW,45 Degree, 1/2-20" 37 Degree x 1/4"-18, NPTF

- 45 degree, top locking cyl. (5/16" JIC x 1/4" NPT), locking cyl hyds

4шт.

53

218-1023

HYD CONNECTOR,1/2"-20, 37 Degree x 1/4"-18, NPTF

ADAPTER - bottom locking cyl. (5/16" JIC x 1/4" NPT), locking cyl hyds

2шт.

54

NSS

NOT SOLD SEPARAT

CYLINDER - locking, not serviced complete, (Parts list figure 81A), cyl hyds

4шт.

55

221-12

PLUG,Sq Hd, 1/4"-18

pipe, sp. hd. (1/4" NPT), locking cyl hyds

1шт.

Выбрано товаров: 55