Запчасти Case 33 (254) - SPECIAL BACKHOE PRIMARY HYDRAULICS, 32 LOADER SERIAL NO.4110090 AND AFTER

Схема запчастей Case 33 - (254) - SPECIAL BACKHOE PRIMARY HYDRAULICS, 32 LOADER SERIAL NO.4110090 AND AFTER
FIT
1:1
100%

Артикул

Название

Примечание

Количество

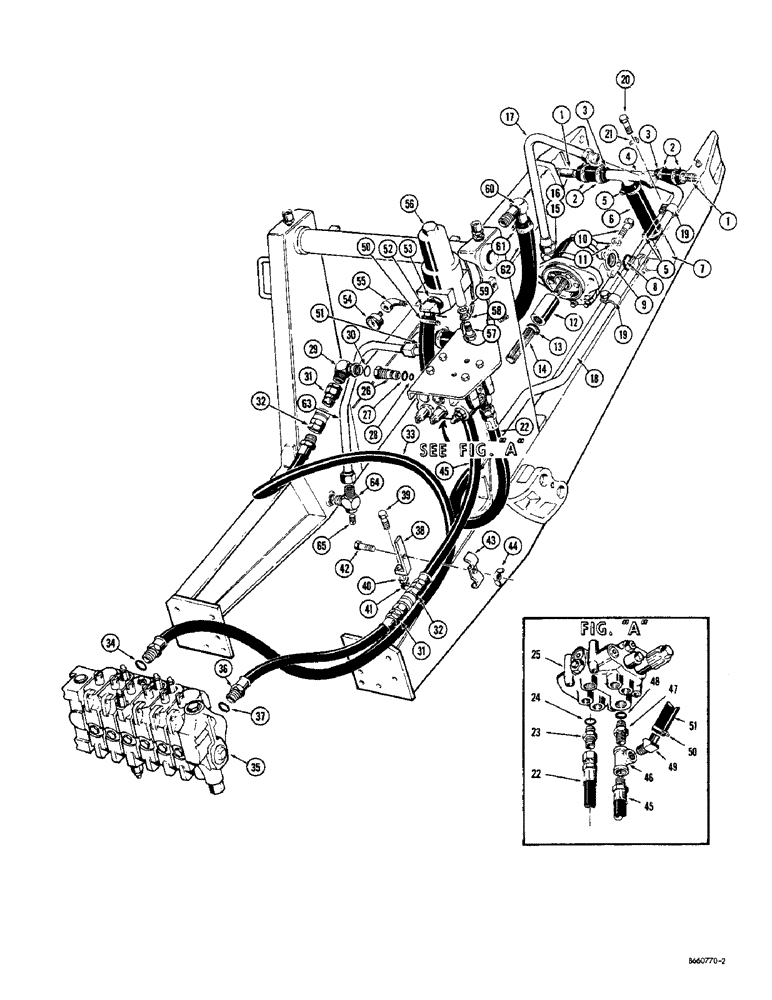
1

D33363

FITTING

STEM - hose, hydraulic reservoir

2шт.

2

214-258

HOSE CLAMP,#28, 1.31" - 2.25", Type F Worm

4шт.

3

R13911

HOSE,31.80 mm ID x 101.60 mm ID, SAE 100R3

- low pressure, at reservoir 31.80 mm ID x 101.60 mm ID, SAE 100R3

2шт.

4

D38631

TEE

- tube type, reservoir to pump (Early production)

1шт.

D41098

TEE

- tube type, reservoir to pump (Late production)

1шт.

5

214-258

HOSE CLAMP,#28, 1.31" - 2.25", Type F Worm

2шт.

6

D35463

HOSE

- low pressure, at pump (13-1/2" long) Used with D38631 tube only

1шт.

D37188

HOSE

- low pressure, at pump (10" long) Used with D41098 tube only

1шт.

7

D36747

STEM

- hose, at pump, Includes: Ref. 8

1шт.

8

218-5011

O-RING,0.118" Thk x 1.475" ID, -920, Cl 6, 90 Duro

SEAL - "O"ring

1шт.

9

D41390

PUMP

- hydraulic, 20 G.P.M. at 1900 R.P.M. at 2200 P.S.I. or 22 G.P.M. at 2100 R.P.M. P.S.I. (Parts list Figure 204)

1шт.

9

DR41390

REMAN-HYD PUMP

Remanufactured, Pump, Hydraulic

1шт.

9

DC41390

CORE-HYDRAULIC PUMP

Return Part Number, Pump, Hydraulic

1шт.

9

87644746R

REMAN-HYD PUMP

33 BACKHOE FOR 580CK, 33 LOADER, 33S BACHHOE

1шт.

9

87644746C

CORE-HYDRAULIC PUMP

Return Part Number

1шт.

10

13-828

BOLT,Hex, 1/2" - 13 x 1-3/4", Gr 5

HHCS - 1/2" - 13 NC x 1-3/4"

2шт.

11

92-8

LOCK WASHER,1/2"

med. sect. 1/2"

2шт.

12

D31108

SPLINED COUPLING

COUPLING - female, pump to shaft, Includes: Ref. 13

1шт.

13

G46150

SNAP RING,0.75", Int, #75

Ring, Snap, , coupling 0.75", Int, #75

1шт.

14

D30569

SHAFT

- pump drive

1шт.

15

218-5110

ELBOW,90 Degree Elbow, 1-5/16" - 12 Male JIC x 1-5/16" - 12 Male ORB

90º, adjustable, Incl. Ref. 16

1шт.

16

218-5010

O-RING,0.116" Thk x 1.171" ID, -916, Cl 6, 90 Duro

SEAL - "O"ring

1шт.

17

D30563

TUBE ASSY.

TUBE -, Serial Range: pump-valve

1шт.

18

D33579

TUBE

-, Serial Range: pump-valve

1шт.

19

R11405

CLAMP

- tube

2шт.

20

13-58

BOLT,Hex, 5/16" - 18 x 1/2", Gr 5

2шт.

21

92-5

LOCK WASHER,5/16"

med sect. 5/16"

2шт.

22

D24646

HOSE ASSY.

HOSE - pump to valve (25" long)

1шт.

23

D28890

CONNECTOR, ELEC

CONNECTOR - male, straight, Includes: Ref. 24

1шт.

24

218-5008

O-RING,0.116" Thk x 0.924" ID, -912, Cl 6, 90 Duro

SEAL - "O"ring

1шт.

25

REF

INSTRUCTION

VALVE - loader control (See page 52 of parts catalog C908)

1шт.

26

D61251

FITTING

CONNECTOR - power beyond, Includes: Ref. 27 and 28

1шт.

27

L32680

RING

SEAL - "O"ring

1шт.

28

218-5010

O-RING,0.116" Thk x 1.171" ID, -916, Cl 6, 90 Duro

SEAL - "O"ring

1шт.

29

D40165

ELBOW

- adjustable, 90 degrees, Includes: Ref. 30

1шт.

30

218-5008

O-RING,0.116" Thk x 0.924" ID, -912, Cl 6, 90 Duro

SEAL - "O"ring

1шт.

31

D31617

COUPLING, BREAK AWAY

COUPLING - quick disconnect, male (Parts list Figure 156)

2шт.

32

D31618

COUPLING, BREAK AWAY

COUPLING - quick disconnect, female (Parts list Figure156)

2шт.

33

D37540

HOSE

- loader valve to backhoe valve (83" long), Includes: Ref. 34

1шт.

For loader valve to backhoe valve hydraulics with quick disconnect couplings and tubes, see Figure 126.

1шт.

34

218-5010

O-RING,0.116" Thk x 1.171" ID, -916, Cl 6, 90 Duro

SEAL - "O"ring

1шт.

35

D39047

VALVE

- backhoe control (Parts list page 226)

1шт.

36

D37541

HOSE

- backhoe valve to loader (43" long), Includes: Ref. 37

1шт.

For loader valve to backhoe valve hydraulics with quick disconnect couplings and tubes, see Figure 126.

1шт.

37

218-5010

O-RING,0.116" Thk x 1.171" ID, -916, Cl 6, 90 Duro

SEAL - "O"ring

1шт.

38

D31392

CLAMP

BRACKET - clamp mounting

1шт.

39

13-820

BOLT,Hex, 1/2" - 13 x 1-1/4", Gr 5, Full Thd

1шт.

40

92-8

LOCK WASHER,1/2"

med. sect. 1/2"

1шт.

41

25-108

NUT,1/2"-13, G5

- hex. (1/2" - 13 NC)

1шт.

42

13-532

BOLT,Hex, 5/16" - 18 x 2", Gr 5

1шт.

43

R15257

CLAMP

- hose

1шт.

44

129-419

WING NUT,5/16"-18

NUT - winged (5/16" - 18 NC)

1шт.

45

D32178

HOSE

- backhoe valve to loader valve (24" long)

1шт.

For loader valve to backhoe valve hydraulics with quick disconnect couplings and tubes, see Figure 126.

1шт.

46

221-425

FITTING,3/4" NPT

TEE - female

1шт.

47

218-5022

HYD CONNECTOR,1 1/16"-12, O-Ring x 3/4"-16, Pipe

CONNECTOR - male, straight, Includes: Ref. 48

1шт.

48

218-5008

O-RING,0.116" Thk x 0.924" ID, -912, Cl 6, 90 Duro

SEAL - "O"ring

1шт.

49

R11626

CONNECTOR, ELEC

STEM - hose, 45 degrees

1шт.

50

214-256

HOSE CLAMP,#20, 0.81" - 1.75", Type F Worm

CLAMP - hose

2шт.

51

D36798

HOSE

- low pressure, Serial Range: valve-filter

1шт.

52

D33588

STEM - hose, 45 degrees

1шт.

53

221-65

REDUCER,Hex, 1" x 3/4" NPT

BUSHING - reducing (1" NPT x 3/4" NPT)

1шт.

54

D29650

ELECTRICAL GAUGE

GAUGE - filter condition indicator

1шт.

55

221-411

ELBOW,90 Degree, 1/8"-27, NPT

Street 90º, 1/8"-27, NPT

1шт.

56

D32254

FILTER ASSY

- hydraulic oil (Parts list page 160)

1шт.

57

13-816

BOLT,Hex, 1/2" - 13 x 1", Gr 5, Full Thd

2шт.

58

92-8

LOCK WASHER,1/2"

med. sect. 1/2"

2шт.

59

195-33

WASHER,1/2"

- plain () 1/2"

2шт.

60

217-136

ELBOW,90 Degree Elbow, 1" Hose Barb x 1" Male NPTF

STEM - hose, 90 degrees

1шт.

61

214-256

HOSE CLAMP,#20, 0.81" - 1.75", Type F Worm

CLAMP - hose

2шт.

62

D28238

HOSE

- low pressure, Serial Range: filter-reservoir

1шт.

63

D38627

TUBE

- crossover, at reservoir

1шт.

64

D28485

ELBOW UNION

ELBOW - special, 90 degrees

2шт.

65

221-14

DRAIN PLUG,Sq Hd, 1/2"-14 NPTF

PLUG - pipe, square head (1/2" NPT)

2шт.

Выбрано товаров: 74