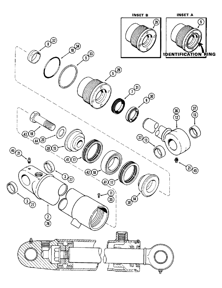
Запчасти Case 33 (276) - G33798&G33799 LOADER CLAM CYL,3"DIA CYL W/9"STROKE W/GLAND ID RING USE W/D51347&D54087 4-IN-1 BUCKET

Схема запчастей Case 33 - (276) - G33798&G33799 LOADER CLAM CYL,3"DIA CYL W/9"STROKE W/GLAND ID RING USE W/D51347&D54087 4-IN-1 BUCKET
FIT
1:1
100%

Артикул

Название

Примечание

Количество

G33798

CYLINDER

ASSY. - clam, right hand, Includes: Ref. 2 - 21

1шт.

87454017R

REMAN-HYD CYLINDER

ASSY. - clam, right hand, Includes: Ref. 2 - 21

1шт.

87454017C

CORE-HYD CYLINDER

Return Number

1шт.

G33799

CYLINDER

ASSY. - clam, left hand, Includes: Ref. 2 - 21

1шт.

2

G32305

HYD TUBE,435.1 mm L

TUBE ASSY. - cylinder body, right hand, Includes: Ref. 3

1шт.

2

G32304

HYD TUBE

TUBE ASSY. - cylinder body, left hand, Includes: Ref. 3

1шт.

3

30634

BUSHING,32.05mm ID x 38.18mm OD x 17.6mm L

- tube

2шт.

G33579

COVER

GLAND ASSY. - (w/identification ring), Includes: Ref. 5 - 10

1шт.

5

NSS

NOT SOLD SEPARAT

GLAND - (See inset A)

1шт.

6

D95143

WIPER SEAL,44.42mm ID x 57.17mm OD x 7.92mm Thk

WIPER - piston rod, outer (1-3/4 x 2-1/4 x 5/16")

1шт.

Part of seal kit P/N G32289

1шт.

7

D36970

CUP

SEAL - piston rod (1-3/4 x 2-1/4 x 13/32")

1шт.

Part of seal kit P/N G32289

1шт.

8

D27432

SHIM

- piston rod, inner

1шт.

Part of seal kit P/N G32289

1шт.

9

G32122

BACK-UP RING,75.82mm ID x 81.92mm OD x 1.4mm Thk

- gland "O" ring back-up

1шт.

Part of seal kit P/N G32289

1шт.

10

A30095

O-RING,0.139" Thk x 2.984" ID, -234, Cl 5, 75 Duro

"O" RING - gland (3 x 3-1/4 x 1/8")

1шт.

Part of seal kit P/N G32289

1шт.

11

187-1031

SELF-TAP SCREW,Pan, 0.164"-32 x 1/4"

SCREW - gland lock (#8-32 x 1/4" self-tapping)

1шт.

12

G33800

PISTON ROD

ROD ASSY. - piston (1-3/4" dia.) (w/identification ring), Includes: Ref. 13

1шт.

13

30634

BUSHING,32.05mm ID x 38.18mm OD x 17.6mm L

- piston rod

2шт.

14

G33331

PISTON

- split (Rod end) (w/identification ring)

1шт.

15

D28896

PISTON

- split (Bolt end)

1шт.

G33151

PACKING

ASSY. - piston, Includes: Ref. 17 and 18

1шт.

Part of seal kit P/N G32289

1шт.

17

NSS

NOT SOLD SEPARAT

PACKING ASSY. - "V" type

2шт.

18

NSS

NOT SOLD SEPARAT

RING - center bearing

1шт.

19

28-1640

BOLT,Hex, 1" - 14 x 2-1/2", Gr 8

Piston Hex, 1"-14 x 2 1/2", G8, Full Thd

1шт.

20

G32303

WASHER,26.97mm ID x 47.63mm OD x 3.58mm Thk

- piston bolt (1-7/64 x 1-7/8 x 9/64")

1шт.

21

219-1

LUBE NIPPLE,1/8" - 27 NPTF

FITTING - grease (1/8" P.T. str.)

2шт.

G32289

SEAL

KIT - cylinder repair, Includes Refs. 6, 7, 8, 9, 10, G33151, 30, 31, 32, 33, 34 and G33151

1шт.

G32286

CYLINDER

ASSY. - clam, left hand, Includes: Ref. 26 - 34

1шт.

G32287

ASSY. - right hand, G32286 & G32287 loader clam cyl w/o gland ID ring, used w/ D51347 & D54087 4-in- 1 bucket, Includes: Ref. 26 - 34

1шт.

26

G32305

HYD TUBE,435.1 mm L

TUBE ASSY. - body, right hand, G32286 & G32287 loader clam cyl w/o gland ID ring, used w/ D51347 & D54087 4-in- 1 bucket, Includes: Ref. 27

1шт.

26

G32304

HYD TUBE

TUBE ASSY. - body, left hand, G32286 & G32287 loader clam cyl w/o gland ID ring, used w/ D51347 & D54087 4-in- 1 bucket, Includes: Ref. 27

1шт.

27

30634

BUSHING,32.05mm ID x 38.18mm OD x 17.6mm L

- tube, G32286 & G32287 loader clam cyl w/o gland ID ring, used w/ D51347 & D54087 4-in- 1 bucket

2шт.

G32735

ASSY. - G32286 & G32287 loader clam cyl w/o gland ID ring, used w/ D51347 & D54087 4-in- 1 bucket, Includes: Ref. 29 - 34

1шт.

29

NSS

NOT SOLD SEPARAT

(See inset B), G32286 & G32287 loader clam cyl w/o gland ID ring, used w/ D51347 & D54087 4-in- 1 bucket

1шт.

30

D95143

WIPER SEAL,44.42mm ID x 57.17mm OD x 7.92mm Thk

piston, rod outer (1-3/4 x 2-1/4 x 5/16"), G32286 & G32287 loader clam cyl w/o gland ID ring, used w/ D51347 & D54087 4-in- 1 bucket

1шт.

Part of seal kit P/N G32289

1шт.

31

D36970

CUP

SEAL - piston rod (1-3/4 x 2-1/4 x 13/32"), G32286 & G32287 loader clam cyl w/o gland ID ring, used w/ D51347 & D54087 4-in- 1 bucket

1шт.

Part of seal kit P/N G32289

1шт.

32

D27432

SHIM

piston rod, inner, G32286 & G32287 loader clam cyl w/o gland ID ring, used w/ D51347 & D54087 4-in- 1 bucket

1шт.

Part of seal kit P/N G32289

1шт.

33

G32122

BACK-UP RING,75.82mm ID x 81.92mm OD x 1.4mm Thk

gland "O" ring back-up, G32286 & G32287 loader clam cyl w/o gland ID ring, used w/ D51347 & D54087 4-in- 1 bucket

1шт.

Part of seal kit P/N G32289

1шт.

34

A30095

O-RING,0.139" Thk x 2.984" ID, -234, Cl 5, 75 Duro

o" RING - gland (3 x 3-1/4 x 1/8"), G32286 & G32287 loader clam cyl w/o gland ID ring, used w/ D51347 & D54087 4-in- 1 bucket

1шт.

Part of seal kit P/N G32289

1шт.

35

187-1031

SELF-TAP SCREW,Pan, 0.164"-32 x 1/4"

SCREW - lock (#8-32 x 1/4" self-tapping), G32286 & G32287 loader clam cyl w/o gland ID ring, used w/ D51347 & D54087 4-in- 1 bucket

1шт.

36

G32307

ROD

aSSY. - piston (1-3/4" dia.) (w/o identification ring) (Order 1-G33579 gland assy., 1-G33331 piston and 1-G33800 rod assy.), G32286 & G32287 loader clam cyl w/o gland ID ring, used w/ D51347 & D54087 4-in- 1 bucket

1шт.

37

30634

BUSHING,32.05mm ID x 38.18mm OD x 17.6mm L

- piston rod, G32286 & G32287 loader clam cyl w/o gland ID ring, used w/ D51347 & D54087 4-in- 1 bucket

2шт.

38

D28897

PISTON

- split (Rod end) , G32286 & G32287 loader clam cyl w/o gland ID ring, used w/ D51347 & D54087 4-in- 1 bucket

1шт.

39

D28896

PISTON

- split (Bolt end), G32286 & G32287 loader clam cyl w/o gland ID ring, used w/ D51347 & D54087 4-in- 1 bucket

1шт.

G33151

PACKING

ASSY. - piston, G32286 & G32287 loader clam cyl w/o gland ID ring, used w/ D51347 & D54087 4-in- 1 bucket, Includes: Ref. 41 and 42

1шт.

Part of seal kit P/N G32289

1шт.

41

NSS

NOT SOLD SEPARAT

PACKING ASSY. - "V" type, G32286 & G32287 loader clam cyl w/o gland ID ring, used w/ D51347 & D54087 4-in- 1 bucket

2шт.

42

NSS

NOT SOLD SEPARAT

center bearing, G32286 & G32287 loader clam cyl w/o gland ID ring, used w/ D51347 & D54087 4-in- 1 bucket

1шт.

43

28-1640

BOLT,Hex, 1" - 14 x 2-1/2", Gr 8

Piston, G32286 & G32287 loader clam cyl w/o gland ID ring, used w/ D51347 & D54087 4-in-1 bucket Hex, 1"-14 x 2 1/2", G8, Full Thd

1шт.

44

G32303

WASHER,26.97mm ID x 47.63mm OD x 3.58mm Thk

- piston bolt (1-7/64 x 1-7/8 x 9/64"), G32286 & G32287 loader clam cyl w/o gland ID ring, used w/ D51347 & D54087 4-in- 1 bucket

1шт.

45

219-1

LUBE NIPPLE,1/8" - 27 NPTF

FITTING - grease (1/8" P.T. str.), G32286 & G32287 loader clam cyl w/o gland ID ring, used w/ D51347 & D54087 4-in- 1 bucket

2шт.

G32289

SEAL

KIT - cylinder repair, Includes Refs. 6, 7, 8, 9, 10, G33151, 30, 31, 32, 33, 34 and G33151, G32286 & G32287 loader clam cyl w/o gland ID ring, used w/ D51347 & D54087 4-in- 1 bucket

1шт.

Выбрано товаров: 62