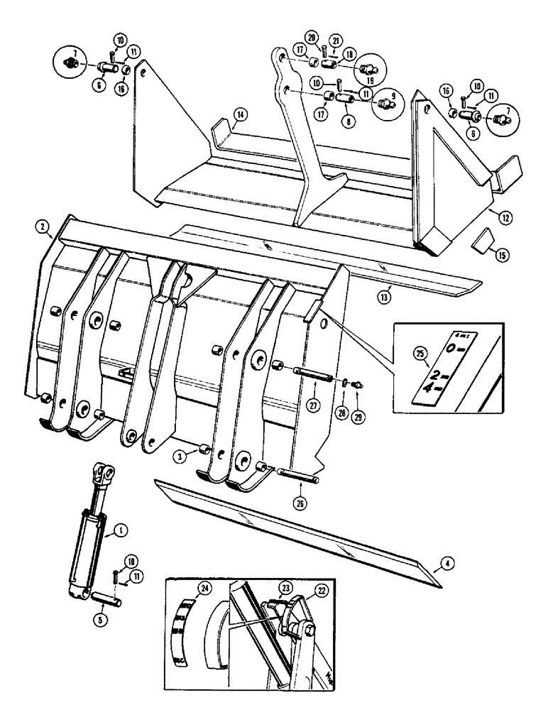
Запчасти Case 33 (024) - DROTT 4-IN-1 BUCKET, * USED WITH SNAP RING TYPE MOUNTING PINS

Схема запчастей Case 33 - (024) - DROTT 4-IN-1 BUCKET, * USED WITH SNAP RING TYPE MOUNTING PINS
FIT
1:1
100%

Артикул

Название

Примечание

Количество

D34409

BUCKET - Drott, 15 cu. ft., Includes: Ref. 1 - 11

1шт.

1

D38367

CYLINDER BLOCK

hydraulic, clam (3-1/2" I.D. x 8-3/32" stroke) Parts list Figure 274

1шт.

D38600

BLADE ASSEMBLY - bucket, Includes: Ref. 2 - 11

1шт.

2

NSS

NOT SOLD SEPARAT

BLADE - bucket

1шт.

3

D30932

BUSHING,38.33mm ID x 47.63mm OD x 28.45mm L

blade

8шт.

4

D35636

EDGE

CUTTING - blade

1шт.

5

D38593

PIN

, Serial Range: cylinder-blade

1шт.

6

D38595

PIN ASSY.

blade to clam, outer, Includes: Ref. 7

2шт.

7

219-1

LUBE NIPPLE,1/8" - 27 NPTF

FITTING - grease, straight (1/8" NPT)

1шт.

8

D38594

PIN ASSY.

blade to clam, center, Includes: Ref. 9

1шт.

9

219-1

LUBE NIPPLE,1/8" - 27 NPTF

FITTING - grease, straight (1/8" NPT)

1шт.

10

A18664

CLEVIS PIN

PIN - clevis

4шт.

11

132-46

COTTER PIN,1/8" x 3/4"

Pin, Split (Cotter), 1/8" x 3/4"

4шт.

D38592

ASSEMBLY - bucket

1шт.

12

NSS

NOT SOLD SEPARAT

CLAM - bucket

1шт.

13

D38598

EDGE

CUTTING - clam, rear

1шт.

14

D38597

CUTTING EDGE - clam, front

1шт.

15

D38599

HOOK - grab

2шт.

16

D35633

BUSHING

clam, outer

2шт.

17

D35634

BUSHING

clam, center

2шт.

18

D38596

PIN ASSY.

, Serial Range: clam-cylinder

1шт.

19

219-1

LUBE NIPPLE,1/8" - 27 NPTF

FITTING - grease, straight (1/8" NPT)

1шт.

20

S10783

CLEVIS

PIN

1шт.

21

132-46

COTTER PIN,1/8" x 3/4"

Pin, Split (Cotter), 1/8" x 3/4"

1шт.

22

D34458

LARGE PLATE

BRACKET - indicator

1шт.

23

D34456

POINTER - indicator

1шт.

24

D36818

bucket position

1шт.

25

D36817

DECAL

clam position

1шт.

D14955

KIT

bucket pin (Machinery item), D14955 pin kit

1шт.

26

D37286

PIN

bucket, lower, D14955 pin kit

2шт.

27

D37287

PIN

bucket, upper, D14955 pin kit

2шт.

28

D25279

SNAP RING,M35, Int

D14955 pin kit

8шт.

29

219-1

LUBE NIPPLE,1/8" - 27 NPTF

FITTING - straight, grease (1/8" NPT), D14955 pin kit

2шт.

Выбрано товаров: 33