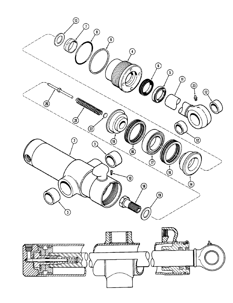
Запчасти Case 33 (294) - G32586&G32587 SWING CYL,4"DIA CYL W/11"STROKE W/OGLAND ID RING W/SOLID OUTER WIPER&SPLIT INNER WIPER

Схема запчастей Case 33 - (294) - G32586&G32587 SWING CYL,4"DIA CYL W/11"STROKE W/OGLAND ID RING W/SOLID OUTER WIPER&SPLIT INNER WIPER
FIT
1:1
100%

Артикул

Название

Примечание

Количество

G32587

CYLINDER

ASSY. - right hand (See note), Includes: Ref. 2 - 23

1шт.

Uses D47557 relief valve. See Figure 298

1шт.

G32586

CYLINDER

ASSY. - left hand (See note), Includes: Ref. 2 - 23

1шт.

Uses D47557 relief valve. See Figure 298

1шт.

2

D47555

TUBE

ASSY. - cyl. body, right hand, Includes: Ref. 3

1шт.

2

D47554

BODY

TUBE ASSY. - cyl. body, left hand, Includes: Ref. 3

1шт.

3

D30735

BUSHING,51.03mm ID x 60.33mm OD x 28.57mm L

- tube

2шт.

G32738

GLAND

ASSY., Includes: Ref. 4 - 9

1шт.

4

NSS

NOT SOLD SEPARAT

GLAND - (w/out identification ring)

1шт.

5

D95143

WIPER SEAL,44.42mm ID x 57.17mm OD x 7.92mm Thk

WIPER - piston rod, outer (1-3/4 x 2-1/4 x 5/16)

1шт.

Part of seal kit P/N G32297

1шт.

Uses D47557 relief valve. See Figure 298

1шт.

6

D36970

CUP

SEAL - piston rod (1-3/4 x 2-1/4 x 7/16)

1шт.

Part of seal kit P/N G32297

1шт.

Uses D47557 relief valve. See Figure 298

1шт.

7

D27432

SHIM

- piston rod, inner (Split type)

1шт.

Part of seal kit P/N G32297

1шт.

Uses D47557 relief valve. See Figure 298

1шт.

8

A27507

O-RING,0.139" Thk x 3.984" ID, -242, Cl 5, 75 Duro

"O" RING - gland (4 x 4-1/4 x 1/8)

1шт.

Part of seal kit P/N G32297

1шт.

Uses D47557 relief valve. See Figure 298

1шт.

9

G32176

BACK-UP RING,101.22mm ID x 107.32mm OD x 1.4mm Thk

- Gland "O" Ring

1шт.

Part of seal kit P/N G32297

1шт.

Uses D47557 relief valve. See Figure 298

1шт.

10

187-1031

SELF-TAP SCREW,Pan, 0.164"-32 x 1/4"

SCREW - gland lock (#8-32 x 1/4" self tapping)

1шт.

11

D49008

ROD

ASSY. - piston (1-3/4" dia.) (Without identification ring), Includes: Ref. 12

1шт.

12

D32865

BUSHING,38.33mm ID x 47.63mm OD x 22.35mm L

- piston rod

2шт.

13

D95035

WASHER

- piston rod (1-1/4 x 1-11/64 x 13/64")

1шт.

14

D49160

PISTON

- split (Rod end) (w/o identification ring)

1шт.

15

D49161

PISTON

- split (Bolt end)

1шт.

16

D47204

PACKING,89.15mm ID x 100.86mm OD

ASSY. - piston ("V" type)

2шт.

Part of seal kit P/N G32297

1шт.

Uses D47557 relief valve. See Figure 298

1шт.

17

D47209

BEARING,3.006" ID x 3.987" OD x 0.631"

RING - center bearing

1шт.

18

D41359

BOLT,Hex, 1 1/4" - 12 x 63.5mm, Gr 8

- piston & restrictor pin

1шт.

19

G32351

WASHER

- bolt (1-11/32 x 2-1/2 x 9/64")

1шт.

20

D38679

PIN

- restrictor

1шт.

21

D38683

SPRING

- pin (5" free length)

1шт.

22

D38684

SPACER

SEAT - spring (3/4" dia. x 1/8")

1шт.

23

219-1

LUBE NIPPLE,1/8" - 27 NPTF

FITTING - grease (1/8" P.T. str.)

1шт.

G32297

SEAL

KIT - cylinder repair, Includes Refs. 5, 6, 7, 8, 9 and 16

1шт.

Выбрано товаров: 41