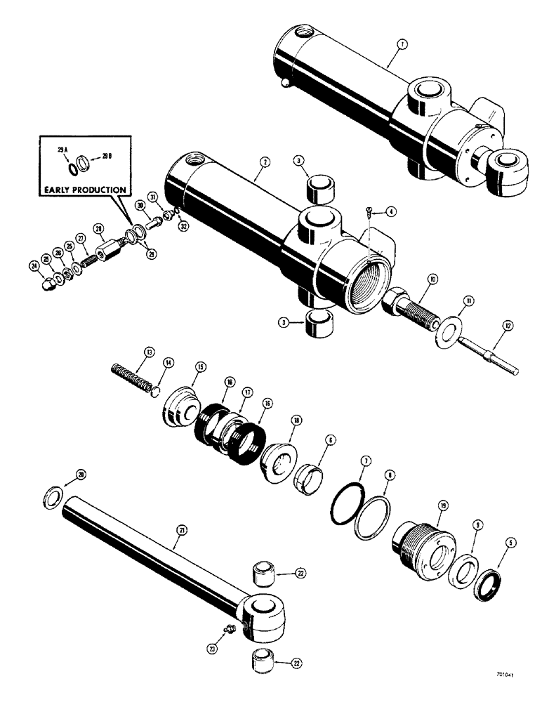
Запчасти Case 33 (302) - BACKHOE SWING CYLINDERS, CYLINDER WITH U-TYPE PRESS-IN OUTER PRESS-IN OUTER ROD WIPER

Схема запчастей Case 33 - (302) - BACKHOE SWING CYLINDERS, CYLINDER WITH U-TYPE PRESS-IN OUTER PRESS-IN OUTER ROD WIPER
FIT
1:1
100%

Артикул

Название

Примечание

Количество

1

G32590

CYLINDER BLOCK

CYLINDER - swing, R.H. (4" I.D. x 11" stroke), Includes: Ref. 2 - 32

1шт.

1

G32591

CYLINDER ASSY.

CYLINDER - swing, L.H. (4" I.D. x 11" stroke), Includes: Ref. 2 - 32

1шт.

2

D40382

CYLINDER

TUBE - cylinder, R.H., Includes: Ref. 3

1шт.

2

D40381

BODY

TUBE - cylinder, L.H., Includes: Ref. 3

1шт.

3

D30735

BUSHING,51.03mm ID x 60.33mm OD x 28.57mm L

- tube

2шт.

4

187-1031

SELF-TAP SCREW,Pan, 0.164"-32 x 1/4"

SCREW - self-tapping, #8 - 32 NC x 1/4"

1шт.

5

D95143

WIPER SEAL,44.42mm ID x 57.17mm OD x 7.92mm Thk

WIPER - rod, outer

1шт.

6

D27432

SHIM

- rod, inner

1шт.

7

A27507

O-RING,0.139" Thk x 3.984" ID, -242, Cl 5, 75 Duro

SEAL - "O" ring, gland

1шт.

8

G32176

BACK-UP RING,101.22mm ID x 107.32mm OD x 1.4mm Thk

Gland seal

1шт.

9

D36970

CUP

SEAL - rod

1шт.

10

D41359

BOLT,Hex, 1 1/4" - 12 x 63.5mm, Gr 8

- special

1шт.

11

D95033

WASHER

- special

1шт.

12

D38679

PIN

- restrictor

1шт.

13

D38683

SPRING

- pin

1шт.

14

D38684

SPACER

- pin

1шт.

15

D49161

PISTON

- split, bolt end half

1шт.

16

D47204

PACKING,89.15mm ID x 100.86mm OD

- piston, chevron

2шт.

17

D47209

BEARING,3.006" ID x 3.987" OD x 0.631"

RING - metal, piston packing

1шт.

18

D38687

PISTON

- split, rod end half

1шт.

19

G32116

X

GLAND - packing

1шт.

20

D95035

WASHER

- special, rod

1шт.

21

D49008

ROD

- piston (1-3/4" dia.), Includes: Ref. 22

1шт.

22

D32865

BUSHING,38.33mm ID x 47.63mm OD x 22.35mm L

- rod

2шт.

23

219-1

LUBE NIPPLE,1/8" - 27 NPTF

FITTING - grease, straight (1/8" NPT)

1шт.

D42478

VALVE

CARTRIDGE - relief valve (Not preset) Must be set to correct pressure when installed on cylinder, Includes: Ref. 24 - 32

1шт.

24

129-526

CROWN NUT,Low, 3/8" - 24

- acorn (3/8" - 24 NF)

1шт.

25

23150

WASHER

GASKET - copper

2шт.

26

25-156

JAM NUT,Jam, 3/8"-24, G5

- hex., lock (3/8" - 24 NF)

1шт.

27

D38814

ADJUSTMENT SCREW,3/8" - 24

SCREW - set, special

1шт.

28

NSS

NOT SOLD SEPARAT

BODY ASSEMBLY - cartridge

1шт.

29

16219

GASKET

- special

2шт.

29a

D26872

O-RING

SEAL - "O" ring, order (2) 16219 gaskets to replace D26872 seal and D31450 gasket for service

1шт.

29b

D31450

WASHER

GASKET - copper, order (2) 16219 gaskets to replace D26872 seal and D31450 gasket for service

1шт.

D40187

PACKAGE

KIT - seat and poppet, Includes: Ref. 30 - 32

1шт.

30

NSS

NOT SOLD SEPARAT

POPPET - cartridge

1шт.

31

NSS

NOT SOLD SEPARAT

SEAT - poppet

1шт.

32

D31411

O-RING,0.07" Thk x 0.239" ID, -10, Cl 6, 90 Duro

-010, 90 Duro, .239" ID x .070" Thk, Seal

1шт.

Выбрано товаров: 0