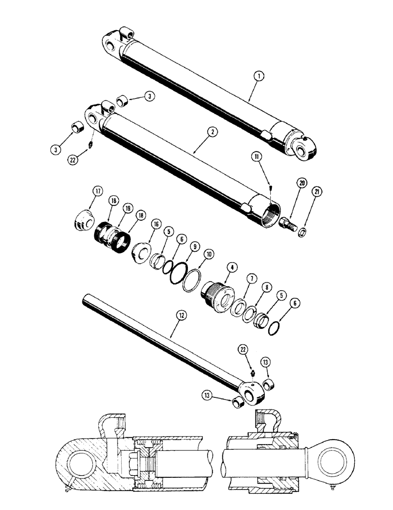
Запчасти Case 33 (322) - D48967 BUCKET CYL,3-1/2"DIA. CYL W/27-1/4"STROKE W/2"DIA. PISTON ROD W/SPLIT INNER&OUTER WIPERS W/O

Схема запчастей Case 33 - (322) - D48967 BUCKET CYL,3-1/2"DIA. CYL W/27-1/4"STROKE W/2"DIA. PISTON ROD W/SPLIT INNER&OUTER WIPERS W/O
FIT
1:1
100%

Артикул

Название

Примечание

Количество

1

D48967

CYLINDER

ASSY. - (With 2" piston rod eye width) (Order G32132 cylinder) (See Figure 326), Includes: Ref. 2 - 22

1шт.

2

D37731

BODY

TUBE ASSY. - cylinder body, Includes: Ref. 3

1шт.

3

D33047

BUSHING,44.68mm ID x 53.98mm OD x 22.23mm L

- tube

2шт.

4

D45070

GLAND

- (Order 1-G32736 gland) (See Figure 326) (Without identification ring)

1шт.

D42874

PACKING GLAND

PACKING KIT - gland (Replaces D37357), Includes: Ref. 5 - 11

1шт.

5

D27380

SCRAPER RING

WIPER - piston rod, inner & outer (Split type)

2шт.

6

D26115

O-RING,0.139" Thk x 2.109" ID, -227, Cl 5, 75 Duro

"O" RING - wiper (2-1/8 x 2-3/8 x 1/8")

2шт.

7

D36971

RING

SEAL - piston rod (2 x 2-1/2 x 7/16")

1шт.

8

D28500

RING,Split, 50.8mm ID x 63.5mm OD x 1.27mm Thk

- rod seal back-up

1шт.

9

G15457

O-RING,0.139" Thk x 3.484" ID, -238, Cl 5, 75 Duro

"O" RING - gland (3-1/2 x 3-3/4 x 1/8")

1шт.

10

D27434

BACK-UP RING,88.9mm ID x 95.25mm OD x 2.21mm Thk

- gland "O" ring back-up

1шт.

11

187-1031

SELF-TAP SCREW,Pan, 0.164"-32 x 1/4"

SCREW - gland lock (#8-32 x 1/4" self tapping)

1шт.

12

D48968

ROD ASSY.

- piston (2" dia.) (w/o identification ring), Includes: Ref. 13

1шт.

13

D31140

BUSHING,38.33mm ID x 47.63mm OD x 25.4mm L

- piston rod (1" wide)

2шт.

16

D28368

PISTON

- split (Rod end) (w/o identification ring)

1шт.

17

D28367

PISTON

- split (Bolt end)

1шт.

18

D47203

PACKING,76.07mm ID x 88.77mm OD x 29.18mm Thk

ASSY. - piston ("V" type)

2шт.

19

D47208

RING

- center bearing

1шт.

20

D32861

BOLT

- piston (1 x 2-1/2" N.F. hex.)

1шт.

21

D36505

WASHER,26.99mm ID x 47.63mm OD x 2.38mm Thk

- piston bolt (1-1/16 x 1-7/8 x 9/64")

1шт.

22

219-1

LUBE NIPPLE,1/8" - 27 NPTF

FITTING - grease (1/8" P.T., str.)

2шт.

Выбрано товаров: 21