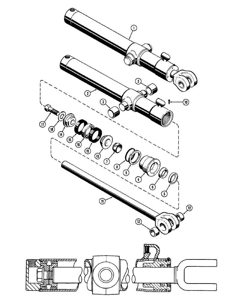
Запчасти Case 33 (332) - G32146 DIPPER EXT CYL,3-1/2"DIA. CYL W/25-1/2"STROKE W/SOLID OUTER WIPER&SPLIT INNER WIPER USED W/2

Схема запчастей Case 33 - (332) - G32146 DIPPER EXT CYL,3-1/2"DIA. CYL W/25-1/2"STROKE W/SOLID OUTER WIPER&SPLIT INNER WIPER USED W/2
FIT
1:1
100%

Артикул

Название

Примечание

Количество

1

G32146

CYLINDER ASSY.

Includes: Ref. 2 - 18

1шт.

2

D45900

TUBE ASSY. - cylinder body, Includes: Ref. 3

1шт.

3

D31140

BUSHING,38.33mm ID x 47.63mm OD x 25.4mm L

- tube

2шт.

G32743

GLAND

ASSY., Includes: Ref. 4 - 9

1шт.

4

NSS

NOT SOLD SEPARAT

GLAND

1шт.

5

D95143

WIPER SEAL,44.42mm ID x 57.17mm OD x 7.92mm Thk

WIPER - piston rod, outer (1-3/4 x 2-1/4 x 5/16")

1шт.

Part of seal kit P/N G32298

1шт.

6

D36970

CUP

SEAL - piston rod (1-3/4 x 2-1/4 x 7/16")

1шт.

Part of seal kit P/N G32298

1шт.

7

D27432

SHIM

- piston rod, inner (Split type)

1шт.

Part of seal kit P/N G32298

1шт.

8

G15457

O-RING,0.139" Thk x 3.484" ID, -238, Cl 5, 75 Duro

"O" RING - gland (3-1/2 x 3-3/4 x 1/8")

1шт.

Part of seal kit P/N G32298

1шт.

9

G32126

BACK-UP RING,89.28mm ID x 95.38mm OD x 1.4mm Thk

- gland "O" ring back-up

1шт.

Part of seal kit P/N G32298

1шт.

10

187-1031

SELF-TAP SCREW,Pan, 0.164"-32 x 1/4"

SCREW - gland lock (#8-32 x 1/4" self tapping)

1шт.

11

D45896

ROD ASSY. - piston (1-3/4" dia.), Includes: Ref. 12

1шт.

12

D33047

BUSHING,44.68mm ID x 53.98mm OD x 22.23mm L

- piston rod

2шт.

13

D28369

PISTON

- split (Rod end)

1шт.

14

D28367

PISTON

- split (Bolt end)

1шт.

15

D47203

PACKING,76.07mm ID x 88.77mm OD x 29.18mm Thk

ASSY. - piston ("V" type)

2шт.

Part of seal kit P/N G32298

1шт.

16

D47208

RING

- center bearing

1шт.

17

D32861

BOLT

- piston (1x 2-1/2" N.F. hex.)

1шт.

18

D36505

WASHER,26.99mm ID x 47.63mm OD x 2.38mm Thk

- piston bolt (1-1/16 x 1-7/8 x 9/64")

1шт.

G32298

SEAL

KIT - cylinder repair, Includes Refs. 5, 6, 7, 8, 9 and 15

1шт.

Выбрано товаров: 26