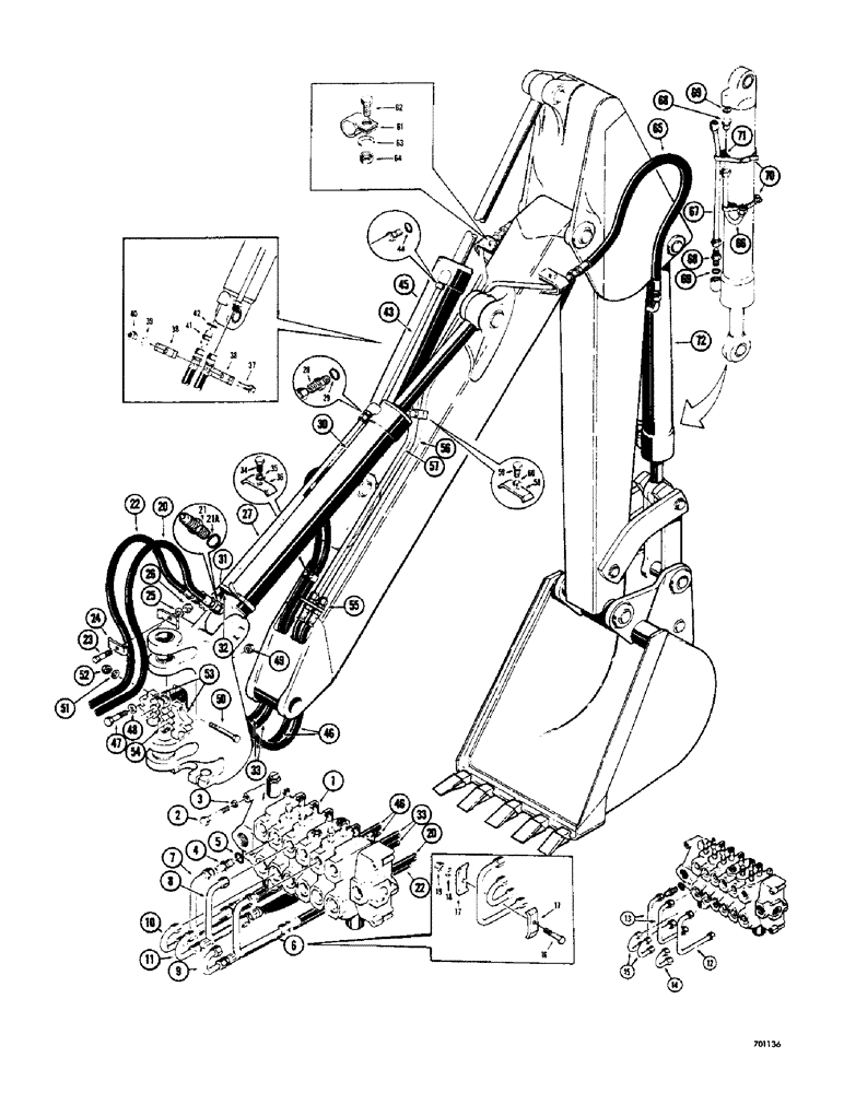
Запчасти Case 33 (142) - BOOM, CROWD AND BUCKET CYLINDER HYDRAULICS, (USED ON BACKHOE SN 4141636 TO 4157852)

Схема запчастей Case 33 - (142) - BOOM, CROWD AND BUCKET CYLINDER HYDRAULICS, (USED ON BACKHOE SN 4141636 TO 4157852)
FIT
1:1
100%

Артикул

Название

Примечание

Количество

1

REF

INSTRUCTION

VALVE - backhoe control (See Figure 226 for proper valve)

1шт.

2

13-660

BOLT,Hex, 3/8" - 16 x 3-3/4", Gr 5

HHCS - 3/8" - 16 NC x 3-3/4"

3шт.

3

92-6

LOCK WASHER,3/8"

med. sect. 3/8"

3шт.

4

218-5064

HYD CONNECTOR,1-1/16" - 12 Male JIC x 1-1/16" - 12 Male ORB

CONNECTOR - male, straight (See Figure 134 for different upper boom section plumbing used on 33S backhoes), Incl. Ref. 5

6шт.

5

218-5008

O-RING,0.116" Thk x 0.924" ID, -912, Cl 6, 90 Duro

SEAL - "O"ring

1шт.

6

D36654

TUBE

- upper valve port to boom cylinder (33 backhoe)

1шт.

7

D40709

TUBE

- upper valve port to bucket cylinder (33 backhoe)

1шт.

8

D40713

- upper valve port to dipper cylinder (33 backhoe)

1шт.

9

D30771

TUBE

- lower valve port to boom cylinder (33 backhoe)

1шт.

10

D40711

TUBE

- lower valve port to bucket cylinder (33 backhoe)

1шт.

11

D40715

TUBE

- lower valve to dipper cylinder (33 backhoe)

1шт.

12

D36654

TUBE

- upper valve port to boom cylinder (33S backhoe)

1шт.

13

D30773

TUBE

- upper valve port to dipper and bucket cylinders (33S backhoe)

2шт.

14

D36923

TUBE

- lower valve port to boom cylinder (33S backhoe)

1шт.

15

D30771

TUBE

- lower valve port to dipper and bucket cylinders (33S backhoe)

2шт.

16

13-528

BOLT,Hex, 5/16" - 18 x 1-3/4", Gr 5

HHCS - 5/16" - 18 NC x 1-3/4"

3шт.

17

D20045

PLATE ASSY.

CLAMP - tube

6шт.

18

195-21

WASHER,5/16"

- plain () 5/16"

3шт.

19

131-4

LOCK NUT,5/16"-18, GB

NUT - hex., lock (5/16" - 18 NC)

3шт.

20

D38124

HOSE

- upper valve port to boom cyl., closed end (57" long)

1шт.

21

218-5064

HYD CONNECTOR,1-1/16" - 12 Male JIC x 1-1/16" - 12 Male ORB

CONNECTOR - male, straight, Incl. Ref. 21A

1шт.

21a

218-5008

O-RING,0.116" Thk x 0.924" ID, -912, Cl 6, 90 Duro

SEAL - "O"ring

1шт.

22

D38124

HOSE

- lower valve port to boom cylinder, rod end (57" long)

1шт.

23

13-624

BOLT,Hex, 3/8" - 16 x 1-1/2", Gr 5

HHCS - 3/8" - 16 NC x 1-1/2"

1шт.

24

R15257

CLAMP

- hose

2шт.

25

195-25

WASHER,3/8"

- plain () 3/8"

1шт.

26

131-6

LOCK NUT,3/8"-16, GC

NUT - hex., lock (3/8" - 16 NC)

1шт.

27

D37232

BOOM

TUBE - to boom cylinder, rod end

1шт.

28

218-5065

HYD CONNECTOR,1-1/16" - 12 Male JIC x 7/8" - 14 Male ORB

CONNECTOR - male, straight, Includes: Ref. 29

1шт.

29

237-6010

O-RING,0.097" Thk x 0.755" ID, -910, Cl 6, 90 Duro

SEAL - "O"ring

1шт.

30

REF

INSTRUCTION

CYLINDER - hydraulic, boom (See Figures 304 thru 312 for proper cylinder)

1шт.

31

214-269

HOSE CLAMP,#72, 4.06" - 5", Type F Worm

CLAMP - tube to cylinder

1шт.

32

D38648

BLOCK

SPACER - clamp

1шт.

33

D37216

HOSE ASSY.

HOSE - valve to dipper cylinder (72-1/2" long)

2шт.

34

13-616

BOLT,Hex, 3/8" - 16 x 1", Gr 5, Full Thd

1шт.

35

92-6

LOCK WASHER,3/8"

med. sect. 3/8"

1шт.

36

D40236

CLAMP

- hose

1шт.

37

13-532

BOLT,Hex, 5/16" - 18 x 2", Gr 5

1шт.

38

D33316

CLAMP

- tube

2шт.

39

195-21

WASHER,5/16"

- plain () 5/16"

1шт.

40

131-4

LOCK NUT,5/16"-18, GB

NUT - hex., lock (5/16" - 18 NC)

1шт.

41

218-5065

HYD CONNECTOR,1-1/16" - 12 Male JIC x 7/8" - 14 Male ORB

CONNECTOR - male, straight, Includes: Ref. 42

1шт.

42

237-6010

O-RING,0.097" Thk x 0.755" ID, -910, Cl 6, 90 Duro

SEAL - "O"ring

1шт.

43

D42624

TUBE

- to dipper cylinder, rod end

1шт.

44

237-6010

O-RING,0.097" Thk x 0.755" ID, -910, Cl 6, 90 Duro

SEAL - "O"ring

1шт.

45

REF

INSTRUCTION

CYLINDER - hydraulic, dipper (See Figures 314 thru 318 for proper cylinder)

1шт.

46

D39358

HOSE ASSY.

HOSE - valve to bucket cylinder (54" long)

2шт.

47

13-532

BOLT,Hex, 5/16" - 18 x 2", Gr 5

2шт.

48

195-21

WASHER,5/16"

- plain () 5/16"

4шт.

49

131-4

LOCK NUT,5/16"-18, GB

NUT - hex., lock (5/16" - 18 NC)

2шт.

50

13-560

BOLT,Hex, 5/16" - 18 x 3-3/4", Gr 5

HHCS - 5/16" - 18 NC x 3-3/4"

2шт.

51

195-21

WASHER,5/16"

- plain () 5/16"

2шт.

52

131-4

LOCK NUT,5/16"-18, GB

NUT - hex., lock (5/16" - 18 NC)

2шт.

53

D26125

CLAMP

- hose, outer

2шт.

54

D26124

HOSE

CLAMP - hose, center

1шт.

55

D26231

NUT

- hex., lock (Special)

2шт.

56

D40632

TUBE

- valve to bucket cylinder, closed end. (R.H.)

1шт.

57

D40630

TUBE

- valve to bucket cylinder, rod end (L.H.)

1шт.

58

D40236

CLAMP

- tube

1шт.

59

13-616

BOLT,Hex, 3/8" - 16 x 1", Gr 5, Full Thd

1шт.

60

92-6

LOCK WASHER,3/8"

med. sect. 3/8"

1шт.

61

49858

O-RING,0.103" Thk x 0.75" ID, -116, Cl 5, 75 Duro

- tube

2шт.

62

13-512

BOLT,Hex, 5/16" - 18 x 3/4", Gr 5

2шт.

63

195-21

WASHER,5/16"

- plain () 5/16"

2шт.

64

131-4

LOCK NUT,5/16"-18, GB

NUT - hex., lock (5/16" - 18 NC)

2шт.

65

D37635

HOSE

- valve to bucket cylinder (40" long) When stock is exhausted, order D42290 for service)

1шт.

D42290

HOSE

- valve to bucket cylinder (40" long)

1шт.

66

D40655

TUBE

- valve to bucket cylinder, closed end

1шт.

67

D40647

TUBE

- valve to bucket cylinder, rod end

1шт.

68

218-5065

HYD CONNECTOR,1-1/16" - 12 Male JIC x 7/8" - 14 Male ORB

CONNECTOR - male, straight, Includes: Ref. 69

2шт.

69

237-6010

O-RING,0.097" Thk x 0.755" ID, -910, Cl 6, 90 Duro

SEAL - "O"ring

1шт.

70

214-269

HOSE CLAMP,#72, 4.06" - 5", Type F Worm

CLAMP - tube to cylinder

2шт.

71

D38648

BLOCK

SPACER - clamp

2шт.

72

REF

INSTRUCTION

CYLINDER - hydraulic, bucket (See Figures 320 thru 326 for proper cylinder)

1шт.

Выбрано товаров: 74