Запчасти Case 33 (012) - LOADER LIFT FRAME AND RELATED PARTS, USED ON LOADER WITH SN.4178576 AND AFTER

Схема запчастей Case 33 - (012) - LOADER LIFT FRAME AND RELATED PARTS, USED ON LOADER WITH SN.4178576 AND AFTER
FIT
1:1
100%

Артикул

Название

Примечание

Количество

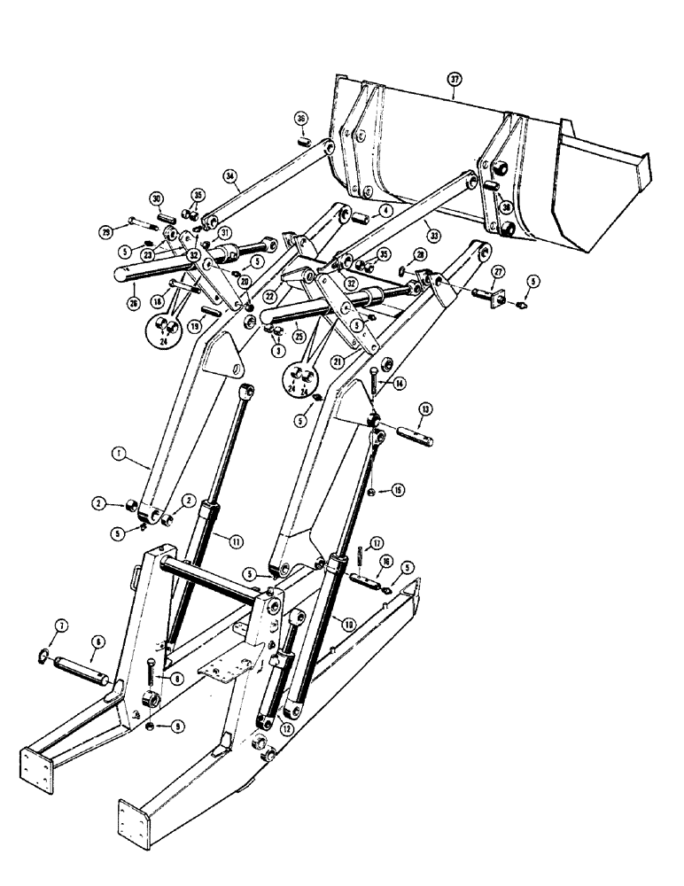
1

D55343

ARM

FRAME - loader lift, Includes: Ref. 2 - 4

1шт.

2

D30935

BUSHING,47.85mm ID x 57.15mm OD x 33.27mm L

- frame, at sub frame

4шт.

3

D37763

BUSHING

- frame, at tilt linkage

4шт.

4

D30931

BUSHING,38.33mm ID x 47.63mm OD x 69.85mm L

- frame, at bucket

2шт.

5

219-1

LUBE NIPPLE,1/8" - 27 NPTF

FITTING - straight, grease (1/8" NPT)

11шт.

6

D44915

AXLE PIN

PIN - cylinder retaining

3шт.

7

D25280

SNAP RING,#175, Ext

Ring, Snap, #175, Ext

3шт.

8

13-652

BOLT,Hex, 3/8" - 16 x 3-1/4", Gr 5

HHCS - 3/8" - 16 NC x 3-1/4"

3шт.

9

13-352

NUT - lock, hex (3/8" - 16 NC)

3шт.

10

REF

INSTRUCTION

CYLINDER - hydraulic, lift (R.H.) See Figures 258 thru 262 for proper cylinder

1шт.

11

REF

INSTRUCTION

CYLINDER - hydraulic, lift (L.H.) See Figures 258 thru 262 for proper cylinder

1шт.

12

REF

INSTRUCTION

CYLINDER - hydra-leveling (See Figures 264 thru 268 for proper cylinder)

1шт.

13

D44983

PIN

- cylinder mounting, lift

2шт.

14

13-644

BOLT,Hex, 3/8" - 16 x 2-3/4", Gr 5

HHCS - 3/8" - 16 NC x 2-3/4"

2шт.

15

131-352

LOCK NUT,3/8"-16, GA

NUT - lock. hex. (3/8" - 16 NC)

2шт.

16

D31265

PIN

- cylinder mounting, hydra-leveling

1шт.

17

135-814

GROOVED PIN,5/16" x 2 3/4", Type E, Hardened

PIN - roll (5/16" dia. x 2-3/4")

1шт.

18

13-16104

BOLT,Hex, 1" - 8 x 6-1/2", Gr 5

2шт.

19

D31219

BUSHING,26.67mm ID x 38.08mm OD x 101.6mm L

SPACER - bushing

2шт.

20

230-41116

NUT,1"-8, GA

NUT - lock, hex. (1" - 8 NC)

2шт.

21

D44996

DRAG LINK

LINK - tilt cylinder, R.H. outer

1шт.

22

D45017

DRAG LINK

LINK - tilt cylinder, R.H. inner

1шт.

23

D44997

ARTICULATION

LINK - tilt cylinder, L.H. inner and outer, Includes: Ref. 24

2шт.

24

D31512

BUSHING,47.75mm ID x 57.15mm OD x 19.05mm L

- link (Used on all tilt links)

1шт.

25

REF

INSTRUCTION

CYLINDER - hydraulic, tilt (R.H.) See Figures 270 and 272 for proper cylinder

1шт.

26

REF

INSTRUCTION

CYLINDER - hydraulic, tilt (L.H.) See Figures 270 and 272 for proper cylinder

1шт.

27

D45001

PIN

- cylinder retaining, tilt

2шт.

28

D25279

SNAP RING,M35, Int

RING - snap

2шт.

29

13-16104

BOLT,Hex, 1" - 8 x 6-1/2", Gr 5

2шт.

30

D45904

BUSHING,26.67mm ID x 38.07mm OD x 99.21mm L

SPACER - bushing

2шт.

31

230-41116

NUT,1"-8, GA

NUT - lock, hex. (1" - 8 NC)

2шт.

32

219-55

LUBE NIPPLE,90 Degree Elbow, 1/8" - 27 NPTF

NIPPLE, LUBE, 90º, 1/8" NPT x .84" lg

2шт.

33

D30945

DRAG LINK

ARM - tilt, R.H.

1шт.

34

D30947

SUN VISOR

ARM - tilt, L.H., Includes: Ref. 35 and 36

1шт.

35

D30933

BUSHING,38.41mm ID x 47.63mm OD x 31.75mm L

- arm, at tilt linkage (D30945 and D30947 arm)

2шт.

36

D30931

BUSHING,38.33mm ID x 47.63mm OD x 69.85mm L

- arm, at bucket (D30945 and D30947 arm)

1шт.

37

REF

INSTRUCTION

BUCKET - loader (See Figures 18 thru 22 for bucket options and mounting pins)

1шт.

Выбрано товаров: 0