Запчасти Case 33 (190) - D52970 CONTROL VALVE (4 SPOOL), INLET SECTION

Схема запчастей Case 33 - (190) - D52970 CONTROL VALVE (4 SPOOL), INLET SECTION
FIT
1:1
100%

Артикул

Название

Примечание

Количество

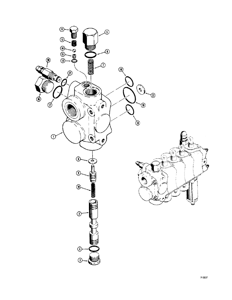
D53593

HYD VALVE SECTION

SECTION - inlet, control valve, Includes: Ref. 1 - 21

1шт.

1

NSS

NOT SOLD SEPARAT

HOUSING - inlet section

1шт.

2

NSS

NOT SOLD SEPARAT

SPOOL - inlet section

1шт.

3

86625138

PLUG,7/18" - 14

Spool end, Includes Ref. 4 Hex Soc, 7/8"-14 ORB

1шт.

4

237-6010

O-RING,0.097" Thk x 0.755" ID, -910, Cl 6, 90 Duro

SEAL - "O"ring

1шт.

5

D53660

PLUG - special, plunger end

1шт.

6

237-6010

O-RING,0.097" Thk x 0.755" ID, -910, Cl 6, 90 Duro

SEAL - "O"ring

1шт.

7

D53605

SPRING

- plunger, external

1шт.

8

D53609

WASHER - spring retaining

1шт.

9

NSS

NOT SOLD SEPARAT

PLUNGER - spool

1шт.

10

D53607

SPRING

- plunger, internal

1шт.

11

9672438

PLUG,7/16" - 20 ORB

Spring retaining, Incl. Ref. 12 Hex Hd, 7/16"-20 ORB

1шт.

12

218-5003

O-RING,0.072" Thk x 0.351" ID, -904, Cl 6, 90 Duro

SEAL - "O"ring

1шт.

13

D53604

SPRING

- ball retaining

1шт.

14

211-101

BALL,1/4" Dia, Stainless

Orifice 1/4" Dia, Stainless

1шт.

15

D53611

SCREW - orifice

1шт.

16

218-5158

PLUG,Hex Hd, 1 1/16"-12 ORB

Housing, Includes: Ref. 17 Hex Hd, 1 1/16"-12 ORB

1шт.

17

218-5008

O-RING,0.116" Thk x 0.924" ID, -912, Cl 6, 90 Duro

SEAL - "O"ring

1шт.

18

R15366

O-RING,7/8" ID x 1" OD x 1/16"

SEAL - "O"ring, 7/8" I.D. x 1" O.D.

2шт.

19

T39567

O-RING,1.489" ID x 1.629" OD x 0.07"

SEAL - "O"ring, 1-1/2" I.D. x 1-5/8" O.D.

1шт.

20

D53596

VALVE

ASSEMBLY - main relief, Includes: Ref. 21

1шт.

21

218-5005

O-RING,0.078" Thk x 0.468" ID, -906, Cl 6, 90 Duro

6-1, 90 Duro, .468" ID x .078" Thk, seal

1шт.

22

D53598

LARGE PLATE

PLATE - orifice (Included with D52970 control valve)

1шт.

Выбрано товаров: 0