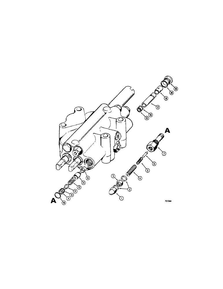
Запчасти Case 33 (218[1]) - LOADER CONTROL VALVE, MAIN RELIEF VALVE

Схема запчастей Case 33 - (218[1]) - LOADER CONTROL VALVE, MAIN RELIEF VALVE
FIT
1:1
100%

Артикул

Название

Примечание

Количество

1

129-514

CROWN NUT,Low, 5/16" - 24

- acorn, main relief valve

1шт.

2

D26270

WASHER, SEALING

WASHER - special

2шт.

3

25-155

JAM NUT,Jam, 5/16"-24, G5

- hex., jam (5/16" - 24 NF)

1шт.

4

176-296

SET SCREW,5/16"-24 x 1 3/4", Slotted

SCREW - adjusting, main relief valve (5/16" - 24 NF x 1-3/4")

1шт.

5

D26268

SPRING

- pilot

1шт.

6

D26267

PLUNGER

- relief valve

1шт.

7

A25291

CAP

- relief valve

1шт.

8

L30443

BACK-UP RING,0.547" ID x 0.049" Width

- backup, L30444 seal

1шт.

9

L30444

O-RING,0.521" ID x 0.661" OD

SEAL - "O" ring, relief valve cap (Small)

1шт.

10

218-5006

O-RING,0.087" Thk x 0.644" ID, -908, Cl 6, 90 Duro

SEAL - "O" ring, relief valve cap (Large)

1шт.

11

D26266

SEAT

- plunger

1шт.

12

D52319

SPRING

- relief valve

1шт.

13

D37062

VALVE

POPPET ASSEMBLY - main relief valve

1шт.

14

D37063

SEAT

- poppet

1шт.

15

L30444

O-RING,0.521" ID x 0.661" OD

SEAL - "O" ring, sleeve

1шт.

16

L30443

BACK-UP RING,0.547" ID x 0.049" Width

- backup, L30444 seal

1шт.

17

D37064

SLEEVE

- poppet seat

1шт.

18

D37065

SLEEVE

- drain

1шт.

19

71100209

PLUG,Hex Soc, 3/4"-16 ORB

Main relief valve, Incl Ref 20 Hex Soc, 3/4"-16 ORB

1шт.

20

218-5006

O-RING,0.087" Thk x 0.644" ID, -908, Cl 6, 90 Duro

SEAL - "O" ring

1шт.

Выбрано товаров: 20