Запчасти Case 35 (364) - MOUNTING FRAME AND STABILIZERS, CASE-CESSNA VALVES

Схема запчастей Case 35 - (364) - MOUNTING FRAME AND STABILIZERS, CASE-CESSNA VALVES
FIT
1:1
100%

Артикул

Название

Примечание

Количество

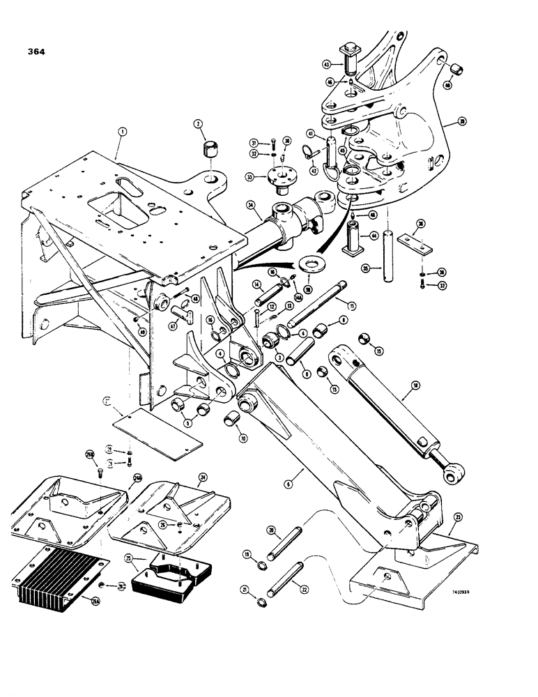
1

D56209

FRAME - backhoe mounting, Includes: Ref. 2 - 5

1шт.

2

D31142

BUSHING,51.02mm ID x 63.5mm OD x 38.1mm L

- frame at swing tower

2шт.

3

D46942

BEARING,1.75" ID x 2.8125" OD x 1.526"

BUSHING - pivotal ball type, stabilizer anchor

2шт.

4

F61018

SNAP RING,M73, Int

Ring, Snap, , bushing 2.812", Int, #281

4шт.

5

D43940

BUSHING,44.68mm ID x 57.15mm OD x 25.4mm L

- standard, stabilizer anchor

4шт.

6

D50292

SUPPORT ASSY.

LEG - stabilizer, RH, Includes: Ref. 8, 9 and 10

1шт.

7

D50293

SUPPORT ASSY.

LEG - stabilizer, LH, Includes: Ref. 8, 9 and 10, not shown

1шт.

8

D37495

BUSHING,44.76mm ID x 57.15mm OD x 31.75mm L

- leg to frame, 1-1/4" (31 mm) long

1шт.

9

D54013

SPACER,50.7mm ID x 53.98mm OD x 140.72mm L

SPACER - bushing

1шт.

10

D37443

BUSHING,44.68mm ID x 57.15mm OD x 50.8mm L

- leg to frame, 2" (51 mm) long

1шт.

11

D52039

PIN

- stabilizer, Serial Range: leg-frame

2шт.

12

D57735

PIN

BOLT - special, pin retaining

2шт.

13

D57734

AXLE PIN

PIN - cotter, hair pin type

2шт.

14

D29483

PIN,38.1mm OD x 146.05mm L

- stabilizer cylinder

2шт.

14a

219-1

LUBE NIPPLE,1/8" - 27 NPTF

GREASE FITTING - straight, 1/8" NPT

2шт.

15

D50337

BUSHING,38.91mm ID x 44.45mm OD x 14.22mm L

SPACER - cylinder mounting

4шт.

16

D25279

SNAP RING,M35, Int

RING - retaining, pin

4шт.

17

REF

INSTRUCTION

CYLINDER - LH stabilizer, see Figures 252 - 268, not shown

1шт.

18

REF

INSTRUCTION

CYLINDER - RH stabilizer, see Figures 252 - 268

1шт.

19

D25279

SNAP RING,M35, Int

RING - retaining, pin

4шт.

20

D50695

PIN,38.1mm OD x 195.33mm L

- stabilizing, Serial Range: cylinder-leg

2шт.

21

D25279

SNAP RING,M35, Int

RING - retaining, pin

4шт.

22

D50696

PIN,38.1mm OD x 225.55mm L

- stabilizer, Serial Range: foot-leg

2шт.

23

D55473

PAD

FOOT - stabilizer, cleated, when stock is exhausted, order D64621 foot for service

2шт.

23

D64621

FOOT REST

FOOT - stabilizer, cleated

2шт.

24

D50143

FOOT - stabilizer, street or cemetary pad, optional, when stock is exhaustd use D40469 pad

2шт.

24

D55478

FOOT

- stabilizer, street or cemetary pad, optional, uses D40469 pad

2шт.

24a

D61376

STABILIZER

FOOT - stabilizer, street or cemetary pad, optional, uses D61368 pad

2шт.

25

R31222

SHOE

PAD - rubber, D55478 stabilizer foot, optional

4шт.

26

D29712

SPECIAL NUT

- hex, special, used with D40469 rubber pad only

8шт.

26a

D61368

PAD

Rubber, D61376 stabilizer foot, optional

2шт.

26b

13-1228

BOLT,Hex, 3/4" - 10 x 1-3/4", Gr 5

12шт.

26c

25-1012

NUT,3/4"-10, G5

12шт.

27

D54022

DOOR

COVER - access

1шт.

28

13-616

BOLT,Hex, 3/8" - 16 x 1", Gr 5, Full Thd

2шт.

29

92-6

LOCK WASHER,3/8"

2шт.

30

219-39

FITTING

GREASE FITTING - 45 degree, 1/8" NPT, upper pins

2шт.

30

219-1

LUBE NIPPLE,1/8" - 27 NPTF

GREASE FITTING - straight, 1/8" NPT, lower pins

2шт.

31

13-828

BOLT,Hex, 1/2" - 13 x 1-3/4", Gr 5

- hex, 1/2" - 13 NC x 1-3/4"

16шт.

32

92-8

LOCK WASHER,1/2"

16шт.

33

D53647

PIVOT

PIN - swing, Serial Range: cylinder-frame

4шт.

34

REF

INSTRUCTION

CYLINDER - hydraulic, swing, parts list Figures 272 - 288

2шт.

35

D49863

PIN,44.45mm OD x 248.92mm L

- swing, Serial Range: cylinder-tower

1шт.

36

D49864

PLATE

- pin retaining

1шт.

37

13-820

BOLT,Hex, 1/2" - 13 x 1-1/4", Gr 5, Full Thd

2шт.

38

92-8

LOCK WASHER,1/2"

2шт.

39

D50134

LATHE

TOWER - swing, Includes: Ref. 40

1шт.

40

D49429

BUSHING

- at boom cylinder, closed end

2шт.

41

D49879

PIN

- swing locking

1шт.

42

D33805

PIN

- klik

1шт.

43

D74004

PIN

- tower to frame, upper

1шт.

44

D74004

PIN

- tower to frame, lower

1шт.

45

D26919

SNAP RING,#200, Ext

Ring, Snap, #200, Ext

2шт.

46

219-1

LUBE NIPPLE,1/8" - 27 NPTF

GREASE FITTING - straight, 1/8" NPT

2шт.

47

D56335

PIN

- tractor to backhoe mounting frame

2шт.

48

13-856

BOLT,Hex, 1/2" - 13 x 3-1/2", Gr 5

2шт.

49

131-654

LOCK NUT,1/2"-13, GB

NUT - hex, lock, 1/2" - 13 NC

2шт.

50

D50132

SPACER,57.15mm ID x 114.3mm OD x 7.94mm L

- bearing

2шт.

Выбрано товаров: 58