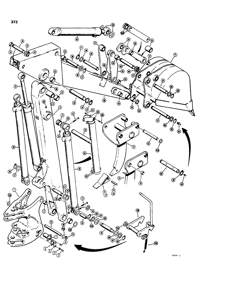
Запчасти Case 35 (372) - TOWER, BOOM, DIPPER ARM AND BUCKET, USED ON ALL BACKHOE MODELS

Схема запчастей Case 35 - (372) - TOWER, BOOM, DIPPER ARM AND BUCKET, USED ON ALL BACKHOE MODELS
FIT
1:1
100%

Артикул

Название

Примечание

Количество

1

D50134

LATHE

TOWER - swing, Includes: Ref. 2

1шт.

2

D49429

BUSHING

- at boom cylinder, closed end

2шт.

3

13-814

BOLT,Hex, 1/2" - 13 x 7/8", Gr 5, Full Thd

Hex 1/2"-13 x 7/8", G5, Full Thd, if D50148 spacer is used

4шт.

3

13-812

BOLT,Hex, 1/2" - 13 x 3/4", Gr 5

- hex, 1/2" - 13 NC x 3/4", if D50148 spacer is not used

4шт.

4

92-8

LOCK WASHER,1/2"

4шт.

5

D50149

BLOCK

- pin locking

2шт.

6

D50148

BUSHING

SPACER - locking block, if used

2шт.

7

D50700

PIN

- boom to swing tower

2шт.

8

219-1

LUBE NIPPLE,1/8" - 27 NPTF

GREASE FITTING - straight, 1/8" NPT

2шт.

9

D54944

BOOM - backhoe, Includes: Ref. 10 - 13

1шт.

10

D50698

BUSHING,51.03mm ID x 69.98mm OD x 40.64mm L

- boom pivot

2шт.

11

D95362

BUSHING

- boom cylinder anchor

2шт.

12

D31142

BUSHING,51.02mm ID x 63.5mm OD x 38.1mm L

- dipper pivot

2шт.

13

D37416

BUSHING

SPACER - bushing

1шт.

13a

D44813

SHIM,53.34mm ID x 76.2mm OD x 0.89mm Thk

Spacer, between swing tower and boom .035" Thk

1шт.

14

D54934

SHAFT

- pivot, boom lock, before backhoe, use D55996, Serial Range: -5220178

1шт.

14

D55996

SHAFT

- pivot, boom lock, backhoe, Start Serial: 5220178

1шт.

15

D54947

SNAP RING,#131, Ext

Ring, Snap, , pin, used with D54934 shaft #131, Ext

2шт.

15

D56051

SNAP RING,#137. Ext

Ring, Snap, #137, Ext, pin, used with D55996 shaft

2шт.

15a

195-2131

WASHER,1 3/8" x 2" x .065"

- plain, 1-3/8" ID x 2" OD, used with D54934 shaft

1шт.

15a

195-2140

WASHER,1 7/16" x 2" x .065"

- plain, 1-7/16" ID x 2" OD, used with D55996 shaft

1шт.

15b

D55073

LEVER

AND LATCH - transport lock, used with D54934 shaft on backhoes before, for service, order, 1, D58285 lever and latch, 1, D55996 shaft, 2, D56051 retaining rings, and 6, 195-2140 washers, Serial Range: -5220178

1шт.

15b

*D58285

LEVER AND LATCH - transport lock, backhoe, Start Serial: 52201786

1шт.

15c

D63988

SPRING

- transport latch

1шт.

16

D49866

PIN,38.1mm OD x 96.52mm L

- boom, Serial Range: cylinder-tower

2шт.

16a

219-1

LUBE NIPPLE,1/8" - 27 NPTF

GREASE FITTING - straight, 1/8" NPT

2шт.

17

13-656

BOLT,Hex, 3/8" - 16 x 3-1/2", Gr 5

- hex, 3/8" - 16 NC x 3-1/2"

2шт.

18

131-352

LOCK NUT,3/8"-16, GA

NUT - hex, lock, 3/8" - 16 NC

2шт.

19

D28610

WASHER,38.5mm ID x 63.5mm OD x 2.66mm Thk

- special, if used

2шт.

20

REF

INSTRUCTION

CYLINDER - hydraulic, boom, see Figures 292 - 298

1шт.

21

G32079

CYLINDER

- hydraulic, dipper, parts list Figures 300 - 304

1шт.

22

13-864

BOLT,Hex, 1/2" - 13 x 4", Gr 5

- hex, 3/8" - 16 NC x 4"

2шт.

23

D49865

PIN,50.8mm OD x 304.8mm L

- boom, Serial Range: cylinder-boom

1шт.

24

131-354

LOCK NUT,1/2"-13, GA

NUT - hex, lock, 1/2" - 13 NC

2шт.

25

195-2155

WASHER,2 1/16" x 3" x .109"

- flat, 2" ID

2шт.

26

219-1

LUBE NIPPLE,1/8" - 27 NPTF

GREASE FITTING - straight, 1/8" NPT

2шт.

27

195-2155

WASHER,2 1/16" x 3" x .109"

- flat, 2" ID

1шт.

28

D72359

PIN,44.45mm OD x 142.24mm L

- dipper, Serial Range: cylinder-boom

1шт.

29

D25280

SNAP RING,#175, Ext

Ring, Snap, , pin #175, Ext

2шт.

30

D52522

PIN,44.45mm OD x 211.84mm L

- dipper, Serial Range: cylinder-dipper

1шт.

31

D25280

SNAP RING,#175, Ext

Ring, Snap, , pin #175, Ext

2шт.

32

195-2152

WASHER,1 13/16" x 2 1/2" x .109"

- flat, 1-3/4" ID

1шт.

33

D26919

SNAP RING,#200, Ext

Ring, Snap, , pin #200, Ext

2шт.

34

195-2155

WASHER,2 1/16" x 3" x .109"

- flat, 2" ID

4шт.

35

D45523

PIN,50.8mm OD x 276.35mm L

-, Serial Range: boom-dipper

1шт.

36

219-55

LUBE NIPPLE,90 Degree Elbow, 1/8" - 27 NPTF

NIPPLE, LUBE, 90º, 1/8" NPT x .84" lg

1шт.

37

D25280

SNAP RING,#175, Ext

Ring, Snap, , pin #175, Ext

2шт.

38

195-2152

WASHER,1 13/16" x 2 1/2" x .109"

- flat, 1-3/4" ID

1шт.

39

D52522

PIN,44.45mm OD x 211.84mm L

- dipper to bucket cylinder

1шт.

40

D49858

ARM

DIPPER ARM - backhoe, when stock is exhausted,order D56528 dipper arm for service, Includes: Ref. 41 - 45

1шт.

40

D56528

DIPPER

ARM - backhoe, when stock is exhausted,order D63796 dipper arm for service, Includes: Ref. 41 - 45

1шт.

40

D63796

ARM

DIPPER ARM - backhoe, Includes: Ref. 41 - 45

1шт.

41

D52434

BUSHING

- dipper, at dipper cylinder

2шт.

42

D43946

BUSHING,51.02mm ID x 63.5mm OD x 35.6mm L

- dipper, at boom, 1-13/32" long

2шт.

42

D31142

BUSHING,51.02mm ID x 63.5mm OD x 38.1mm L

- dipper, at boom, 1-1/2" long

2шт.

43

D33094

BUSHING

- dipper, at bucket cylinder, 2-1/2" long

2шт.

43

D40089

BUSHING

- dipper, at bucket cylinder, 2" long

2шт.

43

D34340

BUSHING,44.68mm ID x 53.98mm OD x 25.4mm L

- dipper at bucket cylinder, 1" long

2шт.

44

50146

NUT

BUSHING - dipper, at bucket links

2шт.

45

D55626

BUSHING,44.68mm ID x 57.15mm OD x 41.91mm L

- dipper, at bucket

2шт.

46

REF

INSTRUCTION

CYLINDER - hydraulic, bucket, see Figures 306 - 312

1шт.

47

D25280

SNAP RING,#175, Ext

Ring, Snap, , pin #175, Ext

4шт.

48

195-2152

WASHER,1 13/16" x 2 1/2" x .109"

- flat, 1-/4" ID

1шт.

49

D53818

PIN,44.45mm OD x 278.89mm L

- bucket linkage to dipper arm

2шт.

50

55732

WASHER - special

2шт.

51

D53839

LINK

- bucket cylinder to dipper arm, LH, when stock is exhausted, order RH and LH links, D61087 and D61088 for service

1шт.

51

D61088

LINK

- bucket cylinder to dipper arm, LH

1шт.

52

D53840

LINK

- bucket cylinder to dipper arm, RH, when stock is exhausted, order RH and LH links, D61087 and D61088 for serivce, Includes: Ref. 53 and 54

1шт.

52

D61087

LINK

- bucket cylinder to dipper arm, RH, Includes: Ref. 53 and 54

1шт.

53

D46405

BUSHING,44.68mm ID x 53.98mm OD x 19.05mm L

- link, at dipper arm

1шт.

54

D42788

BUSHING,44.68mm ID x 53.98mm OD x 28.57mm L

- link, at bucket cylinder

1шт.

55

D50157

LINK

- bucket cylinder to bucket, when stock is exhausted, order D61244 link for service, Includes: Ref. 56 and 57

2шт.

55a

D61244

LINK

- bucket cylinder to bucket, Includes: Ref. 56 and 57

2шт.

56

D37495

BUSHING,44.76mm ID x 57.15mm OD x 31.75mm L

- link, at bucket cylinder

1шт.

57

D30933

BUSHING,38.41mm ID x 47.63mm OD x 31.75mm L

- link at bucket

1шт.

58

195-2152

WASHER,1 13/16" x 2 1/2" x .109"

- flat, 1-3/4" ID

1шт.

59

D25279

SNAP RING,M35, Int

RING - retaining

2шт.

60

D28610

WASHER,38.5mm ID x 63.5mm OD x 2.66mm Thk

- special

2шт.

61

D30899

PIVOT PIN,38.1mm OD x 338.14mm L

PIN - link to bucket, used on shovel and ditching buckets only

1шт.

61

D37614

PIN,38mm Od x 246mm L

- link to bucket, used on all buckets except shovel and ditching buckets

1шт.

62

D37793

PIN

- link to frost point, 1-1/2" OD x 14-9/16" long, H and L frost point

1шт.

62

D54218

PIN,38.1mm OD x 345.95mm L

- link to frost point, 1-1/2" OD x 13-5/8" long, Case manufactured frost point

1шт.

62a

195-63

WASHER,1 5/8" x 3 1/4" x .180"

- plain, 1-9/16" ID, used with D54218 pin only

2шт.

63

D37450

SPACER,40.89mm ID x 48.26mm OD x 63.5mm L

SPACER - link

1шт.

64

219-1

LUBE NIPPLE,1/8" - 27 NPTF

GREASE FITTING - straight, 1/8" NPT

1шт.

65

D25280

SNAP RING,#175, Ext

Ring, Snap, #175, Ext

2шт.

66

195-2152

WASHER,1 13/16" x 2 1/2" x .109"

- flat, 1-3/4" ID

1шт.

67

D64799

PIN,44.45mm OD x 370.84mm L

- dipper arm to bucket, all buckets except 12" buckets

1шт.

68

D55584

PIN,44.45mm OD x 327.15mm L

- dipper arm to bucket, lubricated, 12" buckets only

1шт.

69

219-1

LUBE NIPPLE,1/8" - 27 NPTF

GREASE FITTING - straight, 1/8" NPT

2шт.

70

D25280

SNAP RING,#175, Ext

Ring, Snap, , pin #175, Ext

2шт.

71

REF

INSTRUCTION

BUCKET - backhoe, see Figures 388 - 394

1шт.

D42577

SPARE PART

FROST POINT ASSEMBLY - backhoe, H and L manufactured, Includes: Ref. 72 - 74

1шт.

72

NSS

NOT SOLD SEPARAT

BODY - frost point

1шт.

73

D83306

POINT

- tooth

1шт.

74

D43417

PIN

FLEX PIN - point

1шт.

75

D54136

SUPPORT ASSY.

BODY - frost point, Case manufactured, Includes: Ref. 76

1шт.

76

D37495

BUSHING,44.76mm ID x 57.15mm OD x 31.75mm L

- frost point pivot

2шт.

77

83306

POINT - tooth

1шт.

78

D43417

PIN

FLEX PIN - point

1шт.

79

D55082

LOCK PIN,38.1mm OD x 208.53mm L

PIN - lock, boom transport

1шт.

80

D28610

WASHER,38.5mm ID x 63.5mm OD x 2.66mm Thk

- plain, 1-1/2" ID,.105" thick

1шт.

81

D31312

WASHER

- plain, 1-1/2" ID,.062" thick

1шт.

82

D25279

SNAP RING,M35, Int

RING - retaining, pin

2шт.

83

195-2152

WASHER,1 13/16" x 2 1/2" x .109"

- flat, 1-3/4"

1шт.

84

D62468

GUARD

- boom cylinder

2шт.

85

D62467

BRACKET

- guard mounting

4шт.

86

13-548

CAP,Hex, 5/16" - 18 x 3", Gr 5

BOLT - hex, 5/16" - 18 NC x 3"

4шт.

87

131-4

LOCK NUT,5/16"-18, GB

NUT - hex, lock, 5/16" - 18 NC

4шт.

Выбрано товаров: 0