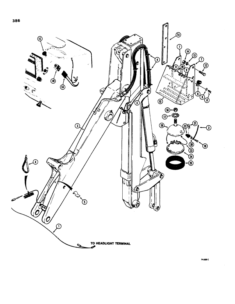
Запчасти Case 35 (386) - DIPPER LIGHT, USED WITH FOUR FOOT EXTENDABLE DIPPER, BACKHOE SN 5288692 & AFT

Схема запчастей Case 35 - (386) - DIPPER LIGHT, USED WITH FOUR FOOT EXTENDABLE DIPPER, BACKHOE SN 5288692 & AFT
FIT
1:1
100%

Артикул

Название

Примечание

Количество

1

A62556

CONNECTOR, ELEC

CONNECTOR - dipper light wire to main harness

1шт.

2

RESERVED

1шт.

3

D53268

ELECTRICAL WIRE

WIRE - rear harness to dipper light, 252" (6401 mm) long

1шт.

4

L18331

CABLE TIE,375.9mm L, Nylon

STRAP -, Serial Range: wire-hose

8шт.

5

D48071

CLAMP

- wire to boom and dipper

2шт.

6

49859

CLAMP

- wire to light housing

1шт.

7

D75730

LARGE PLATE

PLATE - light mounting

2шт.

8

13-620

BOLT,Hex, 3/8" - 16 x 1-1/4", Gr 5, Full Thd

4шт.

9

195-33

WASHER,1/2"

- flat, 3/8"

8шт.

10

92-6

LOCK WASHER,3/8"

4шт.

11

25-106

NUT,3/8"-16, G5

- hex, 3/8" - 16 NC

4шт.

12

13-832

BOLT,Hex, 1/2" - 13 x 2", Gr 5

4шт.

13

92-8

LOCK WASHER,1/2"

4шт.

14

25-108

NUT,1/2"-13, G5

- hex, 1/2" - 13 NC

4шт.

15

D52591

HOUSING

- dipper light

1шт.

16

131-354

LOCK NUT,1/2"-13, GA

NUT - hex, lock, 1/2" -13 NC

1шт.

17

195-33

WASHER,1/2"

- flat, 1/2"

1шт.

D37811

LAMP

LIGHT ASSEMBLY - dipper, Includes: Ref. 18 - 25

1шт.

18

NSS

NOT SOLD SEPARAT

BODY - light

1шт.

19

173-73

SCREW,Sl Rnd Hd, #8 - 32 x 1/4"

- machine round head, no. 8-32 NC x 1/4"

2шт.

20

193-25

LOCK WASHER,Int Tooth, 0.172" ID x 0.332" OD, STL, PLN

WASHER, LOCK, Int Tooth, #8

2шт.

21

10927

SPRING

- light

1шт.

22

B50293

TERMINAL CONNECTOR

- light

1шт.

23

A25262

ELECTRICAL WIRE

WIRE - light

1шт.

24

D33182

LAMP

BULB - sealed beam

1шт.

25

D31441

RETAINER

- light

1шт.

Выбрано товаров: 26