Запчасти Case 35 (400) - BACKHOE CNTRL TOWER, W/ TWO PIECE FORMED SWING PEDAL GUARDS, CASE & COMMERCIAL-CESSNA VALVES

Схема запчастей Case 35 - (400) - BACKHOE CNTRL TOWER, W/ TWO PIECE FORMED SWING PEDAL GUARDS, CASE & COMMERCIAL-CESSNA VALVES
FIT
1:1
100%

Артикул

Название

Примечание

Количество

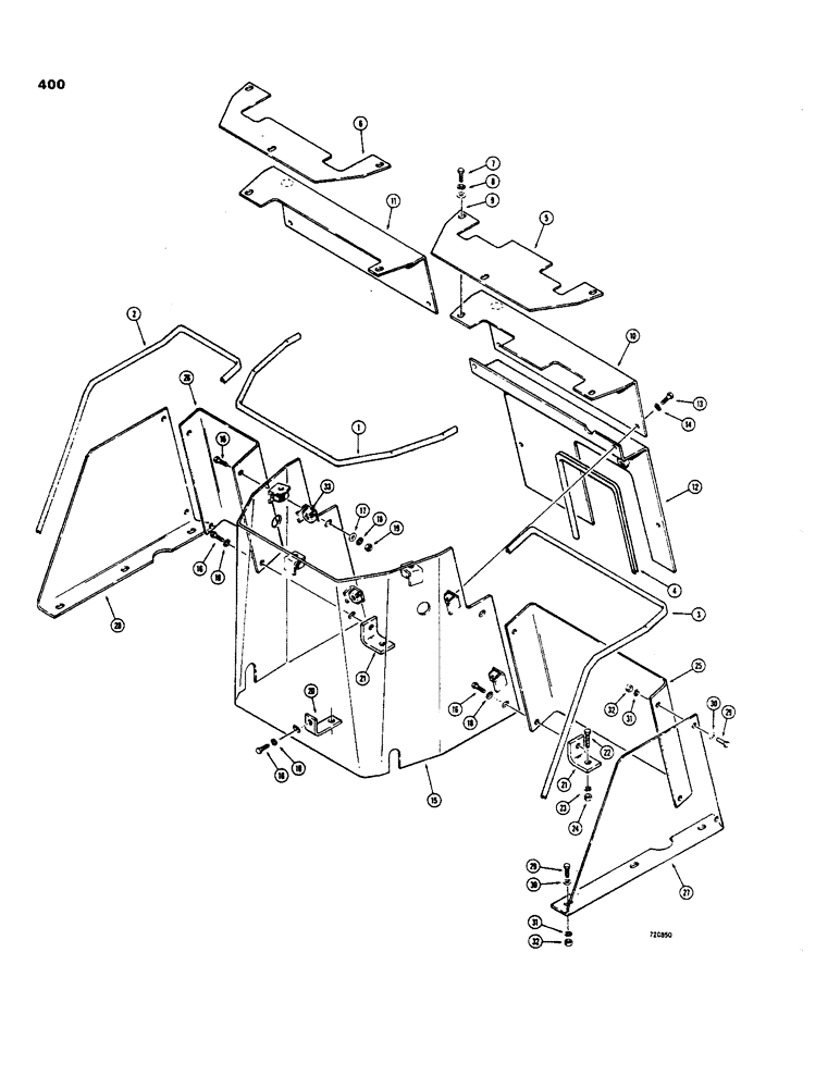
1

D52240

TRIM - protection, quickedge, 29" long, console top, cut from D52812

1шт.

2

D50352

LINING

TRIM - protection, quickedge, 30" long, LH panel, cut from D52812

1шт.

3

D50659

TRIM - protection, quickedge, 38" long, RH panel, cut from D52812

1шт.

4

D47936

LINING

TRIM - protection, quickedge, 24" long, front panel, cut from D52812

1шт.

5

D56247

PLATE - console top, twin lever control

1шт.

6

D56211

PLATE - control top, individual lever control

1шт.

7

13-612

BOLT,Hex, 3/8" - 16 x 3/4", Gr 5, Full Thd

3шт.

8

92-6

LOCK WASHER,3/8"

3шт.

9

195-25

WASHER,3/8"

- plain, 3/8"

3шт.

10

D56246

PANEL - top, front, twin lever control

1шт.

11

D56210

PANEL - top, front, individual lever control

1шт.

12

D56212

PANEL - bottom, front

1шт.

13

13-612

BOLT,Hex, 3/8" - 16 x 3/4", Gr 5, Full Thd

4шт.

14

92-6

LOCK WASHER,3/8"

4шт.

15

D56306

PANEL - center

1шт.

16

13-612

BOLT,Hex, 3/8" - 16 x 3/4", Gr 5, Full Thd

5шт.

17

195-25

WASHER,3/8"

- plain, 3/8"

2шт.

18

92-6

LOCK WASHER,3/8"

5шт.

19

25-106

NUT,3/8"-16, G5

- hex, 3/8" - 16 NC

2шт.

20

D52697

STRAP

ANGLE - center panel anchor

1шт.

21

D50287

SUPPORT

BRACKET - angle, center panel

2шт.

22

13-620

BOLT,Hex, 3/8" - 16 x 1-1/4", Gr 5, Full Thd

2шт.

23

92-6

LOCK WASHER,3/8"

2шт.

24

25-106

NUT,3/8"-16, G5

- hex, 3/8 - 16 NC

2шт.

25

D55708

PANEL

PEDAL GUARD - front, RH

1шт.

26

D55709

PANEL

PEDAL GUARD - front, LH

1шт.

27

D55710

PLATE

PEDAL GUARD - side, RH

1шт.

28

D55711

PANEL

PEDAL GUARD - side, LH

1шт.

29

13-616

BOLT,Hex, 3/8" - 16 x 1", Gr 5, Full Thd

10шт.

30

195-25

WASHER,3/8"

- plain, 3/8"

10шт.

31

92-6

LOCK WASHER,3/8"

10шт.

32

25-106

NUT,3/8"-16, G5

- hex, 3/8" - 16 NC

10шт.

33

131-634

SPRING NUT,J, Ret, 3/8"-16

- Tinnerman, 3/8" - 16 NC

7шт.

Выбрано товаров: 0