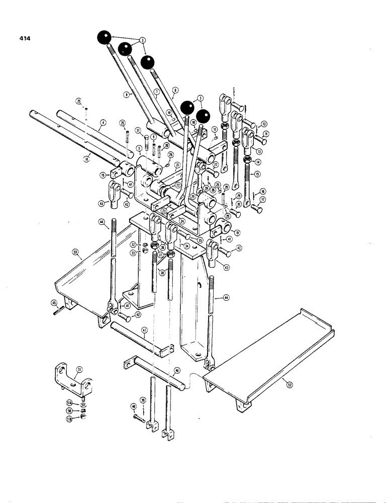
Запчасти Case 35 (414) - INDIVIDUAL LEVER BACKHOE, CNTRL, FOOT SWING, COMMERCIAL -CROSS VALVES

Схема запчастей Case 35 - (414) - INDIVIDUAL LEVER BACKHOE, CNTRL, FOOT SWING, COMMERCIAL -CROSS VALVES
FIT
1:1
100%

Артикул

Название

Примечание

Количество

1

REF

INSTRUCTION

CONSOLE - backhoe control, not shown, parts list Figures 306 - 402

1шт.

2

REF

INSTRUCTION

DECAL - control console, see Figures 478 and 480, not shown

1шт.

3

D49996

KNOB

- control

5шт.

4

D50404

SHAFT

- backhoe control levers

1шт.

5

D50561

BRACKET - lever mounting

1шт.

6

D50393

LEVER

- control, boom

1шт.

7

D50392

LEVER - control, dipper

1шт.

8

D50391

LEVER

- control, bucket

1шт.

9

138-136

LOCK PIN,1/4" x 1 1/4", Slotted

PIN - roll, 1/4" diameter x 1-1/2"

1шт.

10

219-4

LUBE NIPPLE,1/8" - 27 NPTF

GREASE FITTING - straight, 1/8" NPT

3шт.

11

141-4

CLEVIS PIN,3/8" x 1.060"

PIN, CLEVIS, 3/8" x 1.060"

3шт.

12

132-25

COTTER PIN,3/32" x 5/8"

Pin, Split (Cotter), 3/32" x 5/8"

3шт.

13

213-4

ADJUSTABLE CLEVIS,3/8"-24 x 2 1/2"

YOKE - lever to valve

3шт.

14

25-116

NUT,Hex, 3/8"-24, G5

- hex, 3/8" - 24 NF

3шт.

15

D50415

ROD

- connecting, at control valve spool

3шт.

16

132-25

COTTER PIN,3/32" x 5/8"

Pin, Split (Cotter), 3/32" x 5/8"

3шт.

17

141-3

CLEVIS PIN,5/16" x .940"

PIN, CLEVIS, 5/16" x .940"

3шт.

18

D50416

SHAFT

- swing pedal control linkage

1шт.

19

NLS

NO LONGER SERVICED

SLEEVE - swing pedal linkage, outer

2шт.

20

138-136

LOCK PIN,1/4" x 1 1/4", Slotted

PIN - roll, 1/4" diameter x 1-1/2"

4шт.

21

D50417

SLEEVE

- swing pedal linkage, inner, before backhoe, order D58217

1шт.

21

D58217

SLEEVE

- swing pedal linkage, inner, backhoe, Serial Range: -5234030

1шт.

22

195-45

WASHER,3/4"

, Start Serial: 5234030

1шт.

23

D50395

LEVER

- control, LH stabilizer

1шт.

24

D50394

LEVER - control, RH stabilizer

1шт.

25

219-55

LUBE NIPPLE,90 Degree Elbow, 1/8" - 27 NPTF

NIPPLE, LUBE, 90º, 1/8" NPT x .84" lg

4шт.

26

132-25

COTTER PIN,3/32" x 5/8"

Pin, Split (Cotter), 3/32" x 5/8"

1шт.

27

141-4

CLEVIS PIN,3/8" x 1.060"

PIN, CLEVIS, 3/8" x 1.060"

1шт.

28

D50414

ROD

- connecting, swing linkage

1шт.

29

132-25

COTTER PIN,3/32" x 5/8"

Pin, Split (Cotter), 3/32" x 5/8"

1шт.

30

141-3

CLEVIS PIN,5/16" x .940"

PIN, CLEVIS, 5/16" x .940"

1шт.

31

13-620

BOLT,Hex, 3/8" - 16 x 1-1/4", Gr 5, Full Thd

3шт.

32

92-6

LOCK WASHER,3/8"

3шт.

33

25-106

NUT,3/8"-16, G5

- hex, 3/8" - 16 NC

3шт.

34

132-25

COTTER PIN,3/32" x 5/8"

Pin, Split (Cotter), 3/32" x 5/8"

2шт.

35

141-4

CLEVIS PIN,3/8" x 1.060"

PIN, CLEVIS, 3/8" x 1.060"

2шт.

36

213-4

ADJUSTABLE CLEVIS,3/8"-24 x 2 1/2"

YOKE - stabilizer control linkage

2шт.

37

25-116

NUT,Hex, 3/8"-24, G5

- hex, 3/8" -24 NF

2шт.

38

D50410

ROD - connecting, stabilizer control

2шт.

39

132-5

COTTER PIN,1/16" x 1/2"

Pin, Split (Cotter), 1/16" x 1/2"

2шт.

40

D50559

CLEVIS,9.53mm OD x 28.32mm L

PIN - clevis

2шт.

41

132-25

COTTER PIN,3/32" x 5/8"

Pin, Split (Cotter), 3/32" x 5/8"

4шт.

42

141-4

CLEVIS PIN,3/8" x 1.060"

PIN, CLEVIS, 3/8" x 1.060"

4шт.

43

213-4

ADJUSTABLE CLEVIS,3/8"-24 x 2 1/2"

YOKE - swing linkage

2шт.

44

D50405

ROD

- connecting, swing control

2шт.

45

138-138

LOCK PIN,1/4" x 1 1/2", Slotted

PIN, 1/4" x 1 1/2", Slotted

2шт.

46

D50406

SHAFT

- swing pedal, RH

1шт.

47

D50407

SHAFT

- swing pedal, LH

1шт.

48

RESERVED

1шт.

49

RESERVED

1шт.

50

92-6

LOCK WASHER,3/8"

4шт.

51

D56287

BRACKET

- swing pedal shaft

2шт.

51a

195-25

WASHER,3/8"

- plain, , used with D55484 bracket only 3/8"

4шт.

51b

25-106

NUT,3/8"-16, G5

- hex, 3/8" - 16 NC, used with D55484 bracket only

4шт.

52

D58220

PEDAL

- swing, RH

1шт.

53

D58221

PEDAL

- swing, LH

1шт.

Выбрано товаров: 56