Запчасти Case 35 (428) - SIDE SHIFT BACKHOE FRAME AND RELATED PARTS, LATE PRODUCTION

Схема запчастей Case 35 - (428) - SIDE SHIFT BACKHOE FRAME AND RELATED PARTS, LATE PRODUCTION
FIT
1:1
100%

Артикул

Название

Примечание

Количество

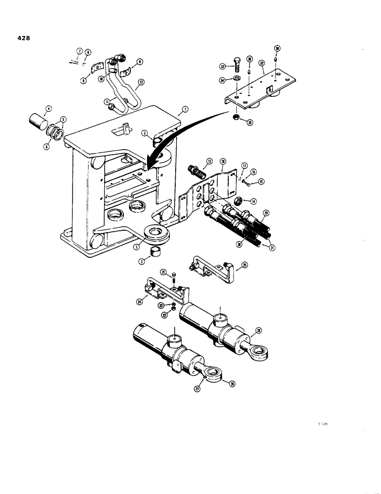
1

E32568

FRAME - side shift, sliding portion

1шт.

2

D31142

BUSHING,51.02mm ID x 63.5mm OD x 38.1mm L

- pivot, swing tower

2шт.

3

D50132

SPACER,57.15mm ID x 114.3mm OD x 7.94mm L

WASHER - spacer

1шт.

4

E18071

PISTON ASSY.

PISTON - locking cylinder

4шт.

5

D35889

SEAL,76.2mm ID x 85.72mm OD x 2.39mm Thk

- backup, leather

8шт.

6

R13774

O-RING,0.21" Thk x 2.975" ID, -337, Cl 5, 75 Duro

-337, 70 Duro, 2.975" ID x .210" Thk, Locking pistons

4шт.

7

413-632

BOLT,Hex, 3/8" - 16 x 2", Gr 5

- hex, 3/8" - 16 NC x 2"

1шт.

8

92-6

LOCK WASHER,3/8"

1шт.

9

D40236

CLAMP

-, Serial Range: tube-block

2шт.

10

D34244

SPACER

- TUBE

1шт.

11

E30170

TUBE

- valve to boom cylinder, rod end

1шт.

12

E30171

TUBE

- valve to boom cylinder, closed end

1шт.

13

218676

ORIFICE

CONNECTOR - straight, bulkhead type

6шт.

14

218-1256

BHD LOCK NUT,Blkhd, 1 1/16"-12

NUT - lock, bulkhead fitting

6шт.

15

13-716

BOLT,Hex, 7/16" - 14 x 1", Gr 5

4шт.

16

92-7

LOCK WASHER,7/16"

4шт.

17

95-7

WASHER,7/16"

- plain, 7/16"

4шт.

18

E18058

PLATE

SUPPORT - hoses at bulkhead fittings

1шт.

19

RESERVED

1шт.

20

RESERVED

1шт.

21

13-616

BOLT,Hex, 3/8" - 16 x 1", Gr 5, Full Thd

4шт.

22

25-106

NUT,3/8"-16, G5

- hex, 3/8" - 17 NC

4шт.

23

92-6

LOCK WASHER,3/8"

4шт.

24

E32492

TUBE

AND BRACKET - valve to LH swing cylinder, rod end

1шт.

25

E32493

BRACKET

TUBE AND BRACKET - valve to RH swing clylinder, rod end

1шт.

26

RESERVED

1шт.

28

REF

INSTRUCTION

CYLINDER -hydraulic, swing, see Figures 272 - 290 for proper cylinder

2шт.

27

219-31

LUBE NIPPLE,30 Degree Elbow, 1/8" - 27 NPTF

GREASE FITTING - 30 degree, 1/8" NPT

2шт.

29

E18394

HOSE

-valve to dipper cylinder, closed end, 66" (1676 mm) long

1шт.

30

E18393

HOSE

- valve to dipper cylinder, rod end, 73" (1754 mm) long

1шт.

31

E18392

HOSE

- valve to bucket cylinder, 81" (2057 mm) long

2шт.

32

E32486

SHIELD

PLATE - swing cylinder mounting

1шт.

33

26-1656

BOLT,Hex, 1" - 8 x 3-1/2", Gr 8

- hex, 1" - 8 NC x 2-1/2"

4шт.

34

D36505

WASHER,26.99mm ID x 47.63mm OD x 2.38mm Thk

- hardened

8шт.

35

25-1016

NUT,1"-8, G5

4шт.

36

219-1

LUBE NIPPLE,1/8" - 27 NPTF

GREASE FITTING - straight, 1/8" NPT

2шт.

Выбрано товаров: 36