Запчасти Case 35 (456) - LOCKUP PARTS, PADLOCK & KEYS

Схема запчастей Case 35 - (456) - LOCKUP PARTS, PADLOCK & KEYS
FIT
1:1
100%

Артикул

Название

Примечание

Количество

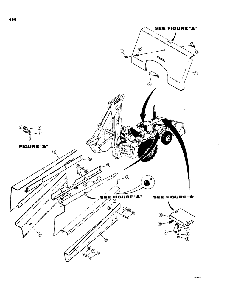
R29556

LOCK

PADLOCK ASSEMBLY, Includes: Refs. 2 and 2A

8шт.

1

R29554

LOCK

PADLOCK - tractor lockup manufacturer part no. 500

8шт.

2

R29555

KEY

- padlock, used with R29554 padlock, manufacturer part no. 199KA

4шт.

3

13-68

SCREW,Hex, 3/8" - 16 x 1/2", Gr 5

BOLT - hex, 3/8" - 16 NC x 1/2", guard storage bolt, welded to fender, instrument panel lockup

1шт.

3

113-207

BOLT,Hex, 3/8" - 16 x 1", Gr 5

Guard storage bolt, bolted to fender, instrument panel lockup Hex, 3/8"-16 x 1", G5, Full Thd

1шт.

3a

87016560

JAM NUT,Jam, 3/8"-16, G5

Used with 113-207 bolt only, instrument panel lockup Jam, 3/8"-16, G5

1шт.

4

129-410

WING NUT,3/8"-16

NUT - winged, 3/8" - 16 NC, instrument panel lockup

1шт.

5

D58269

GUARD

- instrument panel, instrument panel lockup

1шт.

5a

D55142

BRACKET

- guard mounting, on tractors before, order this bracket when replacing D58264 guard, instrument panel lockup, Serial Range: -8685922

1шт.

6

D50660

BRACKET

- cover and retaining, radiator and fuel lockup

2шт.

7

13-410

BOLT,Hex, 1/4" - 20 x 5/8", Gr 5, Full Thd

Radiator and fuel lockup Hex, 1/4"-20 x 5/8", G5, Full Thd

8шт.

8

92-4

LOCK WASHER,1/4"

WASHER, LOCK, , Radiator and fuel lockup 1/4"

8шт.

9

25-104

NUT,1/4"-20, G5

Radiator and fuel lockup 1/4"-20, G5

8шт.

10

D58264

COVER

- radiator and fuel lockup

2шт.

11

D95462

MOLDING

EDGE - protective, cover, radiator and fuel lockup

2шт.

12

113-207

BOLT,Hex, 3/8" - 16 x 1", Gr 5

Eng side shield lockup Hex, 3/8"-16 x 1", G5, Full Thd

7шт.

13

195-525

WASHER,3/8", SAE

- plain, 3/8", eng side shield lockup

14шт.

14

D56396

HANGER - side panel, RH, before loader, eng shield lockup, Serial Range: -5228454

1шт.

14

D55695

HANGER - side panel, RH, loader, eng shield lockup, Start Serial: 5228454

1шт.

15

D55697

HANGER - side panel, LH, eng shield lockup

1шт.

16

192-21

LOCK WASHER,3/8"

WASHER, LOCK, , Eng side shield lockup 3/8"

7шт.

17

129-103

NUT,Hex, 3/8" - 16, Gr 5

NUT, , Eng side shield lockup 3/8"-16, G5

7шт.

18

D55699

PANEL ASSY.

PANEL - side, RH, upper, before loader, eng shield lockup, Serial Range: -5228454

1шт.

18

D55699

PANEL ASSY.

PANEL - side, RH, upper, loader, eng shield lockup, Start Serial: 5228454

1шт.

19

D55701

PANEL ASSY.

PANEL - side, LH, upper, eng shield lockup

1шт.

20

D55964

BUMPER - grommet, upper side panels, eng shield lockup

12шт.

21

129-409

WING NUT,1/4"-20

NUT, WING, , Eng side shield lockup 1/4"-20

4шт.

22

113-102

BOLT,Hex, 5/16" - 18 x 3/4", Gr 5

Hex, 5/16"-18 x 3/4", G5, Full Thd, Eng side shield lockup

2шт.

23

D55814

PANEL - side, RH, lower, eng shield lockup

1шт.

24

D55815

PANEL - side, LH, lower, eng shield lockup

1шт.

25

192-20

LOCK WASHER,Helical Spring, 0.318" ID, CST, ZND

WASHER, LOCK, , Eng side shield lockup 5/16"

2шт.

26

195-521

WASHER,5/16", SAE

- plain, 5/16", eng side shield lockup

2шт.

27

131-113

SPRING NUT,J, Ret, 5/16"-18

Eng side shield lockup J, Ret, 5/16"-18

2шт.

28

113-602

BOLT,Hex, 5/8" - 11 x 1", Gr 5, Full Thd

Engine side shield lockup Hex, 5/8"-11 x 1", G5, Full Thd

2шт.

29

192-25

LOCK WASHER,5/8"

WASHER, LOCK, , Eng side shield lockup 5/8"

2шт.

30

195-541

WASHER,5/8", SAE

- plain, 5/8", eng side shield lockup

2шт.

Выбрано товаров: 0