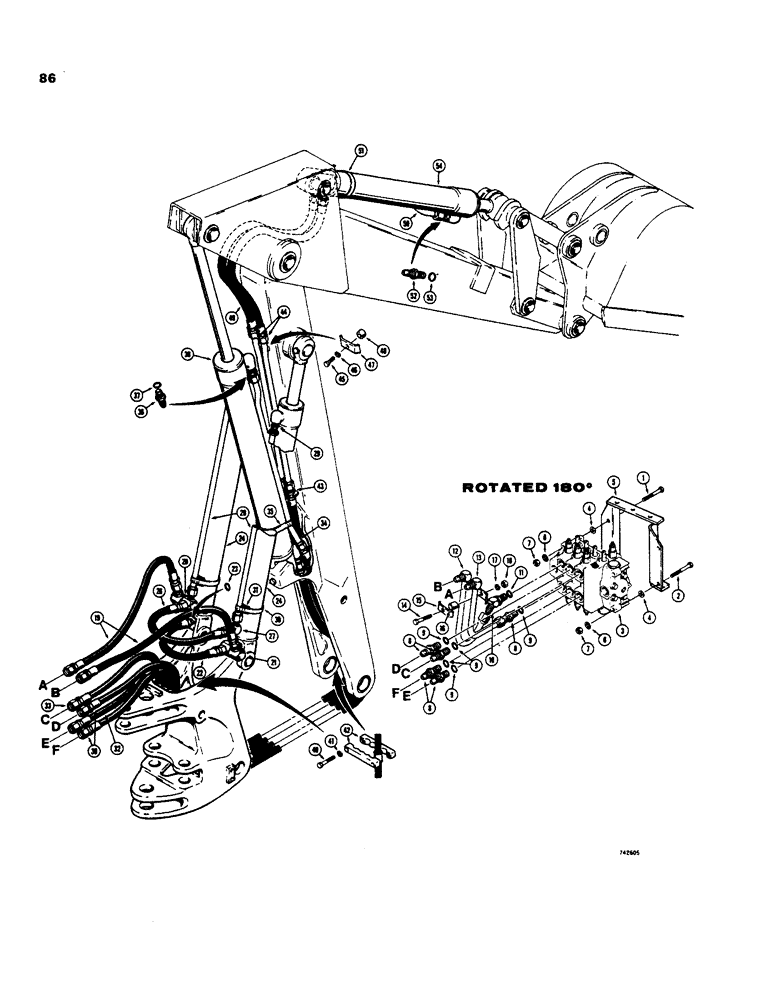
Запчасти Case 35 (086) - BOOM, DIPPER AND BUCKET CYL HYDS, COMMERCIAL - CROSS VALVES USED ON MDLS W/ BACKHOE SN BEF 5219901

Схема запчастей Case 35 - (086) - BOOM, DIPPER AND BUCKET CYL HYDS, COMMERCIAL - CROSS VALVES USED ON MDLS W/ BACKHOE SN BEF 5219901
FIT
1:1
100%

Артикул

Название

Примечание

Количество

1

13-872

BOLT,Hex, 1/2" - 13 x 4-1/2", Gr 5

Upper valve mounting Hex, 1/2"-13 x 4 1/2", G5

2шт.

2

13-880

BOLT,Hex, 1/2" - 13 x 5", Gr 5

Lower valve mounting Hex, 1/2"-13 x 5", G5

1шт.

3

D50560

LOCK VALVE

VALVE - backhoe control, parts list Figure 180

1шт.

4

195-33

WASHER,1/2"

- flat, ID 1/2"

3шт.

5

D50567

BRACKET

- mounting, valve

1шт.

6

92-8

LOCK WASHER,1/2"

3шт.

7

25-108

NUT,1/2"-13, G5

- hex, 1/2" - 13 NC

3шт.

8

218-5077

HYD CONNECTOR,1-1/16" - 12 Male JIC x 1-5/16" - 12 Male ORB

CONNECTOR - male, straight, bucket, dipper, and lower boom ports, Incl. Ref. 9

5шт.

9

218-5010

O-RING,0.116" Thk x 1.171" ID, -916, Cl 6, 90 Duro

1шт.

10

218-5144

ELBOW,45 Degree Elbow, 1-1/16" - 12 Male JIC x 1-5/16" - 12 Male ORB

- adjustable, 45 degree, upper boom port, Includes: Ref. 11

1шт.

11

218-5010

O-RING,0.116" Thk x 1.171" ID, -916, Cl 6, 90 Duro

1шт.

12

D50588

TUBE - upper valve port to boom cylinders, used only if tractor is not equipped with cab, when stock is exhausted, order D54973 for service

1шт.

13

D54973

TUBE

- upper valve port to boom cylinders, must be used if tractor is equipped with cab

1шт.

13

D50550

BOLT

TUBE - lower valve port to boom cylinders, used only if tractor is not equipped wiht cab, when stock is exhausted, order D54975 for service

1шт.

13

D54975

TUBE

- lower valve port to boom cylinders, must be used if tractor is equipped with cab

1шт.

14

413-632

BOLT,Hex, 3/8" - 16 x 2", Gr 5

- hex, 3/8" - 16 NC x 2"

1шт.

15

D40236

CLAMP

- tube

2шт.

16

D34244

SPACER

- tube clamping

1шт.

17

92-6

LOCK WASHER,3/8"

1шт.

18

25-106

NUT,3/8"-16, G5

- hex, 3/8" - 16 NC

1шт.

19

D50383

HOSE

- control valve to boom cylinder, at valve, 38" (965 mm) long

2шт.

20

D60947

FITTING

JOINT - swivel, RH boom cylinder, parts list Figure 160

1шт.

21

D60948

JOINT

- swivel, LH boom cylinder, parts list Figure 160

1шт.

22

D50732

HOSE,12.7mm ID x 652.78mm L, SAE 100R2

- crossover, at closed end of boom cylinders, 25-3/4" long, Includes: Ref. 23

1шт.

23

218-5008

O-RING,0.116" Thk x 0.924" ID, -912, Cl 6, 90 Duro

1шт.

24

REF

INSTRUCTION

CYLINDER - hydraulic, boom, see Figures 292 - 298 for proper cylinder

2шт.

25

RESERVED

1шт.

26

CASD50053

HOSE - crossover, to rod end of boom cylinder, 23" (584 mm) long

1шт.

27

218-476

ELBOW,90 Degree Elbow, 1-1/16" - 12 Male JIC x 1-1/16" - 12 Male JIC

- male, 90 degree

1шт.

28

D50381

TUBE

- control valve to boom cylinder, at cylinder, Includes: Ref. 29

2шт.

29

237-6010

O-RING,0.097" Thk x 0.755" ID, -910, Cl 6, 90 Duro

1шт.

30

214-267

HOSE CLAMP,#64, 3.56" - 4.5", Type F Worm

CLAMP - tube to cylinder

2шт.

31

D38648

BLOCK

SPACER - tube

1шт.

32

D55988

HOSE

- control valve to closed end of dipper cylinder, 82" (2083 mm) long

1шт.

33

D55987

HOSE

- control valve to rod end of dipper cylinder, 89" (2261 mm) long

1шт.

34

D50379

TUBE

- control valve to rod end of dipper cylinder, at cylinder

1шт.

35

214-269

HOSE CLAMP,#72, 4.06" - 5", Type F Worm

CLAMP - tube to cylinder

1шт.

36

218-5065

HYD CONNECTOR,1-1/16" - 12 Male JIC x 7/8" - 14 Male ORB

CONNECTOR - male, straight, Includes: Ref. 37

2шт.

37

237-6010

O-RING,0.097" Thk x 0.755" ID, -910, Cl 6, 90 Duro

1шт.

38

G32079

CYLINDER

- hydraulic, dipper, parts list Figures 300 - 304

1шт.

Connector located at Trunnion end of cylinder bucket cylinder is P/N 218-5065.

1шт.

39

D55989

HOSE,15.88mm ID x 2413mm L, SAE 100R2

- control valve to bucket cylinder, at valve, 94" (2388 mm) long

2шт.

40

13-828

BOLT,Hex, 1/2" - 13 x 1-3/4", Gr 5

- hex, 1/2" - 13 NC x 1-3/4"

4шт.

41

92-8

LOCK WASHER,1/2"

4шт.

42

D50388

CLAMP

- hose

2шт.

43

218-1256

BHD LOCK NUT,Blkhd, 1 1/16"-12

NUT - hex, lock, 3/4" tube

2шт.

44

D50386

TUBE

- control valve to bucket cylinder, intermediate

2шт.

45

13-624

BOLT,Hex, 3/8" - 16 x 1-1/2", Gr 5

- hex, 3/8" - 16 NC x 1-1/2"

1шт.

46

92-6

LOCK WASHER,3/8"

1шт.

47

D42504

CLAMP

- tube

1шт.

48

D36040

BUSHING

SPACER - tube clamp

1шт.

49

D50372

HOSE

- control valve to bucket cylinder, at cylinder, 34" (864 mm) long

2шт.

50

D58609

TUBE

- control valve to rod end of bucket cylinder, when stock is stock is exhausted order D58609 for service

1шт.

50

D58609

TUBE

- control valve to rod end of bucket cylinder

1шт.

51

214-269

HOSE CLAMP,#72, 4.06" - 5", Type F Worm

CLAMP - tube

1шт.

52

218-5065

HYD CONNECTOR,1-1/16" - 12 Male JIC x 7/8" - 14 Male ORB

CONNECTOR - male, straight, Includes: Ref. 53

2шт.

53

237-6010

O-RING,0.097" Thk x 0.755" ID, -910, Cl 6, 90 Duro

1шт.

54

REF

INSTRUCTION

CYLINDER - hydraulic, bucket, see Figures 306 - 312 for proper cylinder

1шт.

Выбрано товаров: 58