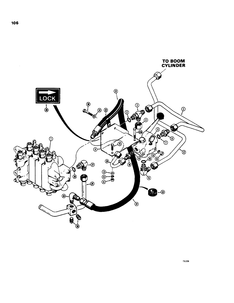
Запчасти Case 35 (106) - BOOM LOCKOUT HYDS, CASE - CESSNA VALVES, USED ON MDLS W/ BACKHOE SN 5251151 & AFT

Схема запчастей Case 35 - (106) - BOOM LOCKOUT HYDS, CASE - CESSNA VALVES, USED ON MDLS W/ BACKHOE SN 5251151 & AFT
FIT
1:1
100%

Артикул

Название

Примечание

Количество

1

REF

INSTRUCTION

VALVE - backhoe control, see Figure 198 for proper valve

1шт.

2

2185295

TEE - adjustable, lower boom port, Includes: Ref. 3

1шт.

3

218-5010

O-RING,0.116" Thk x 1.171" ID, -916, Cl 6, 90 Duro

1шт.

4

218-755

CAP,37 Degree, 3/4"-16

Adjustable tee, not required on models with Hydra-Guide 37º, 3/4"-16

1шт.

5

D58207

TUBE

- backhoe control valve to boom lock valve

1шт.

6

218-5064

HYD CONNECTOR,1-1/16" - 12 Male JIC x 1-1/16" - 12 Male ORB

CONNECTOR - male, straight, Incl. Ref. 7

1шт.

7

218-5008

O-RING,0.116" Thk x 0.924" ID, -912, Cl 6, 90 Duro

12-1, 90 Duro, .924 ID x .116" Thk

1шт.

8

D56102

VALVE

- boom lock, parts list Figure 190

1шт.

9

D59229

BRACKET - valve mounting

1шт.

10

13-648

BOLT,Hex, 3/8" - 16 x 3", Gr 5

- hex, 3/8" - 16 NC x 2"

2шт.

11

13-616

BOLT,Hex, 3/8" - 16 x 1", Gr 5, Full Thd

1шт.

11a

13-636

BOLT,Hex, 3/8" - 16 x 2-1/4", Gr 5

1шт.

12

195-25

WASHER,3/8"

- plain, 3/8"

4шт.

13

92-6

LOCK WASHER,3/8"

4шт.

14

25-106

NUT,3/8"-16, G5

- hex, 3/8" - 16 NC

4шт.

15

218-5108

ELBOW,90 Degree Elbow, 1-1/16" - 12 Male JIC x 1-1/16" - 12 Male ORB

- adjustable, 90 degree, Incl. Ref. 16

1шт.

16

218-5008

O-RING,0.116" Thk x 0.924" ID, -912, Cl 6, 90 Duro

12-1, 90 Duro, .924 ID x .116" Thk

1шт.

17

D58205

TUBE - boom lock valve to boom cylinder

1шт.

18

218-5059

HYD CONNECTOR,3/4"-16, 37 Degree x 3/4"-16, O-Ring

CONNECTOR - male, straight, Incl. Ref 19

1шт.

20

D60079

TUBE

- return, boom lock valve to backhoe outlet tube

1шт.

21

D60078

HOSE ASSY.

HOSE - return, tube to backhoe return, 22-1/2" (572 mm) long

1шт.

22

R21385

CLAMP

-, Serial Range: hose-bracket

1шт.

23

D35078

GROMMET,1 1/2" ID x 1 3/4" Groove Dia

- hose at floor plate

1шт.

24

218-485

ELBOW,90 Degree Elbow, 7/8" - 14 Male JIC x 1/2" - 14 Male NPTF

- male, 90 degree

1шт.

25

D56157

TUBE - return, backhoe control valve to tube "Y"

1шт.

26

221-14

DRAIN PLUG,Sq Hd, 1/2"-14 NPTF

PLUG - pipe, square head, 1/2" NPT

2шт.

27

218-5110

ELBOW,90 Degree Elbow, 1-5/16" - 12 Male JIC x 1-5/16" - 12 Male ORB

90º, adjustable, Incl. Ref. 28

1шт.

28

218-5010

O-RING,0.116" Thk x 1.171" ID, -916, Cl 6, 90 Duro

1шт.

29

321-2190

DECAL

- "LOCK"

1шт.

19

218-5006

O-RING,0.087" Thk x 0.644" ID, -908, Cl 6, 90 Duro

1шт.

Выбрано товаров: 30