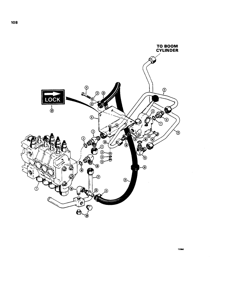
Запчасти Case 35 (108) - BOOM LOCKOUT HYDRAULICS, COMMMERCIAL - CESSNA VALVES

Схема запчастей Case 35 - (108) - BOOM LOCKOUT HYDRAULICS, COMMMERCIAL - CESSNA VALVES
FIT
1:1
100%

Артикул

Название

Примечание

Количество

1

D50560

LOCK VALVE

VALVE - backhoe control, see Figure 90 for related parts and Figure 181 component parts

1шт.

2

218-5295

TEE,37 Degree, 1 1/16"-12, 7/8"-14 O-Ring Run, 3/4"-16

- adjustable, lower boom port, Includes: Ref. 3

1шт.

3

218-5010

O-RING,0.116" Thk x 1.171" ID, -916, Cl 6, 90 Duro

1шт.

4

218-755

CAP,37 Degree, 3/4"-16

Adjustable tee, not required on models with Hydra-Guide 37º, 3/4"-16

1шт.

5

D56386

TUBE - backhoe control valve to boom lock valve, before backhoe, Serial Range: -5247426

1шт.

5

D58308

TUBE - backhoe control valve to boom lock, backhoe, Start Serial: 5247426

1шт.

6

218-5064

HYD CONNECTOR,1-1/16" - 12 Male JIC x 1-1/16" - 12 Male ORB

CONNECTOR - male, straight, Incl. Ref. 7

1шт.

7

218-5008

O-RING,0.116" Thk x 0.924" ID, -912, Cl 6, 90 Duro

12-1, 90 Duro, .924 ID x .116" Thk

1шт.

8

D56102

VALVE

- boom lock, parts list Figure 190

1шт.

9

D56109

BRACKET - valve mounting, before backhoe, Serial Range: -5247426

1шт.

9

D58170

BRACKET - valve mounting, backhoe, Start Serial: 5247426

1шт.

10

13-620

BOLT,Hex, 3/8" - 16 x 1-1/4", Gr 5, Full Thd

2шт.

11

13-648

BOLT,Hex, 3/8" - 16 x 3", Gr 5

-hex, 3/8" - 16 NC x 3"

2шт.

12

195-25

WASHER,3/8"

- plain, 3/8"

4шт.

13

92-6

LOCK WASHER,3/8"

4шт.

14

25-106

NUT,3/8"-16, G5

- hex, 3/8" - 16 NC

4шт.

15

218-5108

ELBOW,90 Degree Elbow, 1-1/16" - 12 Male JIC x 1-1/16" - 12 Male ORB

- adjustable, 90 degree, Incl. Ref. 16

1шт.

16

218-5008

O-RING,0.116" Thk x 0.924" ID, -912, Cl 6, 90 Duro

12-1, 90 Duro, .924 ID x .116" Thk

1шт.

17

D56103

TUBE - boom lock valve to boom cylinder, before backhoe, Serial Range: -5247426

1шт.

17

D58205

TUBE - boom lock valve to boom cylinder, backhoe, Start Serial: 5247426

1шт.

18

218-5059

HYD CONNECTOR,3/4"-16, 37 Degree x 3/4"-16, O-Ring

CONNECTOR - male, straight, Incl. Ref 19

1шт.

20

D56380

TUBE - return, boom lock valve to backhoe outlet tube

1шт.

21

D56379

HOSE ASSY.

HOSE - return, tube to backhoe return

1шт.

22

214-254

HOSE CLAMP,#12, 0.69" - 1.25", Type F Worm

CLAMP - hose retaining

2шт.

23

R35078

CLAMP -, Serial Range: hose-bracket

1шт.

24

D35078

GROMMET,1 1/2" ID x 1 3/4" Groove Dia

- hose at floor plate

1шт.

25

217-168

FITTING,1/2" Hose Barb x 1/2" Male NPTF

HOSE STEM - straight barb

1шт.

26

221-414

FITTING,90 Degree, 1/2"-14, NPT

ELBOW - street, 90 degree, 1/2" NPT

1шт.

27

D56257

TUBE

- return, backhoe control valve to tube "Y"

1шт.

28

221-14

DRAIN PLUG,Sq Hd, 1/2"-14 NPTF

PLUG - pipe, square head, 1/2" NPT

2шт.

29

218-5110

ELBOW,90 Degree Elbow, 1-5/16" - 12 Male JIC x 1-5/16" - 12 Male ORB

90º, adjustable, Incl. Ref. 30

1шт.

30

218-5010

O-RING,0.116" Thk x 1.171" ID, -916, Cl 6, 90 Duro

1шт.

31

D56105

PANEL - front, lock valve, not illustrated

1шт.

32

321-2190

DECAL

- "LOCK"

1шт.

19

218-5006

O-RING,0.087" Thk x 0.644" ID, -908, Cl 6, 90 Duro

1шт.

Выбрано товаров: 0