Запчасти Case 35 (134) - LOADER LIFT, TILT AND, HYDRA-LEVELING HYDRAULICS

Схема запчастей Case 35 - (134) - LOADER LIFT, TILT AND, HYDRA-LEVELING HYDRAULICS
FIT
1:1
100%

Артикул

Название

Примечание

Количество

1

REF

INSTRUCTION

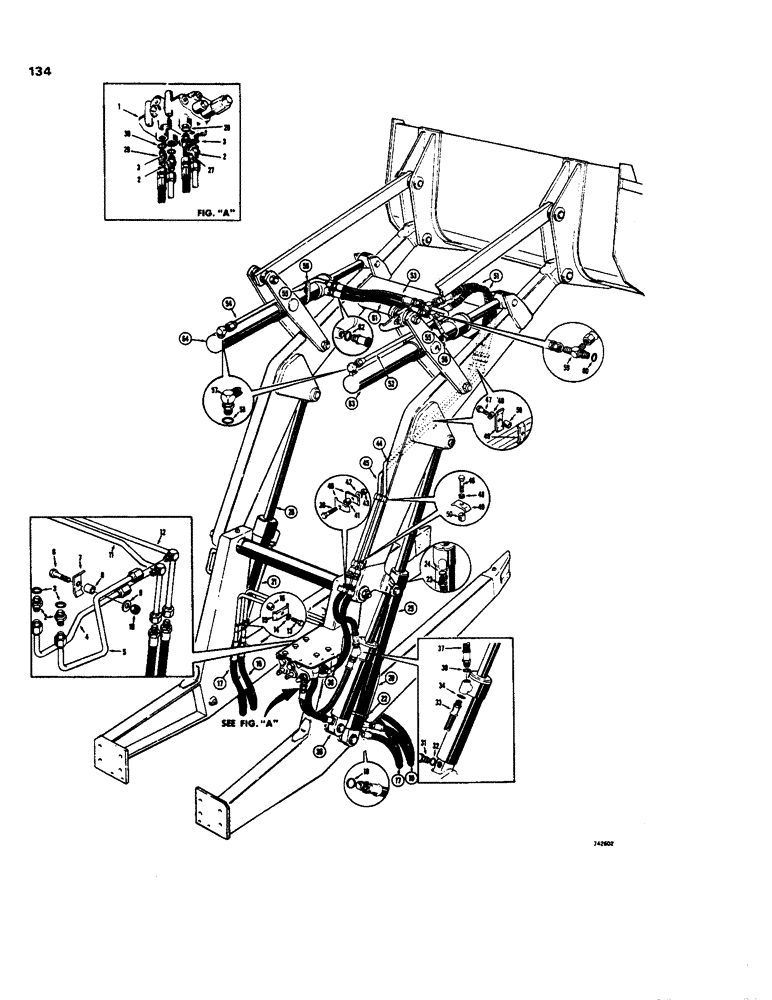
VALVE - loader control, see Figure 172 for proper valve

1шт.

2

218-5062

HYD CONNECTOR,7/8"-14, 37 Degree x 7/8"-14, O-Ring

CONNECTOR - male, straight, Includes: Ref. 3

2шт.

3

237-6010

O-RING,0.097" Thk x 0.755" ID, -910, Cl 6, 90 Duro

1шт.

4

D50360

TUBE

- valve to lift cylinder crossover tubes, closed end, models without noise control

1шт.

5

D50362

TUBE

- valve to lift cylinder corssover tubes, rod end, models without noise control

1шт.

5a

R25709

TUBE

HOSE - valve to lift cylinder crossover tubes, closed and rod ends, models with noise control, not shown

2шт.

6

13-628

BOLT,Hex, 3/8" - 16 x 1-3/4", Gr 5

1шт.

7

D42504

CLAMP

- tube

1шт.

8

D33552

BUSHING

SPACER - tube clamp

1шт.

9

195-25

WASHER,3/8"

- flat, 3/8"

1шт.

10

131-6

LOCK NUT,3/8"-16, GC

NUT - hex, lock, 3/8" - 16 NC

1шт.

11

D50354

TUBE - lift cylinder crossover, closed end

1шт.

12

D50353

TUBE

- lift cylinder crossover, rod end

1шт.

13

13-620

BOLT,Hex, 3/8" - 16 x 1-1/4", Gr 5, Full Thd

1шт.

14

92-6

LOCK WASHER,3/8"

1шт.

15

D42504

CLAMP

- tube

1шт.

16

D33552

BUSHING

SPACER - tube clamp

1шт.

17

D30533

HOSE

- valve to lift cylinder, closed end, 26" (660 mm) long, Includes: Ref. 18

2шт.

18

237-6010

O-RING,0.097" Thk x 0.755" ID, -910, Cl 6, 90 Duro

1шт.

19

D30541

HOSE

- valve to lift cylinder, rod end, 27-1/8" (689 mm) long

2шт.

20

D31460

TUBE

- valve to RH lift cylinder, rod end

1шт.

21

D31459

TUBE

- valve to LH lift cylinder, rod end

1шт.

22

214-264

HOSE CLAMP,#52, 2.81" - 3.75", Type F Worm

CLAMP - tube to cylinder

2шт.

23

218-5062

HYD CONNECTOR,7/8"-14, 37 Degree x 7/8"-14, O-Ring

CONNECTOR - male, straight, Includes: Ref. 24

2шт.

24

237-6010

O-RING,0.097" Thk x 0.755" ID, -910, Cl 6, 90 Duro

1шт.

25

REF

INSTRUCTION

CYLINDER - hydraulic, RH lift, see Figures 224 - 230

1шт.

26

REF

INSTRUCTION

CYLINDER - hydraulic, LH lift, see Figures 224 - 230

1шт.

27

218-5241

TEE,7/8" - 14 Male JIC x 7/8" - 14 Male JIC x 7/8" - 14 Male ORB

- male, adjustable, Includes: Ref. 28

1шт.

28

237-6010

O-RING,0.097" Thk x 0.755" ID, -910, Cl 6, 90 Duro

1шт.

29

218-5062

HYD CONNECTOR,7/8"-14, 37 Degree x 7/8"-14, O-Ring

CONNECTOR - male, straight

1шт.

30

237-6010

O-RING,0.097" Thk x 0.755" ID, -910, Cl 6, 90 Duro

1шт.

31

D37185

HOSE ASSY.

HOSE - valve to hydr-guide leveling cylinder, closed end, 16-1/2" (491 mm) long, Includes: Ref. 32

1шт.

32

237-6010

O-RING,0.097" Thk x 0.755" ID, -910, Cl 6, 90 Duro

1шт.

33

D37184

HOSE

- valve to hydra-guide leveling cylinde, rod end, 24-1/2" (623 mm) long, Includes: Ref. 34

1шт.

34

237-6010

O-RING,0.097" Thk x 0.755" ID, -910, Cl 6, 90 Duro

1шт.

35

REF

INSTRUCTION

CYLINDER - hydraulic, hydra-leveling, see Figures 216 - 220

1шт.

36

D30543

HOSE,12.7mm ID x 736.6mm L, SAE 100R2

- valve to tilt cylinder, closed end, 29" (737 mm) long

1шт.

37

D44436

HOSE

- valve to tilt cylinder, rod end, 20-1/2" (521 mm) long, Includes: Ref. 38

1шт.

38

237-6010

O-RING,0.097" Thk x 0.755" ID, -910, Cl 6, 90 Duro

1шт.

39

413-632

BOLT,Hex, 3/8" - 16 x 2", Gr 5

- hex, 3/8" - 16 NC x 2"

1шт.

40

D40236

CLAMP

- hose

2шт.

41

D33554

BUSHING

SPACER - hose clamp

1шт.

42

195-25

WASHER,3/8"

- flat, 3/8"

1шт.

43

131-6

LOCK NUT,3/8"-16, GC

NUT - hex, lock, 3/8" - 16 NC

1шт.

44

D31361

TUBE

- valve to tilt cylinder, closed end

1шт.

45

D31359

TUBE

- valve to tilt cylinder, rod end

1шт.

46

13-516

BOLT,Hex, 5/16" - 18 x 1", Gr 5

1-2шт.

47

13-520

BOLT,Hex, 5/16" - 18 x 1-1/4", Gr 5

- hex, 5/16" - 18 NC x 1-1/4"

2шт.

48

92-5

LOCK WASHER,5/16"

3-4шт.

49

R17319

CLAMP

- tube

4-5шт.

50

D33551

BUSHING

SPACER - clamp

3-4шт.

51

D31370

HOSE

- valve to tilt cylinder, 30-7/16" (773 mm) long

2шт.

52

D61058

TUBE

- valve to RH tilt cylinder, closed end

1шт.

53

D30543

HOSE,12.7mm ID x 736.6mm L, SAE 100R2

- valve to LH tilt cylinder, closed end, 29" (737 mm) long

1шт.

54

D38637

TUBE

- valve to LH tilt cylinder, closed end

1шт.

55

D38648

BLOCK

SPACER -, Serial Range: clamp-tube

2шт.

56

214-262

HOSE CLAMP,#44, 2.31" - 3.25", Type F Worm

CLAMP - hose

2шт.

57

218-5121

ELBOW,90 Degree Elbow, 3/4" - 16 Male JIC x 7/8" - 14 Male ORB

- adjustable. 90 degree, Includes: Ref. 58

2шт.

58

237-6010

O-RING,0.097" Thk x 0.755" ID, -910, Cl 6, 90 Duro

1шт.

59

218-5241

TEE,7/8" - 14 Male JIC x 7/8" - 14 Male JIC x 7/8" - 14 Male ORB

- male, adjustable

1шт.

60

237-6010

O-RING,0.097" Thk x 0.755" ID, -910, Cl 6, 90 Duro

1шт.

61

D31368

HOSE

- valve to LH tilt cylinder, rod end, (29-3/4" (756 mm) long, Includes: Ref. 62

1шт.

62

237-6010

O-RING,0.097" Thk x 0.755" ID, -910, Cl 6, 90 Duro

1шт.

63

REF

INSTRUCTION

CYLINDER - hydraulic, tilt RH, see Figures 232 - 236

1шт.

64

REF

INSTRUCTION

CYLINDER - hydraulic, tilt, LH see Figures 232 - 236

1шт.

Выбрано товаров: 0