Запчасти Case 35 (180) - D50560 COMMERCIAL BACKHOE CONTROL VALVE

Схема запчастей Case 35 - (180) - D50560 COMMERCIAL BACKHOE CONTROL VALVE
FIT
1:1
100%

Артикул

Название

Примечание

Количество

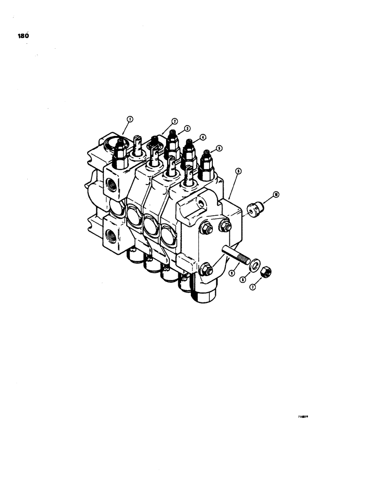
D50560

LOCK VALVE

VALVE ASSEMBLY - backhoe control, Includes: Ref. 1 - 9

1шт.

1

D54597

VALVE

INLET SECTION - backhoe control valve, parts list Figure 194

1шт.

2

D54598

VALVE

SWING SECTION - backhoe control valve, parts list Figure 186

1шт.

3

D54599

KNIFE SECTION

BUCKET SECTION - backhoe control valve, parts list Figure 184

1шт.

4

D54599

KNIFE SECTION

CROWD SECTION - backhoe control valve, parts list Figure 196

1шт.

5

D54600

KNIFE SECTION

BOOM SECTION - backhoe control valve, parts list Figure 188

1шт.

6

D54601

VALVE

OUTLET SECTION - backhoe control valve, parts list Figure 182

1шт.

7

25-108

NUT,1/2"-13, G5

- hex, 1/2" - 13 NC

8шт.

8

D30694

WASHER - special

8шт.

9

D54602

STUD

- special, valve section tie

4шт.

10

D54518

FITTING

RESTRICTOR - boom drop

1шт.

Выбрано товаров: 11