Запчасти Case 580B (202) - DIFFERENTIAL, W/O LOCK (06) - POWER TRAIN

Схема запчастей Case 580B - (202) - DIFFERENTIAL, W/O LOCK (06) - POWER TRAIN
4
1
14
11
12
16
8
2
10
5
3
6
15
13
9
FIT
1:1
100%

Артикул

Название

Примечание

Количество

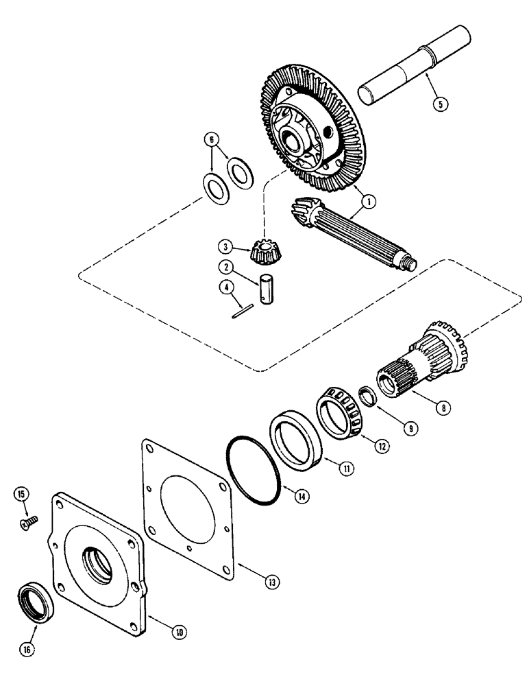
1

A39267

GEAR, BEVEL

RING GEAR ASSY. - countershaft, matched

1шт.

Uses 45-620 rivets.

1шт.

2

A39024

SHAFT

- pinion gear

3шт.

3

A38933

GEAR

- pinion

3шт.

4

138-2036

PIN,3/16" x 2", Coiled

3шт.

5

A37186

SHAFT

- differential cross

1шт.

6

A39012

WASHER,42.04mm ID x 60.2mm OD x 2.32mm Thk

- thrust, cross shaft (.089")

1шт.

If a .010 shim is req'd. use A29388.

1шт.

6

A39007

WASHER

- thrust, cross shaft (.094")

1шт.

6

A39008

WASHER

- thrust, cross shaft (.099")

1шт.

6

A39009

WASHER

- thrust, cross shaft (.104")

1шт.

6

A39010

WASHER

- thrust, cross shaft (.109")

1шт.

6

A39011

WASHER

- thrust, cross shaft (.119")

1шт.

8

A144337

GEAR

ASSY. - differential side (Replaces A38937), Inlcudes: Ref. 9

2шт.

P/N A144337 which now subs to primes, A144338 gear and A29902 plug.

1шт.

9

A29902

PLUG

- 1-5/8" expansion

1шт.

10

REF

INSTRUCTION

CARRIER ASSY. - bearing, R.H. (See Figure 203A)

1шт.

10

REF

INSTRUCTION

CARRIER ASSY. - bearing, L.H. (See Figure 203A), Inlcudes: Ref. 11

1шт.

11

A26744

BEARING CUP,110.025 mm OD x 18.875 mm

CUP - bearing, side gear

1шт.

12

REF

INSTRUCTION

CONE - bearing, side gear (See Figure 203A)

2шт.

13

A39289

SHIM,.007" Thk

Bearing carrier (.003") .007" Thk

1шт.

13

G10719

SHIM,.005" Thk

Bearing carrier .005" Thk

1шт.

13

G10720

SHIM,.010" Thk

Bearing carrier .010" Thk

1шт.

14

G10347

O-RING,0.139" Thk x 4.984" ID, -250, Cl 5, 75 Duro

"O" RING - 5 x 5-1/4 x 1/8"

2шт.

15

171-237

SCREW,Cross Flat Hd, 3/8" - 16 x 3/4", W/ Nylon Insert

- 3/8 x 3/4" flat Phillips hd.

2шт.

16

A39273

OIL SEAL

- oil, 2-1/4 x 3 x 1/2"

2шт.

Выбрано товаров: 26