Запчасти Case 580B (204) - DIFFERENTIAL, W/LOCK (06) - POWER TRAIN

Схема запчастей Case 580B - (204) - DIFFERENTIAL, W/LOCK (06) - POWER TRAIN
5
6
33
4
15
31
13
8
11
34
25
1
21
10
47
27
19
20
9
14
2
28
18
1
32
37
15
17
45
21
12
16
14
46
36
13
20
30
35
6
3
29
26
FIT
1:1
100%

Артикул

Название

Примечание

Количество

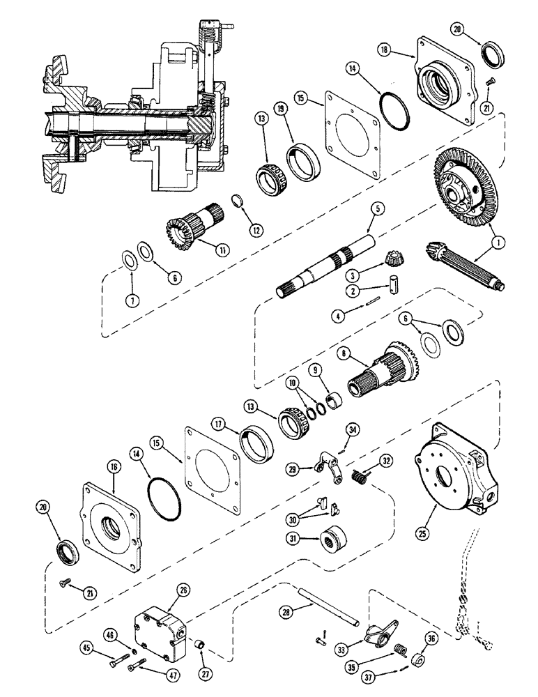
1

A39266

GEAR, BEVEL

RING GEAR ASSY. & COUNTERSHAFT - matched

1шт.

Uses 45-620 rivets.

1шт.

2

A39024

SHAFT

- pinion gear

3шт.

3

A38933

GEAR

- pinion

3шт.

4

138-2036

PIN,3/16" x 2", Coiled

3шт.

5

A144266

SHAFT

- cross (Replaces A136955 & A35918)

1шт.

6

A39012

WASHER,42.04mm ID x 60.2mm OD x 2.32mm Thk

- thrust, center wheel (.089")

1шт.

6

A39007

WASHER

- thrust, center wheel (.094")

1шт.

6

A39008

WASHER

- thrust, center wheel (.099")

1шт.

6

A39009

WASHER

- thrust, center wheel (.104")

1шт.

6

A39010

WASHER

- thrust, center wheel (.109")

1шт.

6

A39011

WASHER

- thrust, center wheel (.119")

1шт.

7

A29388

WASHER

shim

1шт.

8

A144339

GEAR

ASSY. - side, R.H. (Replaces A38935), Inlcudes: Ref. 9

1шт.

9

A35921

BUSHING,34.89mm ID x 39.83mm OD x 20.65mm L

- gear

1шт.

10

A35919

OIL SEAL

- oil, 1-3/8 x 1-5/8 x 1/8"

2шт.

11

A144337

GEAR

ASSY. - side, L.H. (Replaces A38937), Inlcudes: Ref. 12

1шт.

12

A29902

PLUG

- gear, 1-5/8" expansion

1шт.

13

NSS

NOT SOLD SEPARAT

CONE - bearing, side gear (See Figure 203A)

2шт.

14

G10347

O-RING,0.139" Thk x 4.984" ID, -250, Cl 5, 75 Duro

"O" RING - 5 x 5-1/4 x 1/8"

2шт.

15

A39289

SHIM,.007" Thk

Bearing carrier .007" Thk

1шт.

15

G10719

SHIM,.005" Thk

Bearing carrier .005" Thk

1шт.

15

G10720

SHIM,.010" Thk

Bearing carrier .010" Thk

1шт.

16

REF

INSTRUCTION

CARRFIER ASSY. - bearing, R.H. (See Figure 203A), Inlcudes: Ref. 17

1шт.

17

A26744

BEARING CUP,110.025 mm OD x 18.875 mm

CUP - bearing

1шт.

18

REF

INSTRUCTION

CARRIER ASSY. - bearing, L.H. (See Figure 203A), Inlcudes: Ref. 19

1шт.

19

A26744

BEARING CUP,110.025 mm OD x 18.875 mm

CUP - bearing

1шт.

20

A39273

OIL SEAL

- oil, 2-1/4 x 3 x 1/2"

2шт.

21

171-237

SCREW,Cross Flat Hd, 3/8" - 16 x 3/4", W/ Nylon Insert

- 3/8 x 3/4" flat Phillips hd.

4шт.

25

A37052

COVER

- brake, R.H. (w/lock) (See Figure 206)

1шт.

25

G1394

COVER

- brake, R.H. (w/o lock) (See Figure 206)

1шт.

25

G1395

COVER

- brake, L.H. (w/ or w/o lock) (See Figure 206)

1шт.

26

A35923

HOUSING

COVER ASSY. - lock, Inlcudes: Ref. 27

1шт.

27

A35925

BUSHING

- lever shaft

1шт.

28

A37564

SHAFT

- actuating, 9.62" long

1шт.

29

A38749

LEVER

- locking collar

1шт.

30

A65101

FINGER

- locking collar (Replaced A38750)

2шт.

31

A35929

CLAMP

COLLAR - locking

1шт.

32

A35933

SPRING

- inner

1шт.

33

A39841

LEVER

- actuating (Replaces A39407)

1шт.

34

138-96

LOCK PIN,3/16" x 1", Slotted

PIN, 3/16" x 1", Slotted

1шт.

35

A36446

SPRING

- outer

1шт.

36

A36447

RETAINER

COLLAR - spring retainer

1шт.

37

138-99

LOCK PIN,3/16" x 1 3/8", Slotted

PIN, 3/16" x 1 3/8", Slotted

1шт.

45

13-540

BOLT,Hex, 5/16" - 18 x 2-1/2", Gr 5

5шт.

46

92-5

LOCK WASHER,5/16"

5шт.

47

61-536

HEX SOC SCREW,5/16"-18 x 2 1/4"

SCREW - 5/16 x 2-1/4" N.C. hex. sckt. hd.

1шт.

Выбрано товаров: 47