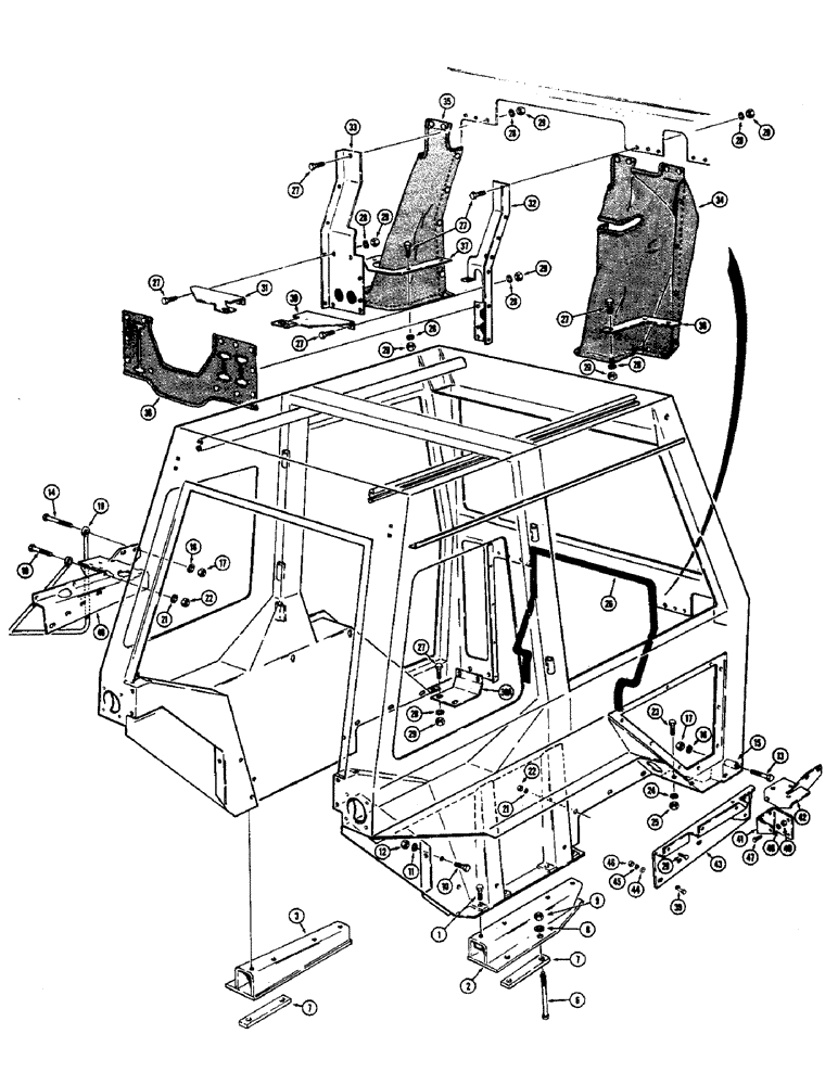
Запчасти Case 580B (240) - OPERATORS CAB, CAB MOUNTING AND CLOSURE PARTS, CAB MOUNTING PARTS (USED W/ALL MODELS) (09) - CHASSIS/ATTACHMENTS

Схема запчастей Case 580B - (240) - OPERATORS CAB, CAB MOUNTING AND CLOSURE PARTS, CAB MOUNTING PARTS (USED W/ALL MODELS) (09) - CHASSIS/ATTACHMENTS
28
28
35
49
17
28
48
28
47
31
16
27
27
11
8
27
36
9
46
42
15
6
29
22
43
40
29
24
38
22
39
17
28
32
45
29
21
27
27
10
30
19
14
1
25
7
12
29
20
41
37
16
34
2
3
23
7
26
13
44
21
29
29
33
28
20
29
10
27
38a
FIT
1:1
100%

Артикул

Название

Примечание

Количество

F93163

CAB - operator (Machinery item), Includes: Ref. 1 - 3

1шт.

1

28-820

BOLT,Hex, 1/2" - 20 x 1-1/4", Gr 8

HHCS - 1/2"-20 N.F. x 1-1/4" (Grade 8)

8шт.

2

F93097

BRACKET - mounting, cab to axle, R.H.

1шт.

3

F93097

BRACKET - mounting, cab to axle, L.H. (R.H. shown)

1шт.

Part nbr listed should be F93098.

1шт.

6

28-10120

BOLT,Hex, 5/8" - 18 x 7-1/2", Gr 8

HHCS - 5/8"-18 N.F. x 7-1/2" (Grade 8)

4шт.

7

F42025

BAR - axle mounting

2шт.

8

192-165

LOCK WASHER,5/8"

WASHER, LOCK, 5/8"

4шт.

9

25-1710

NUT,5/8"-18, G5, Hvy

- hex. (5/8"-18 N.F.)

4шт.

10

114-209

BOLT,Hex, 3/8" - 24 x 3/4", Gr 5

HHCS - 3/8"-24 N.F. x 3/4"

6шт.

11

192-21

LOCK WASHER,3/8"

WASHER, LOCK, 3/8"

6шт.

12

129-123

NUT,3/8"-24, G5

6шт.

13

114-306

BOLT,Hex, 7/16" - 20 x 3", Gr 5

HHCS - 7/16"-20 N.F. x 3"

3шт.

14

114-310

BOLT,Hex, 7/16" - 20 x 3-3/4", Gr 5

(At step) Hex, 7/16"-20 x 3 3/4", G5

1шт.

15

F42060

SPACER -, Serial Range: cab-tractor

4шт.

16

192-22

LOCK WASHER,7/16"

WASHER, LOCK, 7/16"

4шт.

17

425-117

NUT,7/16"-20, G5

- hex. (7/16"-20 N.F.)

4шт.

18

F42196

STEP - cab access, L.H.

1шт.

19

114-203

BOLT,Hex, 3/8" - 24 x 1-1/2", Gr 5

HHCS - 3/8"-24 N.F. x 1-1/2"

1шт.

20

114-218

BOLT,Hex, 3/8" - 24 x 7/8", Gr 5, Full Thd

HHCS - 3/8"-24 N.F x 7/8"

5шт.

21

192-21

LOCK WASHER,3/8"

WASHER, LOCK, 3/8"

6шт.

22

129-123

NUT,3/8"-24, G5

6шт.

23

114-218

BOLT,Hex, 3/8" - 24 x 7/8", Gr 5, Full Thd

HHCS - 3/8"-24 N.F x 7/8"

4шт.

24

192-21

LOCK WASHER,3/8"

WASHER, LOCK, 3/8"

4шт.

25

129-123

NUT,3/8"-24, G5

4шт.

26

F43094

SEAL - dust, cab to tractor (Cut to length from roll)

1шт.

27

113-4

BOLT,Hex, 1/4" - 20 x 1", Gr 5

24шт.

28

192-19

LOCK WASHER,Helical Spring, 0.256" ID, CST, ZND

WASHER, LOCK, 1/4"

24шт.

29

7770

NUT,Hex, 1/4 - 20, Cl 5

1/4"-20, G5

24шт.

30

F93152

BRACKET - support, front panel (R.H.)

1шт.

31

F93153

BRACKET - support, front panel (L.H.)

1шт.

32

F93154

PANEL - closure, R.H. front

1шт.

33

F93155

PANEL - closure, L.H. front

1шт.

F93155 panel - Plugs showing in illustration at bottom of this part are 353-414 plug.

1шт.

34

F93142

PANEL

- closure, R.H. front (Fabric)

1шт.

35

F93146

PANEL

- closure, L.H. front (Fabric)

1шт.

36

F93147

PANEL

- closure, center (Fabric)

1шт.

37

F42166

STRIP - retainer, closure (Inner)

2шт.

38

F42167

STRIP - retainer, closure (Outer)

2шт.

38a

F42200

EXTENSION - floor, L.H. lower

1шт.

39

113-312

BOLT,Hex, 7/16" - 14 x 1-1/4", Gr 5

8шт.

40

F93099

BRACKET - mounting, front (L.H.)

1шт.

41

F42384

SUPPORT - mounting, front (R.H.)

1шт.

42

F93304

BRACKET - mounting, front (R.H.)

1шт.

43

F93305

PLATE - mounting, front (R.H.)

1шт.

44

195-105

WASHER,7/16"

- plain () 7/16"

8шт.

45

192-22

LOCK WASHER,7/16"

WASHER, LOCK, 7/16"

8шт.

46

129-104

NUT,7/16"-14, G5

8шт.

47

13-620

BOLT,Hex, 3/8" - 16 x 1-1/4", Gr 5, Full Thd

HHCS - 3/8"-N.C. x 1-3/4"

5шт.

48

92-6

LOCK WASHER,3/8"

WASHER - lock, 3/8"

5шт.

49

25-106

NUT,3/8"-16, G5

- hex. (3/8" N.C.)

2шт.

Выбрано товаров: 51