Запчасти Case 580B (084) - MANIFOLDS AND MUFFLER, (188) SPARK IGNITION ENGINE, STANDARD MUFFLER (02) - ENGINE

Схема запчастей Case 580B - (084) - MANIFOLDS AND MUFFLER, (188) SPARK IGNITION ENGINE, STANDARD MUFFLER (02) - ENGINE
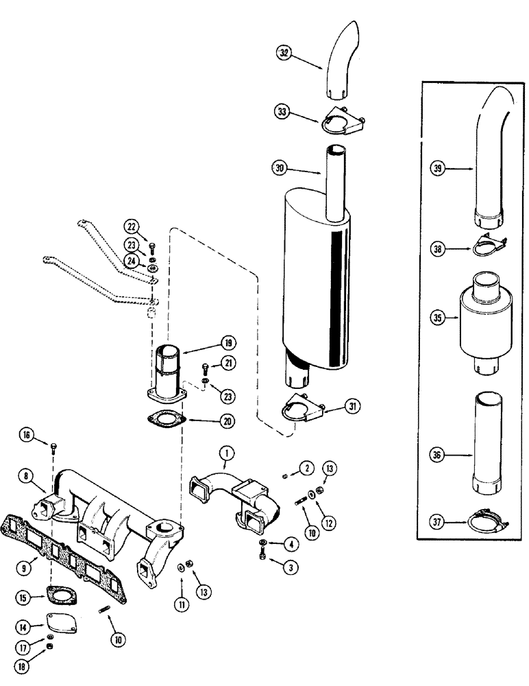
1
38
23
24
10
13
14
36
4
23
30
31
22
11
2
15
39
18
17
12
9
37
16
32
10
13
21
3
35
19
8
20
FIT
1:1
100%

Артикул

Название

Примечание

Количество

1

A37170

MANIFOLD

intake

1шт.

2

221-1012

DRAIN PLUG,Sq Hd, 1/4"-18 NPTF

- 1/4" P.T. sq. hd.

1шт.

3

13-640

BOLT,Hex, 3/8" - 16 x 2-1/2", Gr 5

- 3/8 x 2-1/2" N.C. hex.

2шт.

4

92-6

LOCK WASHER,3/8"

WASHER - lock, 3/8"

2шт.

8

G2097

MANIFOLD

exhaust

1шт.

9

G46868

MANIFOLD GASKET

intake & exhaust manifolds

1шт.

10

A29431

STUD

3/8" N.C. x 1-3/4"

7шт.

11

A30058

WASHER

13/32 x 7/8 x 1/8", exhaust manifold

4шт.

12

195-25

WASHER,3/8"

13/32 x 13/16 x 1/16", intake manifold

3шт.

13

131-903

NUT,3/8"-16

3/8" N.C. hex., brass

7шт.

14

A38188

PLATE

COVER - exhaust opening

1шт.

15

G46853

MANIFOLD GASKET

cover

1шт.

16

13-624

BOLT,Hex, 3/8" - 16 x 1-1/2", Gr 5

- 3/8 x 1-1/2" N.C. hex.

2шт.

17

195-25

WASHER,3/8"

13/32 x 13/16 x 1/16"

2шт.

18

131-903

NUT,3/8"-16

3/8" N.C. hex., brass

2шт.

19

G2095

FITTING

OUTLET - exhaust, muffler

1шт.

20

G46853

MANIFOLD GASKET

outlet

1шт.

21

13-624

BOLT,Hex, 3/8" - 16 x 1-1/2", Gr 5

- 3/8 x 1-1/2" N.C. hex.

1шт.

22

13-640

BOLT,Hex, 3/8" - 16 x 2-1/2", Gr 5

- 3/8 x 2-1/2" N.C. hex.

1шт.

23

92-6

LOCK WASHER,3/8"

WASHER - lock, 3/8"

2шт.

24

195-25

WASHER,3/8"

plain, 13/32 x 13/16 x 1/16"

4шт.

30

A39561

MUFFLER

exhaust, standard

1шт.

31

A13240

CLAMP,2-5/8" ID

- muffler (2-1/2" I.D.), standard exhaust

1шт.

32

A39571

PIPE, EXHAUST SYSTEM

extension, standard muffler

1шт.

33

G45410

CLAMP

- extension (1-7/8" I.D.), standard muffler

1шт.

35

D45256

MUFFLER,W/ Spark Arrester

- spark arresting

1шт.

36

D49170

PIPE - outlet to muffler, spark arresting

1шт.

37

A13240

CLAMP,2-5/8" ID

pipe (2-1/2" I.D.), spark arresting muffler

1шт.

38

A27115

CLAMP

(2-7/8" I.D.), spark arresting muffler

2шт.

39

D33535

PIPE

EXTENSION - spark arresting muffler

1шт.

Выбрано товаров: 30