Запчасти Case 580B (096) - OIL PUMP - OIL FILTER - OIL PAN, (188) SPARK IGNITION ENGINE (02) - ENGINE

Схема запчастей Case 580B - (096) - OIL PUMP - OIL FILTER - OIL PAN, (188) SPARK IGNITION ENGINE (02) - ENGINE
52
51
2
21
44
29
47
26
50
1
19
25
17
27
4
43
18
31
23
7
15
8
32
53
48
45
24
39
54
20
28
46
5
49
6
42
41
30
40
42
3
39
22
9
16
FIT
1:1
100%

Артикул

Название

Примечание

Количество

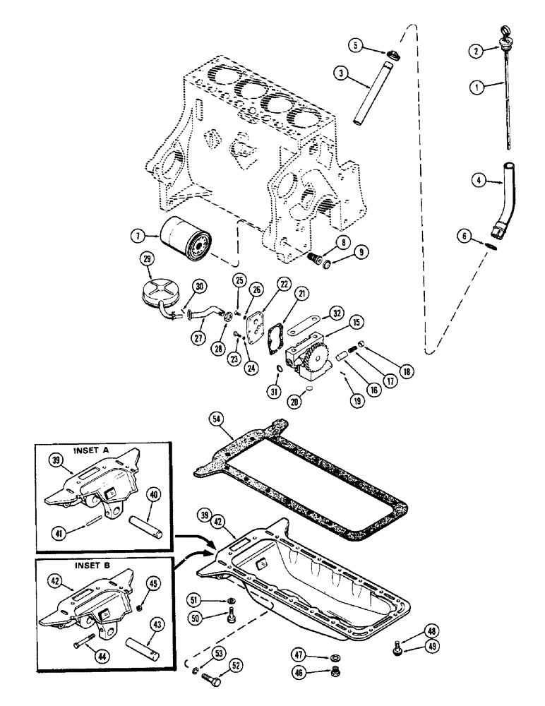
1

A37406

DIPSTICK

ASSY. - engine oil level, Inlcudes: Ref. 2

1шт.

2

F62075

O-RING,0.139" Thk x 0.734" ID, -210, Cl 5, 75 Duro

"O"RING - 3/4 x 1 x 1/8"

2шт.

3

A37149

TUBE

- oil filler & dipstick (In block)

1шт.

4

A37407

TUBE

EXTENSION - filler & dipstick tube

1шт.

5

214-256

HOSE CLAMP,#20, 0.81" - 1.75", Type F Worm

CLAMP - extension, 1-3/16 to 1-3/4"

1шт.

6

A27342

O-RING,1.109" ID x 1.387" OD x 0.139"

"O"RING - 1-1/8 x 1-3/8 x 1/8"

1шт.

7

A37189

FILTER, ELEMENT

FILTER - engine oil

1шт.

8

A153552

ADAPTER

-, Serial Range: filter-block

1шт.

9

41-1016

PLUG,Cup, 1"

- adapter opening, 1" cup type

1шт.

15

A38369

PUMP

ASSY. - oil (Replaces G11844), Inlcudes: Ref. 16 - 26

1шт.

16

A155144

VALVE, PRESSURE RELI

- relief

1шт.

17

G48513

VALVE SPRING

SPRING - relief valve

1шт.

18

A29260

RETAINER

- relief spring

1шт.

19

132-50

COTTER PIN,1/8" x 1 1/4"

Pin, Split (Cotter), 1/8" x 1 1/4"

1шт.

20

41-102

PLUG,Exp, 1/2"

- pump body

1шт.

21

G46852

GASKET

- pump cover

1шт.

22

NSS

NOT SOLD SEPARAT

COVER - pump body

1шт.

23

13-420

BOLT,Hex, 1/4" - 20 x 1-1/4", Gr 5

1шт.

23

13-412

BOLT,Hex, 1/4" - 20 x 3/4", Gr 5, Full Thd

3шт.

24

92-4

LOCK WASHER,1/4"

WASHER, LOCK, 1/4"

4шт.

25

73-410

SCREW,Slotted Flat Hd, 1/4"-20 x 5/8"

- 1/4 x 5/8" flat hd.

2шт.

26

193-52

LOCK WASHER,Ext Csk Tooth, 1/4"

WASHER, LOCK, Ext Csk Tooth, 1/4"

2шт.

27

A39035

TUBE

PIPE ASSY. - suction

1шт.

28

223-207

LOCK NUT

NUT - pipe to pump, lock

1шт.

29

A39036

FLOAT

ASSY. - (Includes screen)

1шт.

30

132-50

COTTER PIN,1/8" x 1 1/4"

Pin, Split (Cotter), 1/8" x 1 1/4"

1шт.

31

A27365

O-RING,0.103" Thk x 0.75" ID, -116, Cl 5, 75 Duro

"O"RING - 3/4 x 15/16 x 3/32"

1шт.

32

G11337

SHIM,.002" Thk

Pump to block .002" Thk

1шт.

32

G11338

SHIM,.005" Thk

Pump to block .005" Thk

1шт.

39

A38425

PAN

- oil (Use with A51356 radius rod rear pivot pin and 135-361 groove pin) (See inset A) (Order A51539 oil pan, 1-A51537 pivot pin, 1-26-544 bolt & 131-351 nut)

1шт.

40

A51356

PIN

- radius rod rear pivot

1шт.

41

135-361

GROOVED PIN,1/4" x 2", Type F

Pin, Grooved, 1/4" x 2", Type F

1шт.

42

A51539

PAN

- oil (Use with A51537 pivot pin, 26-544 bolt and 131-351 nut) (See inset B)

1шт.

43

A51537

PIN

- radius rod rear pivot

1шт.

44

26-544

BOLT,Hex, 5/16" - 18 x 2-3/4", Gr 8

- 5/16 x 2-3/4" N.C. hex.

1шт.

45

131-351

LOCK NUT,5/16"-18, GA

NUT - 5/16" N.C. hex.

1шт.

46

A140222

PLUG

- drain, oil pan (Replaces A14280)

1шт.

47

A58608

GASKET

- drain plug, nylon

1шт.

48

26-528

BOLT,Hex, 5/16" - 18 x 1-3/4", Gr 8

- 5/16 x 1-3/4" N.C. hex.

14шт.

48

26-516

BOLT,Hex, 5/16" - 18 x 1", Gr 8

2шт.

49

193-83

LOCK WASHER,Int Tooth, 5/16"

WASHER - Shakeproof, 5/16" ext.

16шт.

50

26-564

BOLT,Hex, 5/16" - 18 x 4", Gr 8

- 5/16 x 4" N.C. hex.

2шт.

51

195-1019

WASHER

- 11/32 x 7/8 x 1/16", brass

2шт.

52

113-663

BOLT (SPREADER)

BOLT - 5/8 x 2-1/4" N.C. hex. (To torque tube)

2шт.

53

92-10

LOCK WASHER,5/8"

WASHER, LOCK, 5/8"

2шт.

54

NSS

NOT SOLD SEPARAT

GASKET - oil pan (Order A41450 Figure 98)

1шт.

Выбрано товаров: 46