Запчасти Case 580B (047A) - FUEL INJECTION PUMP, (188) DIESEL ENGINE, MECHANICAL SHUTTLE, USED PRIOR TO ENG SN 2717963 (03) - FUEL SYSTEM

Схема запчастей Case 580B - (047A) - FUEL INJECTION PUMP, (188) DIESEL ENGINE, MECHANICAL SHUTTLE, USED PRIOR TO ENG SN 2717963 (03) - FUEL SYSTEM
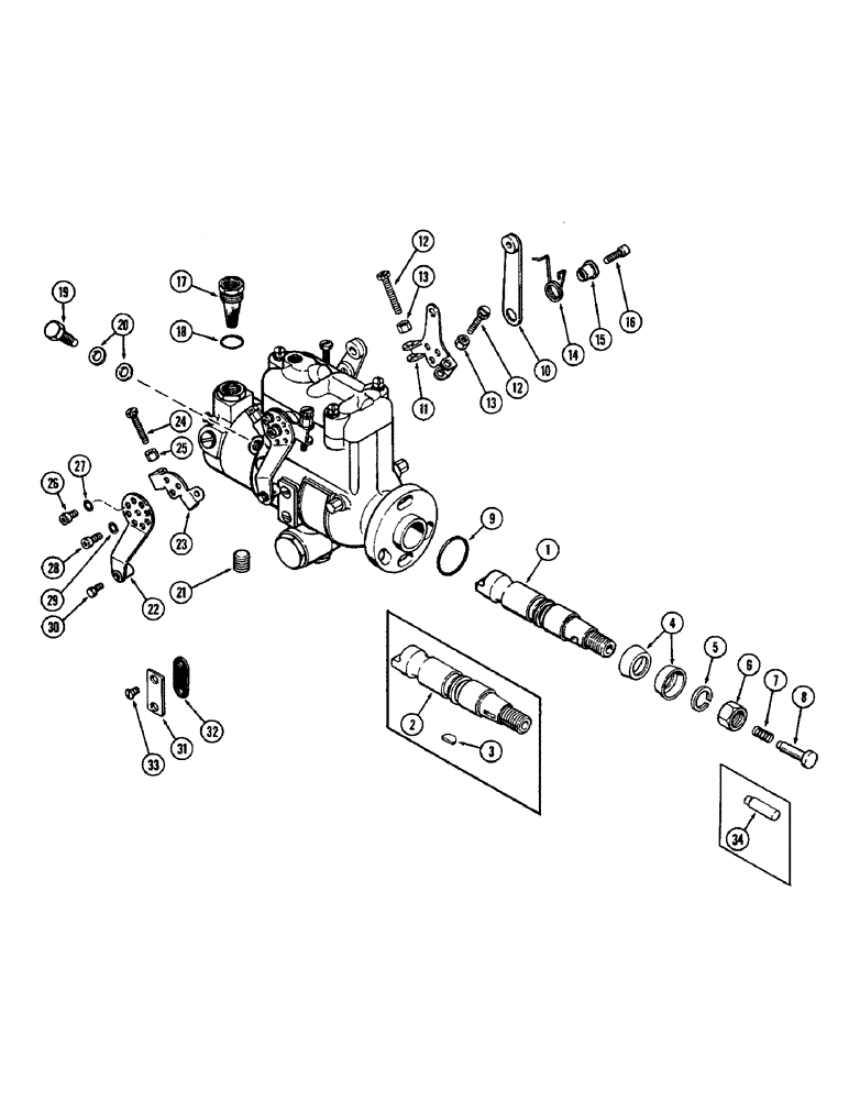
9
11
24
20
16
2
23
12
7
28
26
22
34
14
8
31
29
4
17
19
13
18
30
1
33
21
27
3
12
5
13
25
15
10
6
32
FIT
1:1
100%

Артикул

Название

Примечание

Количество

A35773

PUMP, FUEL INJECTION

PUMP ASSY. - fuel injection (1900 R.P.M.) (Stanadyne #DBGFCC431-30AJ) (Order A51045) (Figure 46), Inlcudes: Ref. 1 - 34

1шт.

1

A44710

SHAFT

ASSY. - drive (Incl. pin) (Replaces G47113)

1шт.

2

G47113

SHAFT

- drive (Order A44710)

1шт.

3

126-12

WOODRUFF KEY,#6, 5/32" x 5/8"

(Use only w/G47113 shaft) #6, 5/32" x 5/8"

1шт.

4

R14711

SEAL

- drive shaft

2шт.

5

192-24

LOCK WASHER,9/16"

WASHER, LOCK, 9/16"

1шт.

6

25-119

NUT,9/16"-18, G5

- 9/16" N.F. hex.

1шт.

7

G48502

SPRING

- thrust

1шт.

8

A44653

PLUNGER

- thrust (Replaces G47128)

1шт.

9

74244

SEAL,0.139" Thk x 1.046" ID, -215, Cl 5, 75 Duro

SEAL - pilot tube

1шт.

10

G45338

ARM

- throttle

1шт.

11

NSS

NOT SOLD SEPARAT

LEVER - idle adjust

1шт.

12

G49088

ADJUSTMENT SCREW,#10 - 32 x 1.781"

- idle adjusting

2шт.

13

51200274

NUT

- idle screw

2шт.

14

G48505

SPRING

- throttle arm

1шт.

15

G49621

RETAINER

- spring

1шт.

16

165-124

HEX SOC SCREW,Prev Torque, #10 - 32 x 3/4"

SCREW - throttle arm (#10-32 x 3/4" socket hd.)

1шт.

17

73671

ROPE

FILTER - fuel inlet

1шт.

18

73666

AIR CLEANER

- filter

1шт.

19

73613

SCREW

- connector, injection tube

4шт.

20

G49407

WASHER,9.63mm ID x 12.83mm OD x 1.65mm Thk

WASHER - connector screw

8шт.

21

217-433

PLUG,Hex Soc, 1/4" - 18 NPTF

1шт.

22

G45337

ARM

- fuel shut-off

1шт.

23

NSS

NOT SOLD SEPARAT

LEVER - shut-off

1шт.

24

G49088

ADJUSTMENT SCREW,#10 - 32 x 1.781"

- shut-off adjusting

1шт.

25

86837534

LOCK WASHER

- shut-off screw

1шт.

26

165-1

SCREW,#8 x 1/4"

- shut-off arm to stop arm (#8-24 x 1/4" sckt. hd.)

1шт.

27

193-91

LOCK WASHER,Int Tooth, #8

WASHER, LOCK, , Stop arm screw Int Tooth, #8

1шт.

28

165-30

HEX SOC SCREW,#10 - 32 x 3/8"

SCREW - stop arm to pump (#10-32 x 3/8" socket hd.)

1шт.

29

193-99

LOCK WASHER,Int Tooth, #10

WASHER, LOCK, , Arm mounting screw Int Tooth, #10

1шт.

30

163-7

SCREW,Sl Hex, #8 - 32 x 3/8"

- clamp, shut-off cable (#8-24 x 3/8" hex. hd.)

1шт.

31

G46330

COVER

- timing window

2шт.

32

73453

GASKET

- cover

2шт.

33

NLS

NO LONGER SERVICED

- cover

4шт.

34

G47128

PLUNGER

- thrust, (Order A44653)

1шт.

Выбрано товаров: 35