Запчасти Case 580B (136) - HYDROSTATIC DRIVE CONTROL LINKAGE (06) - POWER TRAIN

Схема запчастей Case 580B - (136) - HYDROSTATIC DRIVE CONTROL LINKAGE (06) - POWER TRAIN
10
32
1
4
11
20
19
6
4
23
26
12
8
33
22
13
37
24
34
12
35
7
2
21
3
10
5
9
24
23
18
27
36
16
38
17
25
14
FIT
1:1
100%

Артикул

Название

Примечание

Количество

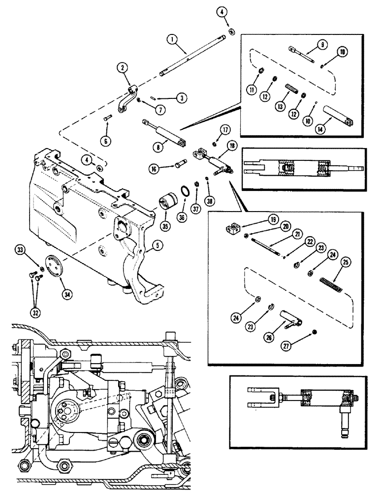
1

A39472

SHAFT - speed control

1шт.

2

A39305

ARM - speed control lever shaft

1шт.

3

138-96

LOCK PIN,3/16" x 1", Slotted

PIN, , Arm to shaft 3/16" x 1", Slotted

1шт.

4

A39441

SEAL

- oil

2шт.

5

A39300

HOUSING - transmission

1шт.

6

A39473

PIN - clevis (5/16" dia.)

1шт.

7

A27810

CIRCLIP,#X31, .243" Dia, E-Type

Ring, Retaining, , pin to arm #X31, .243" Dia, E-Type

1шт.

8

A39474

ROD ASSY. - speed control spring box, Includes: Ref. 9 - 14

1шт.

9

A39476

ROD - speed control spring box

1шт.

10

G46146

SNAP RING,#37, Ext

Ring, Snap, #37, Ext

2шт.

11

A39477

RING - snap, internal

1шт.

12

A39478

WASHER - spring box

2шт.

13

A39479

SPRING - compression

1шт.

14

A39475

HOUSING - speed control spring box

1шт.

16

A39480

PIN - "swash" control lever

1шт.

17

A19811

CIRCLIP,#43, .375" Dia, E-Type

Ring, Retaining, (replaced A31211) #43, .375" Dia, E-Type

1шт.

18

A39481

YOKE ASSY. - speed control, Includes: Ref. 19 - 27

1шт.

19

A39485

YOKE - hydrostatic, Serial Range: shaft-hsg.

1шт.

20

25-146

JAM NUT,Jam, 3/8"-16, G5

- (3/8" N.C. hex., jam) (Shaft to yoke)

1шт.

21

A39486

ROD - neutral spring box

1шт.

22

G46146

SNAP RING,#37, Ext

Ring, Snap, , shaft #37, Ext

1шт.

23

A39477

RING - snap, internal (Hsg. to washer)

2шт.

24

A39478

WASHER - spring box (Shaft to hsg.)

2шт.

25

A39487

SPRING - compression

1шт.

26

A39482

BOX - neutral spring

1шт.

27

131-528

LOCK NUT,3/8"-24

NUT - (3/8" N.F. flexloc)

1шт.

32

13-512

BOLT,Hex, 5/16" - 18 x 3/4", Gr 5

4шт.

33

195-21

WASHER,5/16"

- plain () 5/16"

2шт.

34

A39490

PLATE - neutral adjusting cam

1шт.

35

A39488

CAM - neutral control adjusting

1шт.

36

A7156

O-RING,0.139" Thk x 1.734" ID, -224, Cl 6, 90 Duro

"O" RING - external, oil sealing (To cam)

1шт.

37

A39489

SNAP RING,#43, Ext

Ring, Snap, (pin to cam) #43, Ext

1шт.

38

A28090

O-RING,0.301" ID x 0.441" OD x 0.07"

-011, 70 Duro, .301" ID x .070" Thk - Oil sealing (To shaft)

1шт.

Выбрано товаров: 33