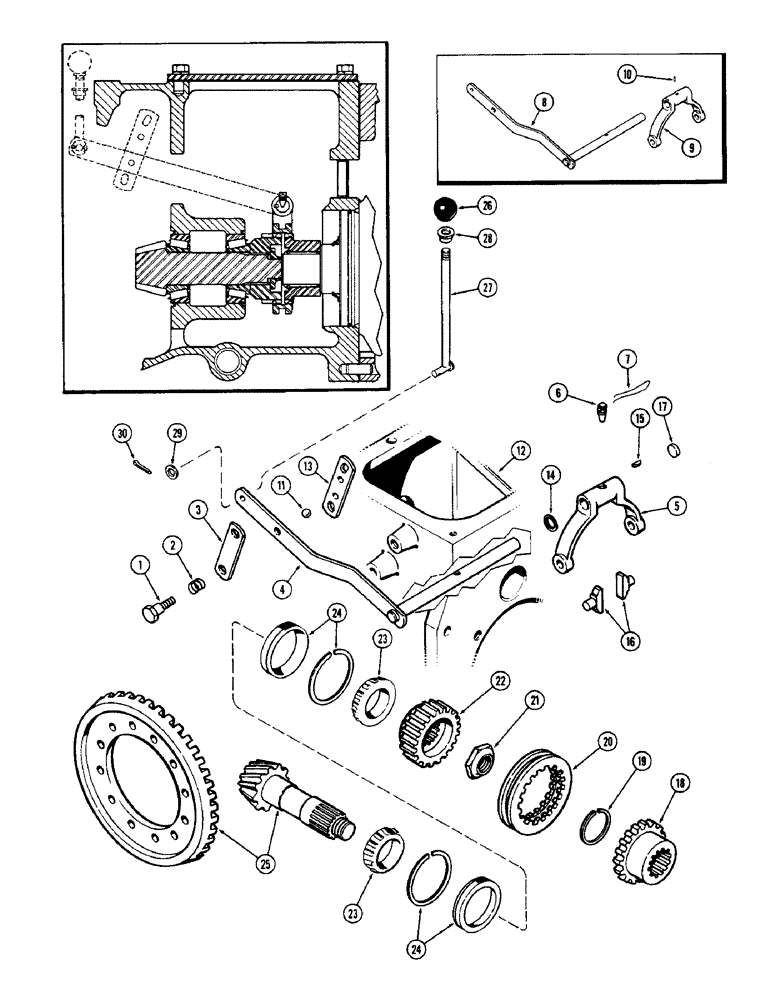
Запчасти Case 580B (144) - MECHANICAL DISCONNECT (06) - POWER TRAIN

Схема запчастей Case 580B - (144) - MECHANICAL DISCONNECT (06) - POWER TRAIN
27
20
12
11
23
18
26
6
3
21
14
16
9
24
28
17
23
4
19
22
8
5
29
25
24
30
1
2
10
7
15
13
FIT
1:1
100%

Артикул

Название

Примечание

Количество

1

A39508

BOLT - disconnect lock plate (Trans. lever)

2шт.

2

A39507

SHAFT

SPRING - detent, disconnect

2шт.

3

A39506

PLATE - detent, trans. output throwout lever

1шт.

4

A51547

LEVER

- throwout, trans. output (1st used trans. ser. no. 2396928)

1шт.

5

A51546

YOKE - throwout, trans. output (1st used trans. ser. no. 2396928)

1шт.

6

A29964

LOCK SCREW,Sq Hd, 3/8" - 24 x 27/32", Drilled

- lock (3/8" N.F. thread) (1st used trans. ser. no. 2396928)

1шт.

7

A29966

ELECTRICAL WIRE

WIRE - lock screw (1st used trans. ser. no. 2396928)

1шт.

8

A39502

LEVER

- throwout trans. output (Used prior to trans. ser. no. 23968928) (Order 1-A29964 lock screw, 1-A29966 lock wire, 1-A51546 yoke & 1-A51547 lever)

1шт.

9

A39501

YOKE

- throwout trans. output (Used prior to trans. ser. no. 2396928) (Order 1-A29964 lock screw, 1-A29966 lock wire, 1-A51546 yoke & 1-A51547 lever)

1шт.

10

138-96

LOCK PIN,3/16" x 1", Slotted

PIN, , Used prior to trans. S/N 2396928 3/16" x 1", Slotted

1шт.

11

211-9

BALL,5/16" Dia

- steel (.) 5/16" Dia

1шт.

12

A39300

HOUSING - trans.

1шт.

13

A39505

PLATE - throwout lever lock, trans. output

1шт.

14

A32308

OIL SEAL

- oil, trans. throwout shaft

1шт.

15

126-12

WOODRUFF KEY,#6, 5/32" x 5/8"

(Yoke to shaft) #6, 5/32" x 5/8"

1шт.

16

A65101

FINGER

- throwout yoke, trans. output (Replaced A38750)

2шт.

17

41-1010

PLUG,Cup, 5/8"

- Mercury, throwout pivot shaft

1шт.

18

A39440

SLEEVE

- transmission output

1шт.

19

A7339

RING

SNAP RING - transmission output sleeve

1шт.

20

A39500

SLEEVE

- throwout disconnect (Trans. output)

1шт.

A39500 sleeve - This part nbr is no longer available. Can order A62977 and grind outside groove open to .448/.458 carefully (as little heat generation as possible). Hardness after grinding should be approx. or at least 4

1шт.

21

G49010

LOCK NUT

- bearing adjusting

1шт.

22

A39499

HUB - trans. output

1шт.

23

A30116

ROLLER BEARING,1.625" ID x 1.1875"

CONE - bearing, diff. spirol bevel pinion

2шт.

24

A30115

CUP

- bearing, diff. spirol bevel pinion

2шт.

25

A39495

RING GEAR

PINION & RING GEAR ASSY. - (Matched set) (w/lock)

1шт.

26

A39496

PINION & RING GEAR ASSY. - (Matched set) (w/o lock)

1шт.

26

70213

KNOB

- lever

1шт.

27

D56427

ROD

LEVER - disconnect

1шт.

28

353-473

BUSHING

- snap type

1шт.

29

195-18

WASHER,1/4"

- plain () 1/4"

1шт.

30

132-5

COTTER PIN,1/16" x 1/2"

Pin, Split (Cotter), 1/16" x 1/2"

1шт.

Выбрано товаров: 32