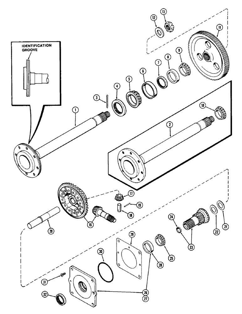
Запчасти Case 580B (146) - DIFFERENTIAL AND FINAL DRIVE (06) - POWER TRAIN

Схема запчастей Case 580B - (146) - DIFFERENTIAL AND FINAL DRIVE (06) - POWER TRAIN
7
12
1
6
23
8
10
17
29
27
24
13
16
3
5
11
30
2
18
26
19
9
22
21
4
31
25
20
28
32
FIT
1:1
100%

Артикул

Название

Примечание

Количество

1

A138233

SHAFT

- rear axle (Replaces A38209) (1st used trans. ser. no. 2438061)

2шт.

2

A38209

SHAFT

- rear axle (Order A138233 and L33289) (Used prior to trans. ser. no. 2438061)

2шт.

3

132-157

COTTER PIN,Ext Prong Sq Cut, 1/4" x 2 1/2"

Pin, Split (Cotter), , Nut to shaft 1/4" x 2 1/2"

2шт.

4

G13822

SEAL,73.66mm ID x 110.13mm OD x 11mm Thk

- oil, outer, rear axle shaft

2шт.

5

G15207

ROLLER BEARING

CONE - outer bearing, rear axle shaft

2шт.

6

G15208

BEARING CUP,110mm OD x 18.82mm W

CUP - outer bearing, rear axle shaft

2шт.

7

G13801

OIL SEAL

- oil, inner, rear axle shaft

2шт.

8

G10415

BEARING CUP

CUP - inner bearing, rear axle shaft

2шт.

9

L33289

ROLLER BEARING,57.1565mm ID x 21.857mm Thk

CONE - inner bearing, 2-1/4 inch ID, rear axle shaft (Used w/A138233)

2шт.

10

G10414

ROLLER BEARING

CONE - inner bearing, rear axle shaft (Used w/A38209)

2шт.

11

A37925

GEAR

- final drive, rear axle

2шт.

12

F62105

WASHER,38.89mm ID x 69.85mm OD x 6.35mm Thk

- take up, rear axle

2шт.

13

A30075

WHEEL NUT

- rear axle shaft (1-1/2" N.F. slotted)

2шт.

16

A39496

PINION & RING GEAR ASSY. - (Matched set)

1шт.

17

A38933

GEAR

- differential pinion

3шт.

18

A39024

SHAFT

PIN - differential pinion gear

3шт.

19

138-2036

PIN,3/16" x 2", Coiled

Differential pinion gear 3/16" x 2", Coiled

3шт.

20

A37186

SHAFT

- cross, differential

1шт.

21

A39012

WASHER,42.04mm ID x 60.2mm OD x 2.32mm Thk

- thrust, center wheel (0.089")

1шт.

21

A39007

WASHER

- thrust, center wheel (.094")

1шт.

21

A39008

WASHER

- thrust, center wheel (.099")

1шт.

21

A39009

WASHER

- thrust, center wheel (.104")

1шт.

21

A39010

WASHER

- thrust, center wheel (.109")

1шт.

21

A39011

WASHER

- thrust, center wheel (.119")

1шт.

22

A29388

WASHER

SHIM - center wheel thrust washer (.010")

2шт.

23

A38937

PINION

GEAR ASSY. - side, differential

2шт.

24

A29902

PLUG

- expansion

1шт.

25

A30114

CONE

- bearing, differential side gea

2шт.

26

G30490

CARRIER

ASSY. - differential side gear bearing (R.H.)

1шт.

27

G30491

CARRIER

ASSY. - differential side gear bearing (L.H.), Includes: Ref. 28

1шт.

28

A26744

BEARING CUP,110.025 mm OD x 18.875 mm

CUP - bearing, side gear (R.H. & L.H.)

1шт.

29

A39289

SHIM,.007" Thk

Diff. side gear brg. carrier (.003") .007" Thk

1шт.

29

G10719

SHIM,.005" Thk

Diff. side gear brg. carrier .005" Thk

1шт.

29

G10720

SHIM,.010" Thk

Diff. side gear brg. carrier .010" Thk

1шт.

30

G10347

O-RING,0.139" Thk x 4.984" ID, -250, Cl 5, 75 Duro

"O" RING - differential side gear brg. carrier

2шт.

31

171-237

SCREW,Cross Flat Hd, 3/8" - 16 x 3/4", W/ Nylon Insert

- carrier to case (3/8 x 3/4" Phills. flat hd. Nylock)

2шт.

32

A39273

OIL SEAL

- oil, diff. side gear brg. carrier

2шт.

Выбрано товаров: 37