Запчасти Case 580B (180) - OPERATORS CAB, CAB MOUNTING & CLOSURE PARTS (09) - CHASSIS/ATTACHMENTS

Схема запчастей Case 580B - (180) - OPERATORS CAB, CAB MOUNTING & CLOSURE PARTS (09) - CHASSIS/ATTACHMENTS
10
28
42
8
19
40
27
28
11
32
35
37
30
27
38a
31
9
22
12
41
3
22
16
36
29
27
25
7
29
28
2
10
21
14
28
23
7
27
33
29
27
34
24
1
29
28
20
43
28
44
29
15
29
13
28
27
17
39
29
21
26
17
16
6
FIT
1:1
100%

Артикул

Название

Примечание

Количество

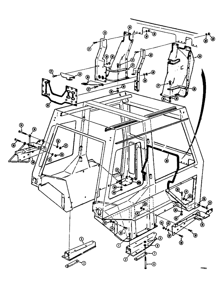
F93163

CAB - operator (Machinery item), Includes: Ref. 1 - 38A

1шт.

1

28-820

BOLT,Hex, 1/2" - 20 x 1-1/4", Gr 8

HHCS - 1/2" - 20 N.F. x 1-1/4" (Grade 8)

8шт.

2

F93097

BRACKET - mounting, cab to axle (R.H.)

1шт.

3

F93098

1шт.

Part shows in illustration but is not listed on Fig. 181, This is part No. F93008 L.H. mounting bracket, cab to axle.

1шт.

6

28-10120

BOLT,Hex, 5/8" - 18 x 7-1/2", Gr 8

HHCS - 5/8"- 18 N.F. x 7-1/2" (Grade 8)

4шт.

7

F42025

BAR - axle mounting

2шт.

8

192-165

LOCK WASHER,5/8"

WASHER, LOCK, 5/8"

4шт.

9

25-1710

NUT,5/8"-18, G5, Hvy

- hex. (5/8" - 18 N.F.)

4шт.

10

114-209

BOLT,Hex, 3/8" - 24 x 3/4", Gr 5

HHCS - 3/8" - 24 N.F. x 3/4"

6шт.

11

192-21

LOCK WASHER,3/8"

WASHER, LOCK, 3/8"

6шт.

12

129-123

NUT,3/8"-24, G5

6шт.

13

114-206

HHCS - 7/16" - 20 N.F. x 3"

3шт.

14

114-310

BOLT,Hex, 7/16" - 20 x 3-3/4", Gr 5

(At step) Hex, 7/16"-20 x 3 3/4", G5

1шт.

15

F42060

SPACER -, Serial Range: cab-tractor

4шт.

16

192-22

LOCK WASHER,7/16"

WASHER, LOCK, 7/16"

4шт.

17

425-117

NUT,7/16"-20, G5

- hex. (7/16" - 20 N.F.)

4шт.

18

F42196

STEP - cab access, L.H.

1шт.

19

114-203

BOLT,Hex, 3/8" - 24 x 1-1/2", Gr 5

HHCS - 3/8" - 24 N.F. x 1-1/2"

1шт.

20

114-218

BOLT,Hex, 3/8" - 24 x 7/8", Gr 5, Full Thd

HHCS - 3/8" - 24 N.F. x 7/8"

5шт.

21

192-21

LOCK WASHER,3/8"

WASHER, LOCK, 3/8"

6шт.

22

129-123

NUT,3/8"-24, G5

6шт.

23

114-218

BOLT,Hex, 3/8" - 24 x 7/8", Gr 5, Full Thd

HHCS - 3/8" - 24 N.F. x 7/8"

4шт.

24

192-21

LOCK WASHER,3/8"

WASHER, LOCK, 3/8"

4шт.

25

129-123

NUT,3/8"-24, G5

4шт.

26

F42164

dust, Serial Range: cab-tractor

1шт.

27

113-4

BOLT,Hex, 1/4" - 20 x 1", Gr 5

24шт.

28

192-19

LOCK WASHER,Helical Spring, 0.256" ID, CST, ZND

WASHER, LOCK, 1/4"

24шт.

29

7770

NUT,Hex, 1/4 - 20, Cl 5

1/4"-20, G5

24шт.

30

F93152

support, front panel (R.H.)

1шт.

31

F93153

support, front panel (L.H.)

1шт.

32

F93154

closure, R.H. front

1шт.

33

F93155

closure, L.H. front

1шт.

34

F93142

PANEL

closure, R.H. front (Fabric)

1шт.

35

F93146

PANEL

closure, L.H. front (Fabric)

1шт.

36

F93147

PANEL

closure, center (Fabric)

1шт.

37

F42166

retainer, closure (Inner)

2шт.

38

F42167

retainer, closure (Outer)

2шт.

38a

F42200

floor, L.H. lower

1шт.

39

113-312

BOLT,Hex, 7/16" - 14 x 1-1/4", Gr 5

Cab mounting parts (used w/ all models) Hex, 7/16"-14 x 1 1/4", G5

8шт.

40

F93099

BRACKET -front (L.H.), cab mounting parts (used w/ all models)

1шт.

41

F93100

BRACKET - front (R.H.), cab mounting parts (used w/ all models)

1шт.

42

195-105

WASHER,7/16"

plain (), cab mounting parts (used w/ all models) 7/16"

8шт.

43

192-22

LOCK WASHER,7/16"

WASHER, LOCK, , Cab mounting parts (used w/ all models) 7/16"

8шт.

44

129-104

NUT,7/16"-14, G5

Cab mounting parts (used w/ all models) 7/16"-14, G5

8шт.

FOOTNOTE

1шт.

Shows in illustration but is not listed on page 181. This is part nbr F93098 LH mounting bracket, cab to axle.

1шт.

Выбрано товаров: 47