Запчасти Case 580B (188) - OPERATORS CAB, CAB HEATER (09) - CHASSIS/ATTACHMENTS

Схема запчастей Case 580B - (188) - OPERATORS CAB, CAB HEATER (09) - CHASSIS/ATTACHMENTS
3
5
15
14
11
1
13
2
12
10
1
11
2
FIT
1:1
100%

Артикул

Название

Примечание

Количество

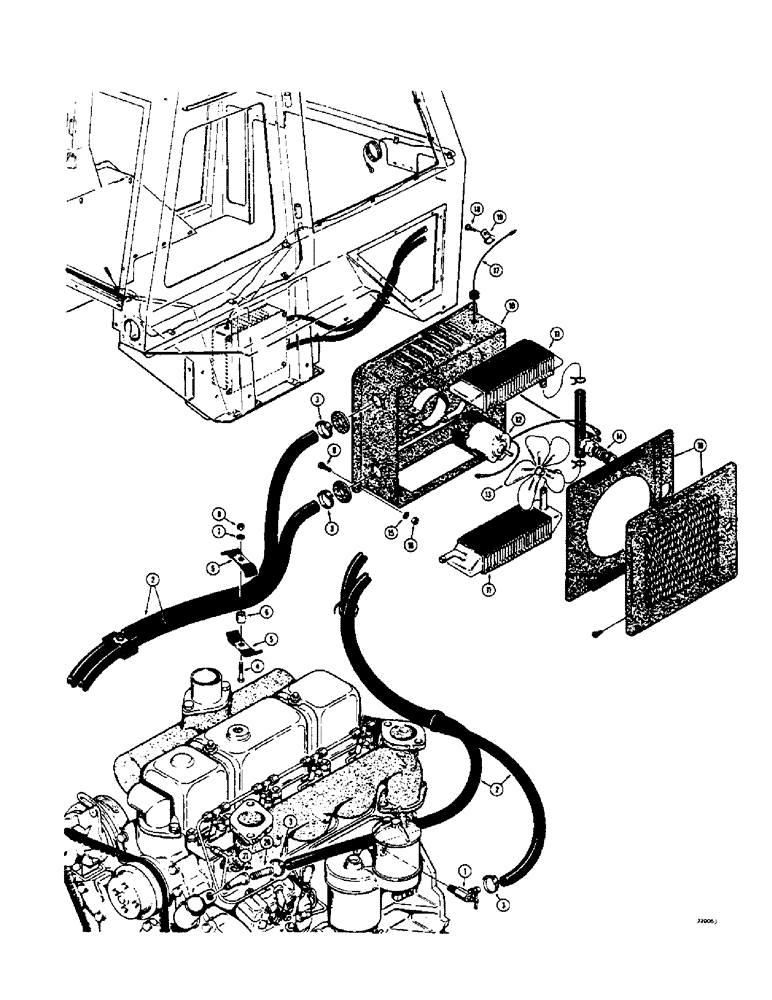
1

A16764

VALVE

- water shut-off

1шт.

2

F42219

HEATER HOSE

HOSE - heater, inlet and return

2шт.

3

214-253

HOSE CLAMP,#10, 0.56" - 1.06", Type F Worm

CLAMP - hose

4шт.

4

113-122

BOLT,Hex, 5/16" - 18 x 1-1/2", Gr 5

2шт.

5

R16916

CLAMP - heater hose

4шт.

6

F20734

SCREW

SPACER - clamp

2шт.

7

192-20

LOCK WASHER,Helical Spring, 0.318" ID, CST, ZND

WASHER, LOCK, 5/16"

2шт.

8

9635082

NUT,5/16" - 18, Gr 5

2шт.

9

412-410

CARRIAGE BOLT,Short Sq Nk 1/4" - 20 x 5/8", Gr 2

BOLT - round head, square shoulder (1/4" - 20 N.C. x 5/8")

4шт.

F93213

HEATER

ASSEMBLY - cab, Includes: Ref. 10 - 14

1шт.

10

F42221

CASE ASSEMBLY - heater

1шт.

11

F42222

CORE

- heater

2шт.

12

A18347

MOTOR HOUSING

MOTOR - heater, 12 volt (Replaced F42223)

1шт.

13

F42224

FAN

- heater, 7" dia.

1шт.

14

F42225

SWITCH

- fan, 3 speed

1шт.

15

192-19

LOCK WASHER,Helical Spring, 0.256" ID, CST, ZND

WASHER, LOCK, 1/4"

4шт.

16

7770

NUT,Hex, 1/4 - 20, Cl 5

1/4"-20, G5

4шт.

17

F42218

WIRE - jumper, heater to cab wiring harness (90" long)

1шт.

18

187-1075

SCREW - self-tapping (12-24 N.C. x 1/2")

4шт.

19

A26673

CLIP

- wire, heater wire

4шт.

20

A19940

PIPE

NIPPLE - straight (Return hose to timing gear cover)

1шт.

21

221-1413

ELBOW,90 Degree, 3/8"-18, NPT

- street, 90 degrees

1шт.

Выбрано товаров: 22