Запчасти Case 580B (192) - OPERATORS CAB, CAB MOUNTED LIGHTS (09) - CHASSIS/ATTACHMENTS

Схема запчастей Case 580B - (192) - OPERATORS CAB, CAB MOUNTED LIGHTS (09) - CHASSIS/ATTACHMENTS
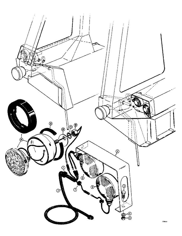
2
9
4
10
5
13
3
12
1
11
7
14
6
8
FIT
1:1
100%

Артикул

Название

Примечание

Количество

1

D50667

GROMMET - light harness

2шт.

2

D49973

HARNESS - wiring, rear lights

2шт.

3

113-206

BOLT,Hex, 3/8" - 16 x 3/4", Gr 5, Full Thd

4шт.

4

F42041

BRACKET - light mounting

2шт.

5

192-21

LOCK WASHER,3/8"

WASHER, LOCK, 3/8"

4шт.

6

129-103

NUT,Hex, 3/8" - 16, Gr 5

NUT, 3/8"-16, G5

4шт.

7

L13765

GROMMET

- light wires

4шт.

8

D49733

LAMP

LIGHT - rear, tail and stop (Parts list Figure 91G)

2шт.

9

D49734

LAMP

LIGHT - rear, flasher and signal (Parts list Figure 91G)

2шт.

10

129-105

NUT,Hex, 1/2" - 13, Gr 5

2шт.

11

193-87

LOCK WASHER,Ext-Int Tooth, 1/2"

WASHER, LOCK, Ext-Int Tooth, 1/2"

2шт.

12

F42105

RETAINER -, Serial Range: light-cab

2шт.

13

F42104

SEAL

-, Serial Range: light-cab

2шт.

14

A59701

LAMP

LIGHT - rear, flood

2шт.

Выбрано товаров: 14