Запчасти Case 580B (024) - CYLINDER BLOCK WITH BOLTS, (188) DIESEL ENGINE, 1ST USED ENG SN 2711005 (02) - ENGINE

Схема запчастей Case 580B - (024) - CYLINDER BLOCK WITH BOLTS, (188) DIESEL ENGINE, 1ST USED ENG SN 2711005 (02) - ENGINE
22
10
17
16
11
13
23
24
11
21
6
1
3
40
4
9
26
20
7
31
14
25
41
28
12
29
18
5
15
27
30
4
2
8
19
FIT
1:1
100%

Артикул

Название

Примечание

Количество

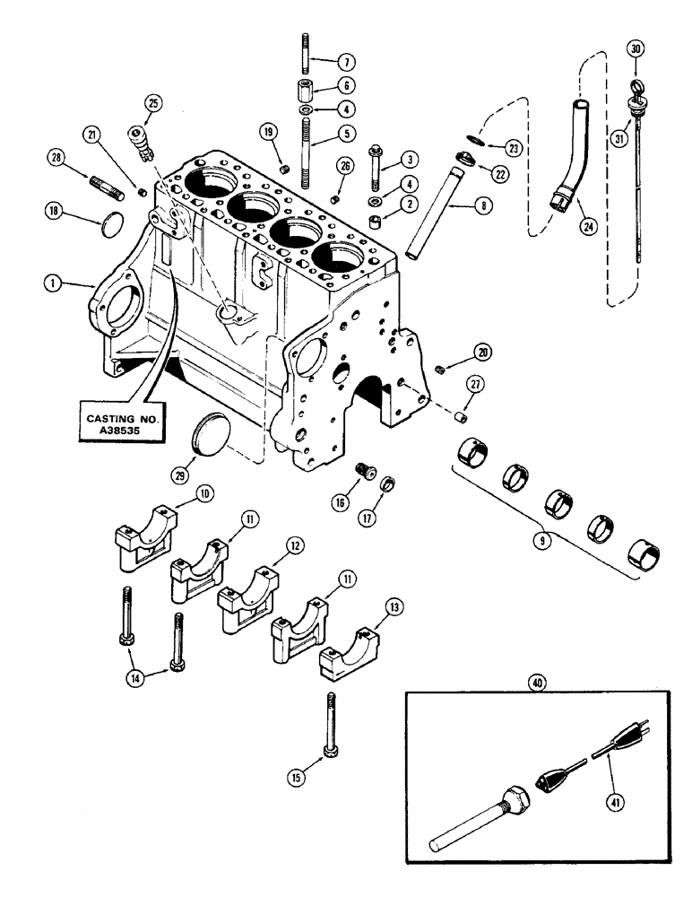
A42814

CYLINDER BLOCK

BLOCK ASSY. - short (Casting No. A38535) (Incl. crankshaft & brgs., connecting rods & brgs., camshaft, piston assy., oil pump & timing gears), Includes: Ref. 1 - 28

1шт.

1

A41597

SKELETON ENGINE

BLOCK ASSY. - stripped (Casting No. A38535)

1шт.

2

G49608

RING

dowel, head locating

2шт.

3

A39047

12 PT SCREW

cyl. head (1/2 x 3-1/2" N.C., 12 pt. hd.)

4шт.

3

A39048

12 PT SCREW

cyl. head (1/2 x 5-1/8" N.C., 12 pt. hd.)

11шт.

3

A39049

12 PT SCREW

cyl. head (1/2 x 5-5/8" N.C., 12 pt. hd.)

2шт.

4

A39046

WASHER,13.11mm ID x 22.23mm OD x 3.34mm Thk

cyl. head bolts (1/2 x 7/8 x 1/8")

19шт.

5

A36902

STUD

cyl. head (1/2" N.C. x 5-5/8")

2шт.

6

A51114

NUT

head studs (1/2" N.C. x 3/8" N.C.) (Repl. A39256)

2шт.

7

A51271

STUD

cyl. head cover (3/8" N.C. x 3-3/4") (Replaced A39255)

2шт.

8

A37149

TUBE

oil filler & dipstick

1шт.

9

A42746

CAM

BUSHING SET - camshaft (See Figure 22)

1шт.

10

A51057

CAP

main bearing, rear

1шт.

11

A51055

CAP

main bearing, intermediate

2шт.

12

A51056

CAP

main bearing, center

1шт.

13

A51054

CAP

- main bearing, front

1шт.

14

113-444

BOLT

(1/2 x 4-1/2" N.C. hex., slotted)

8шт.

15

113-445

BOLT

(1/2 x 5-1/8" N.C. hex., slotted) (Cap & oil pump)

2шт.

16

A153552

ADAPTER

- oil filter

1шт.

17

41-1016

PLUG,Cup, 1"

adapter hole, 1" cup type

1шт.

18

A39241

PLUG,Exp, 2.12" dia

expansion (2-1/8" dia.) (Replace A30033)

1шт.

19

221-1032

DRAIN PLUG,Sq Soc, 3/8"-18 NPTF

3/8" P.T., socket head

1шт.

20

G49070

PLUG

front oil gallery, 1/4" P.T. drilled

1шт.

21

217-433

PLUG,Hex Soc, 1/4" - 18 NPTF

Rear oil gallery Hex Soc, 1/4"-18 NPTF

1шт.

22

214-256

HOSE CLAMP,#20, 0.81" - 1.75", Type F Worm

extension (1-3/16 to 1-3/4")

1шт.

23

A27342

O-RING,1.109" ID x 1.387" OD x 0.139"

(1-1/8 x 1-3/8 x 1/8"), Includes: Ref. 24

1шт.

24

A37407

TUBE

EXTENSION - filler & dipstick tube

1шт.

25

A38942

DRIVE ASSY.

TACHOMETER DRIVE ASSY.

1шт.

26

221-662

PLUG,Hex Hd, 1/4"-18

drain, cyl. block (1/4" P.T., sq. hd.)

1шт.

27

A29442

RING

dowel, timing gear, Serial Range: cover-block

2шт.

28

A29333

STUD

5/8" N.C./N.F. x 3"

2шт.

29

A29268

PLUG

COVER - timing gear chamber hole (3-1/4")

1шт.

30

A37406

DIPSTICK

engine oil level

1шт.

31

F62075

O-RING,0.139" Thk x 0.734" ID, -210, Cl 5, 75 Duro

(3/4 x 1 x 1/8")

2шт.

40

A44815

HEATER

ASSY. - cylinder block, Includes: Ref. 41

1шт.

41

A44814

ELECTRIC CABLE

CORD - 12", cyl block heater

1шт.

Выбрано товаров: 36