Запчасти Case 580B (025A) - CYLINDER BLOCK WITH STUDS, (188) DIESEL ENGINE, USED PRIOR ENG SN 2711005 (02) - ENGINE

Схема запчастей Case 580B - (025A) - CYLINDER BLOCK WITH STUDS, (188) DIESEL ENGINE, USED PRIOR ENG SN 2711005 (02) - ENGINE
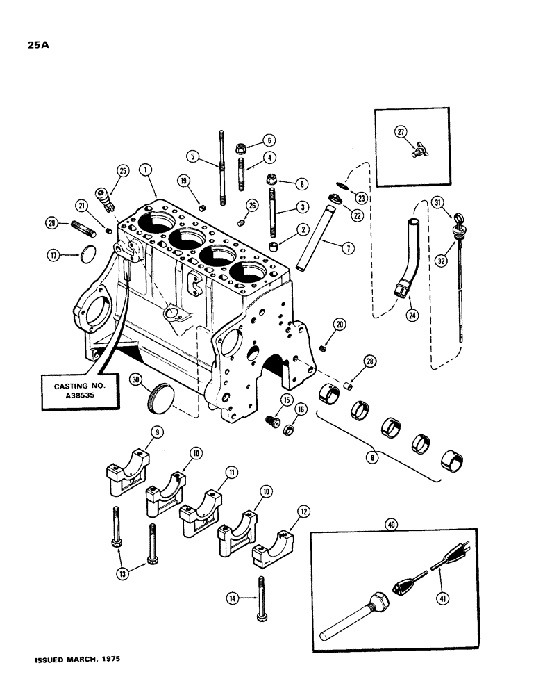
31
1
11
9
6
22
12
30
26
32
40
15
17
14
8
28
41
6
25
20
24
10
3
16
23
13
7
19
27
29
21
10
5
2
4
FIT
1:1
100%

Артикул

Название

Примечание

Количество

A42814

CYLINDER BLOCK

BLOCK ASSY. - cylinder, short (Incl. crankshaft & brgs., conn. rods & brgs., camshaft & bushings, piston assy., oil pump & timing gears) (Casting #A38535), Includes: Ref. 1 - 41

1шт.

1

A41597

SKELETON ENGINE

BLOCK ASSY. - cylinder, stripped (Casting #A38535), Includes: Ref. 2 - 24

1шт.

2

G49608

RING

dowel, cylinder, Serial Range: head-block

2шт.

3

A36902

STUD

1/2" N.C. x 5-5/8"

11шт.

3

A36905

STUD

1/2" N.C. x 6"

2шт.

4

A36904

STUD

1/2" N.C. x 4"

4шт.

5

A36903

STUD

cylinder head cover

2шт.

6

A37030

FLANGE NUT

1/2" N.C., flanged

19шт.

7

A37149

TUBE

oil gauge & filler

1шт.

8

A42746

CAM

BUSHING SET - camshaft (See Figure 22)

1шт.

9

A51057

CAP

main bearing, rear

1шт.

10

A51055

CAP

main bearing, intermediate

2шт.

11

A51056

CAP

main bearing, center

1шт.

12

A51054

CAP

- main bearing, front

1шт.

13

113-444

BOLT

1/2 x 4-1/2" N.C. hex., sltd.

8шт.

14

113-445

BOLT

1/2 x 5-1/8" N.C. hex. sltd. (Cap & oil pump)

2шт.

15

A153552

ADAPTER

- oil filter

1шт.

16

41-1016

PLUG,Cup, 1"

adapter hole, 1" cup type

1шт.

17

A39241

PLUG,Exp, 2.12" dia

expansion (2-1/8" dia.) (Replaces A30033)

1шт.

19

221-1032

DRAIN PLUG,Sq Soc, 3/8"-18 NPTF

3/8" P.T., sckt. hd.

1шт.

20

G49070

PLUG

front oil gallery, 1/4" P.T. drilled

1шт.

21

217-433

PLUG,Hex Soc, 1/4" - 18 NPTF

Rear oil gallery Hex Soc, 1/4"-18 NPTF

1шт.

22

214-256

HOSE CLAMP,#20, 0.81" - 1.75", Type F Worm

extension (1-3/16 to 1-3/4")

1шт.

23

A27342

O-RING,1.109" ID x 1.387" OD x 0.139"

(1-1/8 x 1-3/8 x 1/8")

1шт.

24

A37407

TUBE

EXTENSION - filler & dipstick tube

1шт.

25

A38942

DRIVE ASSY.

TACHOMETER DRIVE ASSY.

1шт.

26

221-662

PLUG,Hex Hd, 1/4"-18

drain, cyl. block (1/4" P.T., sq. hd.) (1st used eng. ser. no. 2706710)

1шт.

27

A23656

COCK, DRAIN

VALVE ASSY. - drain (Used prior to eng. S/N 2706710)

1шт.

28

A29442

RING

dowel, timing gear cover to block, Includes: Ref. 29

2шт.

29

A29333

STUD

5/8" N.C./N.F. x 3"

2шт.

30

A29268

PLUG

COVER - timing gear chamber hole, 3-1/4"

1шт.

31

A37406

DIPSTICK

engine oil level

1шт.

32

F62075

O-RING,0.139" Thk x 0.734" ID, -210, Cl 5, 75 Duro

(3/4 x 1 x 1/8")

2шт.

40

A44815

HEATER

ASSY. - cylinder block, Includes: Ref. 41

1шт.

41

A44814

ELECTRIC CABLE

CORD - 12", cyl block heater

1шт.

Выбрано товаров: 35