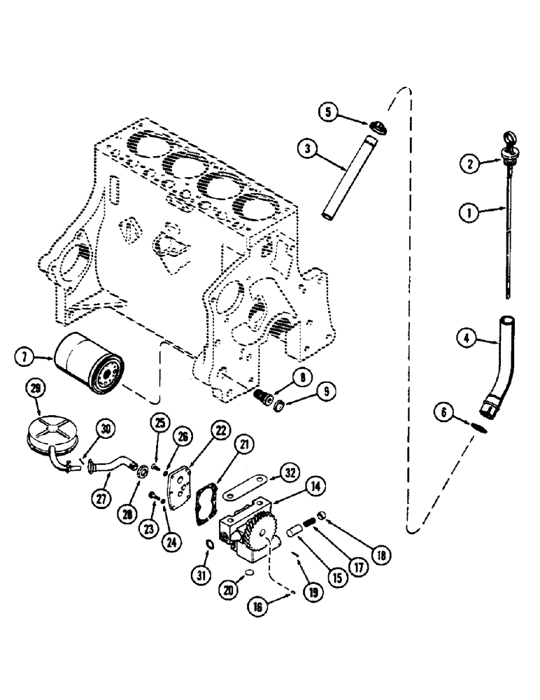
Запчасти Case 580B (068) - DIPSTICK AND OIL FILTER, (188) SPARK IGNITION ENGINE, OIL PUMP (02) - ENGINE

Схема запчастей Case 580B - (068) - DIPSTICK AND OIL FILTER, (188) SPARK IGNITION ENGINE, OIL PUMP (02) - ENGINE
17
21
26
2
23
14
15
18
28
3
30
9
6
25
4
24
22
31
8
16
1
5
32
29
19
27
20
7
FIT
1:1
100%

Артикул

Название

Примечание

Количество

1

A37406

DIPSTICK

- oil gauge, Includes: Ref. 2

1шт.

2

F62075

O-RING,0.139" Thk x 0.734" ID, -210, Cl 5, 75 Duro

"O" RING - (3/4 x 1 x 1/8")

2шт.

3

A37149

TUBE

- oil filler & dipstick (In block)

1шт.

4

A37407

TUBE

- oil filler extension

1шт.

5

214-256

HOSE CLAMP,#20, 0.81" - 1.75", Type F Worm

CLAMP - extension (1-3/16 to 1-3/4")

1шт.

6

A27342

O-RING,1.109" ID x 1.387" OD x 0.139"

"O" RING - (1-1/8 x 1-3/8 x 1/8")

1шт.

7

A37189

FILTER, ELEMENT

FILTER ASSY. - oil

1шт.

8

A153552

ADAPTER

-, Serial Range: filter-block

1шт.

9

41-1016

PLUG,Cup, 1"

- adapter opening (1" cup type)

1шт.

14

A38369

PUMP

ASSY. - oil (Replaced G11844), Includes: Ref. 15 - 26

1шт.

15

A155144

VALVE, PRESSURE RELI

- oil pressure relief

1шт.

16

138-51

LOCK PIN,1/8" x 3/8", Slotted

PIN, 1/8" x 3/8", Slotted

1шт.

17

G48513

VALVE SPRING

SPRING - relief valve (2" free length)

1шт.

18

A29260

RETAINER

- oil pressure relief spring

1шт.

19

132-50

COTTER PIN,1/8" x 1 1/4"

Pin, Split (Cotter), 1/8" x 1 1/4"

1шт.

20

41-102

PLUG,Exp, 1/2"

- Welch (1/2" diameter)

2шт.

21

G46852

GASKET

-, Serial Range: cover-body

1шт.

22

NSS

NOT SOLD SEPARAT

COVER ASSY. - oil pump body

1шт.

23

13-420

BOLT,Hex, 1/4" - 20 x 1-1/4", Gr 5

Oil pump to plate Hex, 1/4"-20 x 1 1/4", G5

1шт.

23

13-412

BOLT,Hex, 1/4" - 20 x 3/4", Gr 5, Full Thd

Oil pump to plate Hex, 1/4"-20 x 3/4", G5, Full Thd

3шт.

24

92-4

LOCK WASHER,1/4"

WASHER, LOCK, 1/4"

4шт.

25

73-410

SCREW,Slotted Flat Hd, 1/4"-20 x 5/8"

- (1/4 x 5/8" N.C. flat head)

2шт.

26

193-52

LOCK WASHER,Ext Csk Tooth, 1/4"

WASHER, LOCK, Ext Csk Tooth, 1/4"

2шт.

27

A39035

TUBE

PIPE ASSY. - suction

1шт.

28

223-207

LOCK NUT

NUT -, Serial Range: pipe-pump

1шт.

29

A39036

FLOAT

-O ASSY. - oil pump (Includes screen)

1шт.

30

132-50

COTTER PIN,1/8" x 1 1/4"

Pin, Split (Cotter), 1/8" x 1 1/4"

1шт.

31

A27365

O-RING,0.103" Thk x 0.75" ID, -116, Cl 5, 75 Duro

"O" RING - oil pump body port (3/4 x 15/16 x 3/32")

1шт.

32

G11337

SHIM,.002" Thk

Oil pump body to bearing cap .002" Thk

1шт.

32

G11338

SHIM,.005" Thk

Oil pump body to bearing cap .005" Thk

1шт.

Выбрано товаров: 30