Запчасти Case 580B (122) - TAURODYNE ASSEMBLY, PUMP-MOTOR & LINK KIT (06) - POWER TRAIN

Схема запчастей Case 580B - (122) - TAURODYNE ASSEMBLY, PUMP-MOTOR & LINK KIT (06) - POWER TRAIN
32
16
1
6
13
7
11
4
2
17
9
8
31
14
36
16
28
10
10
15
35
25
26
8
19
11
12
30
14
18
8
11
24
12
13
34
15
29
11
11
23
8
22
9
33
10
9
8
10
20
9
9
21
10
6
3
FIT
1:1
100%

Артикул

Название

Примечание

Количество

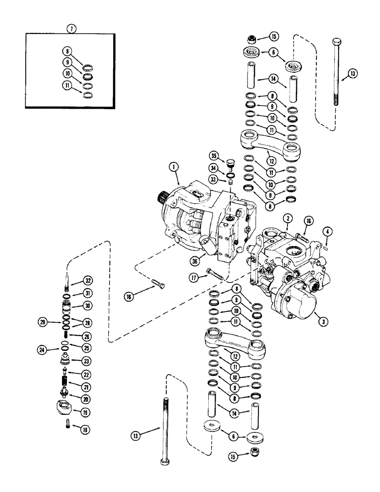
1

A44483

MOTOR

ASSY. - remanufactured motor

1шт.

1

A44482

MOTOR

ASSY. - (Do not use this part no. for ordering. This part no. is to be used only in requesting return authority on used motor assy.)

1шт.

2

A44481

PUMP

ASSY. - remanufactured pump

1шт.

2

A44480

PUMP

ASSY. - (Do not use this part no. for ordering. This part no. is to be used only in requesting return authority on used pump assy.)

1шт.

3

A44316

SERVO ASSY. - major service (See Figure 124)

1шт.

4

A39346

AIR CLEANER

PIN - dowel, pump mtg. bracket to hydrostatic unit

2шт.

6

A43473

WASHER

- link sealing

4шт.

7

A44737

SEAL

KIT - link assembly (1 set), Includes: Ref. 8 - 11

8шт.

8

NSS

NOT SOLD SEPARAT

SEAL - bronze, outer, link seal

1шт.

9

NSS

NOT SOLD SEPARAT

SEAL - plastic, inner, link seal

1шт.

10

NSS

NOT SOLD SEPARAT

WASHER - backing, link seal

1шт.

11

NSS

NOT SOLD SEPARAT

SPRING - wave, link seat

1шт.

12

A44319

LINK

- oil transfer and motion

2шт.

13

A43475

BOLT - link

2шт.

14

A43474

SPACER - link bolt

4шт.

15

A43476

NUT

- link seal retaining

2шт.

16

13-832

BOLT,Hex, 1/2" - 13 x 2", Gr 5

6шт.

17

13-842

BOLT - (1/2 x 2-5/8" N.C. hex.)

2шт.

18

61-520

HEX SOC SCREW,5/16"-18 x 1 1/4"

SCREW - cap (5/16 x 1-1/4" N.C. socket head)

2шт.

19

A44729

HOUSING

- unloader piston

1шт.

20

A44725

PISTON

- valve

1шт.

21

A44726

SPRING

- valve

1шт.

22

A44727

VALVE POPPET

POPPET - unloader valve

1шт.

23

A44728

DRIVER SEAT

SEAT - unloader valve

1шт.

24

A16860

RING

- valve body backup

1шт.

25

A43626

O-RING,0.103" Thk x 0.799" ID, -117, Cl 6, 90 Duro

"O" RING - valve body

1шт.

26

A44731

SPRING - timing plate spool

1шт.

A44730

SLEEVE ASSY. - timing plate spool with seals, Includes: Ref. 28 - 31

1шт.

28

A16860

RING

- backup, spool sleeve

2шт.

29

A43626

O-RING,0.103" Thk x 0.799" ID, -117, Cl 6, 90 Duro

"O" RING - spool sleeve

1шт.

30

NSS

NOT SOLD SEPARAT

SLEEVE - timing plate spool (Order A44730)

1шт.

31

A44736

SEAL RING - spool sleeve

1шт.

32

A44732

SPOOL - primary, timing plate

1шт.

33

A44733

SPOOL - secondary, timing plate

1шт.

34

A44734

SEAL - timing plate secondary spool

1шт.

35

NS

NOT SERVICED

PLUG - special

1шт.

36

A44477

HOUSING - unloader valve spring

1шт.

Выбрано товаров: 37