Запчасти Case 580B (126) - MAIN DRIVE GEAR (06) - POWER TRAIN

Схема запчастей Case 580B - (126) - MAIN DRIVE GEAR (06) - POWER TRAIN
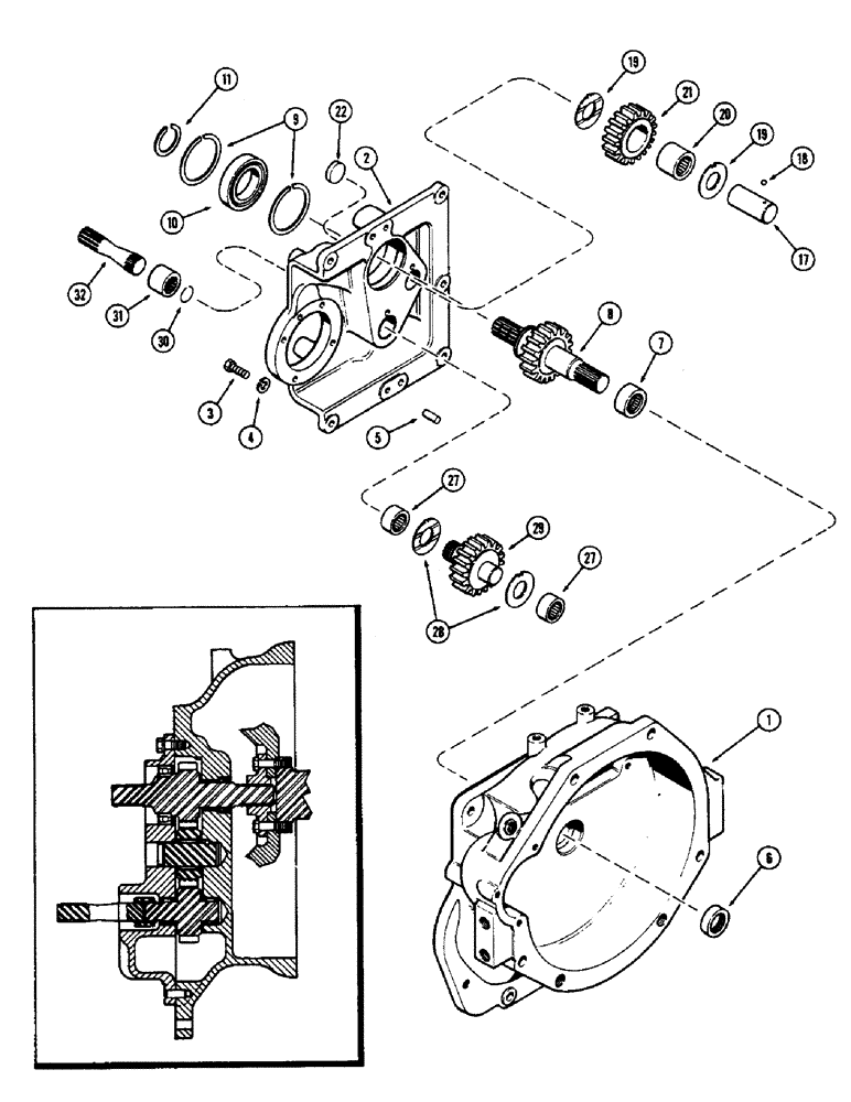
28
8
27
5
1
9
19
32
30
21
4
18
2
31
7
3
20
22
10
19
17
27
29
6
11
FIT
1:1
100%

Артикул

Название

Примечание

Количество

A39302

ASSY. - flywheel & torque tube pump mtg. brkt. (Matched set) (Not illust.), Includes: Ref. 1 - 5

1шт.

1

NSS

NOT SOLD SEPARAT

HOUSING - flywheel (Order A39302)

1шт.

2

NSS

NOT SOLD SEPARAT

BRACKET - mtg., hydrostatic pump (Order A39302)

1шт.

3

13-622

BOLT,Hex, 3/8" - 16 x 1-3/8", Gr 5

- bracket to flywheel hsg. (3/8 x 1-3/8" N.C. hex.)

7шт.

4

92-6

LOCK WASHER,3/8"

7шт.

5

A55459

PIN

DOWEL - bracket to flywheel hsg.

2шт.

6

A39453

SEAL ASSY.

oil, main drive gear

1шт.

7

38834

ROLLER BEARING,Needle, 34.92mm ID x 41.29mm OD x 19.05mm W

needle, main drive gear

1шт.

8

A39572

GEAR

main drive

1шт.

9

A27579

RING

SNAP - internal, main drive gear

2шт.

10

G10418

BEARING, BALL

ball, main drive gear

1шт.

11

A27089

SNAP RING,2.36mm Thk, Ext

SNAP RING - external, main drive gear

1шт.

17

A39454

SHAFT

idler gear

1шт.

18

211-7

BALL,1/4" Dia

idler gear shaft 1/4" Dia

1шт.

19

A39455

thrust, idler gearshaft

2шт.

20

A39457

NEEDLE BEARING,1.25" ID x 1.625" OD x 1.25"

needle, idler gear, shaft

1шт.

21

A39456

idler shaft

1шт.

22

41-1020

PLUG,Cup, 1 1/4"

ercury, idler gear shaft

1шт.

27

A14858

NEEDLE BEARING,Needle, 28.56mm ID x 34.94mm OD x 19.05mm W

needle, drive gear, hydrostatic pump drive

2шт.

28

A39459

thrust, drive gear, hydrostatic pump drive

2шт.

29

A39458

GEAR

hydrostatic pump drive

1шт.

30

A32441

RING, SNAP

internal, input coupling, hydrostatic pump drive

1шт.

31

A39460

hydrostatic pump input

1шт.

32

A39461

SHAFT

hydrostatic pump input

1шт.

Выбрано товаров: 24